Запчасти Case IH 1844 (4-60) - RADIO (06) - ELECTRICAL SYSTEMS

Схема запчастей Case IH 1844 - (4-60) - RADIO (06) - ELECTRICAL SYSTEMS
25
2
22
19
15
4
26
20
6
3
14
7
16
10
17
24
13
10
23
9
21
18
1
11
17
5
5
9
8
FIT
1:1
100%

Артикул

Название

Примечание

Количество

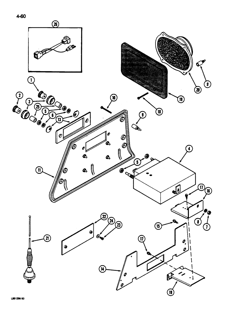
1

111381C1

KNOB

- volume

1шт.

Part of radio installation kit PN 84226C91

1шт.

2

111382C1

KNOB

- tuning

1шт.

Part of radio installation kit PN 84226C91

1шт.

3

385532C1

KNOB

- tone and balance

2шт.

Part of radio installation kit PN 84226C91

1шт.

4

245344C91

RADIO

- AM

1шт.

4

245160C91

RADIO

- AM-FM stereo

1шт.

4

245166C91

RADIO

- AM-FM stereo with cassette tape player

1шт.

4

84067C91

RADIO

- AM-FM stereo with cassette tape player, clock and liquid crystal display

1шт.

5

142921C1

NUT

- hex, 3/8 inch - 32 (Special)

4шт.

6

142920C1

WASHER

- flat (Special)

2шт.

7

124818

JAM NUT,Hex, 1/4" - 20, Gr 5

1шт.

8

492-11025

LOCK WASHER,1/4"

WASHER, LOCK, 1/4"

1шт.

9

117995C1

PACKAGE

KIT - fastener (Contains 5 fasteners)

3шт.

Part of radio installation kit PN 84226C91

1шт.

10

1276052C1

SELF-TAP SCREW,Cross Oval Hd, #8 x 1 3/4"

SCREW - polyseal, No. 8-18 x 1-3/4 inch

15шт.

11

1280182C2

PANEL

- trim

1шт.

13

84103C1

PANEL

- radio trim

1шт.

Part of radio installation kit PN 84226C91

1шт.

14

91484C1

PLATE

- radio support

1шт.

Part of radio installation kit PN 84226C91

1шт.

15

27667R1

SELF-TAP SCREW,Hex Wash Hd, #10 x 5/8"

SCREW - tap, No. 10-16 x 5/8 inch

4шт.

16

84048C1

BRACKET

- radio support rear slide

1шт.

Part of radio installation kit PN 84226C91

1шт.

17

23985R1

SELF-TAP SCREW,Hex Wash Hd, #10 x 1/2"

SCREW, SELF TAPPING, Hex Wash Hd, #10 x 1/2"

2шт.

18

84049C1

BRACKET

- radio rear support

1шт.

Part of radio installation kit PN 84226C91

1шт.

19

245806C1

PANEL

GRILLE - speaker

2шт.

Part of radio installation kit PN 84226C91

1шт.

20

245343C2

SPEAKER

- radio, 5 x 7, 4 ohm

2шт.

Part of radio installation kit PN 84226C91

1шт.

21

111237C1

ANTENNA

ASSEMBLY - radio

1шт.

Part of radio installation kit PN 84226C91

1шт.

22

1321384C1

PANEL

- radio insert

1шт.

23

27048R1

SELF-TAP SCREW,Cross Pan Hd, #10 x 3/8"

SCREW - tapping, No. 10 x 3/8 inch

2шт.

24

22237R1

WASHER

- flat, 13/64 x 3/4 x 3/64 inch

2шт.

25

84240C1

SPACER

- 3/8 x 5/8 inch x 19 mm

2шт.

Part of radio installation kit PN 84226C91

1шт.

84226C91

KIT

- radio installation, Includes: Ref. 1, 2, 3, 9, 13, 14, 16, 18, 19, 20, 21 and 25

1шт.

26

1964513C1

HARNESS

- adapter

1шт.

Выбрано товаров: 41