Запчасти Case IH 1844 (8-20) - HYDRAULIC PUMP (07) - HYDRAULICS

Схема запчастей Case IH 1844 - (8-20) - HYDRAULIC PUMP (07) - HYDRAULICS
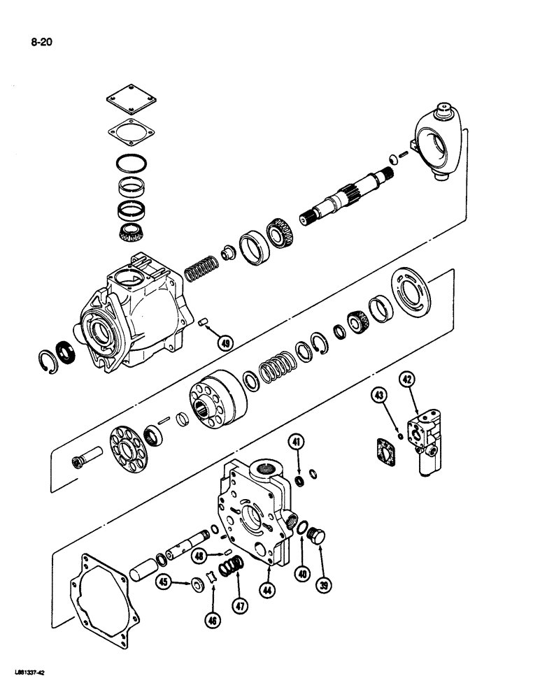
44
49
43
46
41
40
42
45
39
48
47
FIT
1:1
100%

Артикул

Название

Примечание

Количество

1282249C91

PUMP, HYDRAULIC

PUMP ASSEMBLY - hydraulic, new

1шт.

39

NSS

NOT SOLD SEPARAT

PLUG - valve port (Order 1288976C91)

1шт.

40

NSS

NOT SOLD SEPARAT

O-RING - valve port plug

1шт.

Part of O-ring, Seal and Gasket Kit, P/N 126344C2

1шт.

41

NSS

NOT SOLD SEPARAT

RING - retainer

1шт.

42

NSS

NOT SOLD SEPARAT

COMPENSATOR ASSEMBLY - pump (See Page 8-23)

1шт.

43

NSS

NOT SOLD SEPARAT

O-RING - compensator

1шт.

Part of O-ring, Seal and Gasket Kit, P/N 126344C2

1шт.

44

NSS

NOT SOLD SEPARAT

VALVE BLOCK - pump

1шт.

45

NSS

NOT SOLD SEPARAT

SEAT - spring

1шт.

46

NSS

NOT SOLD SEPARAT

VALVE - check

1шт.

47

NSS

NOT SOLD SEPARAT

SPRING - valve block

1шт.

48

NSS

NOT SOLD SEPARAT

PIN - headless, 1/4 x 1/2 inch

1шт.

49

NSS

NOT SOLD SEPARAT

PIN - housing to valve body

2шт.

1263244C2

PACKAGE

KIT - o-ring, seal and gasket, Includes: ref. nos. 40 and 43, also see Pages 8-19 and 8-23

1шт.

Выбрано товаров: 15