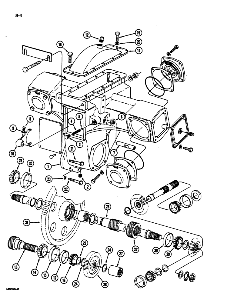
Запчасти Case IH 1844 (9-004) - DRUM DRIVE (13) - PICKING SYSTEM

Схема запчастей Case IH 1844 - (9-004) - DRUM DRIVE (13) - PICKING SYSTEM
24
18
16
2
13
19
3
10
30
25
20
5
15
28
17
29
21
1
27
7
6
24
12
32
31
8
26
29
23
30
11
22
4
14
9
FIT
1:1
100%

Артикул

Название

Примечание

Количество

1963956C1

HOUSING

DRIVE ASSEMBLY - drum (Replaces 1286301C92)

1шт.

1

1963955C1

HOUSING

- drive (Replaces 1285944C1)

1шт.

2

1963920C1

PLUG

- magnetic pipe, 3/4 inch PT (Replaces 320185C1)

1шт.

3

9410358

PLUG

- o-ring boss, 3/8 tube, 9/16-18 inch thread

1шт.

4

121545C1

SPRING

- detent

1шт.

5

17012R1

BALL,3/8" Dia

Detent 3/8" Dia

1шт.

6

G10450

OIL SEAL,19.05mm ID x 31.85mm OD x 6.35mm Thk

- oil (Alternate with 549712R1)

1шт.

6

549712R1

OIL SEAL

- oil (Alternate with G10450)

1шт.

7

1286293C1

RAIL ASSY.

SHAFT - shift

1шт.

8

573985R1

SET SCREW,Sq Hd, 3/8"-24 x 1"

SCREW - set, 3/8 NF x 1 inch

1шт.

9

114494

NUT,Jam, 3/8"-24, G5

1шт.

10

395656R1

FORK

- shift

1шт.

11

587078R91

PAN ASSY.

PAN - housing

1шт.

12

444592

PLUG,Sq Hd, 1/4"-14 NPTF

- pipe, 3/4 inch PT

1шт.

13

1963898C1

SHAFT

- input (Replaces 1277335C2)

1шт.

14

533729R91

ROLLER BEARING,1.968" ID x 3.2283" OD x 0.8465"

CONE - bearing, inner, 1-31/32 inch ID

1шт.

15

376463C1

BEARING CUP

CUP - bearing, inner, 3-1/4 inch OD

1шт.

16

131311C91

ROLLER BEARING,1.3755" ID x 2.8448" OD x 1"

CONE - bearing, outer, 1-3/8 inch ID

1шт.

17

131312C1

BEARING CUP

CUP - bearing, outer, 2-27/32 inch OD

1шт.

18

113-206

BOLT,Hex, 3/8" - 16 x 3/4", Gr 5, Full Thd

- hex, 3/8 NC x 3/4 inch

10шт.

19

131-102

SPRING NUT,Ret, 1/4"-20

BOLT - hex, 5/16 NC x 3/4 inch

2шт.

20

95-11034

WASHER,1/4"

- flat, 11/32 x 11/16 x 3/64 inch

2шт.

21

26315R1

BOLT,Hex, 7/16" - 14 x 1 1/4", Gr 8

- hex, 7/16 NC x 1-1/4 inch, Grade 8

5шт.

22

870643R1

BOLT,Hex, 7/16" - 14 x 1 5/8", Gr 8

- hex, 7/16 NC x 1-5/8 inch, Grade 8

3шт.

23

192-22

LOCK WASHER,7/16"

WASHER, LOCK, 7/16"

3шт.

24

A21619

CIRCLIP

RING - snap

2шт.

25

93238C1

SHIM

- bearing, 0.110 inch (2.80 mm)(Replaces 716590R1)

1шт.

25

93239C1

SHIM

SHIM - bearing, 0.112 inch (2.85 mm)(Replaces 3131989R1)

1шт.

25

93240C1

SHIM

SHIM - bearing, 0.114 inch (2.90 mm)(Replaces 3131990R1)

1шт.

25

93241C1

SHIM

SHIM - bearing, 0.116 inch (2.95 mm)(Replaces 3131991R1)

1шт.

25

93242C1

SHIM

SHIM - bearing, 0.118 inch (3.00 mm)(Replaces 3131992R1)

1шт.

25

94820C1

SHIM

- bearing, 0.120 inch (3.05 mm)

1шт.

25

94821C1

SHIM

- bearing, 0.122 inch (3.10 mm)

1шт.

25

94822C1

SHIM

- bearing, 0.124 inch (3.15 mm)

1шт.

25

94823C1

SHIM

- bearing, 0.126 inch (3.20 mm)

1шт.

25

94824C1

SHIM

- bearing, 0.128 inch (3.25 mm)

1шт.

25

94825C1

SHIM

- bearing, 0.130 inch (3.30 mm)

1шт.

26

1286289C2

PINION

GEAR - input, 39 teeth

1шт.

27

80644C91

SPLINED COUPLING

COUPLING - input, 21 teeth (Replaces 1286291C1) (Order 87151C1 and 87153C1)

1шт.

28

87152C1

SHAFT

- drive

1шт.

29

663557R91

BEARING ASSY,1.625" ID x 2.892" OD x 0.77"

CONE - bearing shaft, 1-5/8 inch ID

2шт.

30

663558R1

BEARING CUP

CUP - bearing shaft, 2-29/32 inch OD

2шт.

31

87153C1

PINION

GEAR - output, 121 teeth (Replaces 1286290C1) (Order 87152C1 and 87151C1)

1шт.

32

87151C1

COUPLING

- gear (Replaces 1286292C1) (Order 87152C1 and 87153C1)

1шт.

Выбрано товаров: 44