Запчасти Case IH 1844 (9-006) - DRUM DRIVE (13) - PICKING SYSTEM

Схема запчастей Case IH 1844 - (9-006) - DRUM DRIVE (13) - PICKING SYSTEM
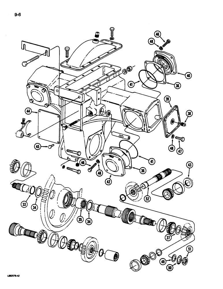
40
43
36
47
46
41
48
33
41
39
48
49
44
38
37
46
42
36
51
45
50
52
35
34
34
48
FIT
1:1
100%

Артикул

Название

Примечание

Количество

1286301C92

CASE

DRIVE ASSEMBLY - drum

1шт.

33

336000R1

SNAP RING,#175, 1.640", Ext

RING - snap (Replaces 698553R1)

1шт.

34

1277389C1

THRUST WASHER

- thrust

1шт.

35

1277417C91

NEEDLE BEARING

- needle, output gear

1шт.

36

86815C1

SHIM KIT

KIT - shim, gear box

1шт.

NSS

NOT SOLD SEPARAT

SHIM - 0.003 inch (Order 86815C1)

1шт.

NSS

NOT SOLD SEPARAT

SHIM - 0.005 inch (Order 86815C1)

1шт.

NSS

NOT SOLD SEPARAT

SHIM - 0.007 inch (Order 86815C1)

1шт.

NSS

NOT SOLD SEPARAT

SHIM - 0.011 inch (Order 86815C1)

1шт.

NSS

NOT SOLD SEPARAT

SHIM - 0.020 inch (Order 86815C1)

1шт.

86814C1

SHIM KIT

KIT - bevel gear and shim

1шт.

37

NSS

NOT SOLD SEPARAT

SHIM - 0.003 inch (Order 86814C1)

4шт.

37

NSS

NOT SOLD SEPARAT

SHIM - 0.138 inch (Order 86814C1)

1шт.

37

NSS

NOT SOLD SEPARAT

SHIM - 0.150 inch (Order 86814C1)

1шт.

38

438159

DRAIN PLUG,Sq Hd, 1/2"-14 NPTF

PLUG - square head pipe, 1/2 inch PT

2шт.

39

223857C1

COVER

- inspection

2шт.

40

1286295C1

BEARING CAP

CAGE - bearing, outer

2шт.

41

22284R1

O-RING,0.103" Thk x 4.487" ID, -157, Cl 5, 75 Duro

- cage, 4-1/2 x 4-11/16 x 3/32 inch (Replaces 27618R1)

4шт.

42

1286294C1

BEARING CAP,55 mm ID x 125.374 mm OD x 21, 15 mm

CAGE - bearing, inner

2шт.

43

358812R91

OIL SEAL

SEAL - oil

2шт.

44

1286302C1

COVER

- inspection

1шт.

45

113-1

BOLT,Hex, 1/4" - 20 x 1/2", Gr 5

4шт.

46

113-207

BOLT,Hex, 3/8" - 16 x 1", Gr 5

16шт.

47

113-206

BOLT,Hex, 3/8" - 16 x 3/4", Gr 5, Full Thd

8шт.

48

192-21

LOCK WASHER,3/8"

WASHER, LOCK, 3/8"

24шт.

49

223864C1

WASHER

- gear

2шт.

50

127686

LOCK WASHER,Type W-06

WASHER - bearing lock

2шт.

51

271253

NUT

- bearing lock

2шт.

52

1286312C1

SHAFT

- output

2шт.

Выбрано товаров: 29