Запчасти Case IH 1844 (9-008) - DRUM DRIVE (13) - PICKING SYSTEM

Схема запчастей Case IH 1844 - (9-008) - DRUM DRIVE (13) - PICKING SYSTEM
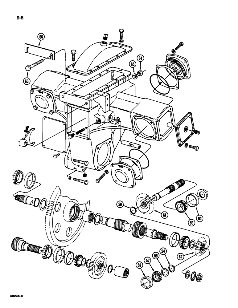
65
66
55
61
54
60
62
64
57
63
56
59
58
FIT
1:1
100%

Артикул

Название

Примечание

Количество

1286301C92

CASE

DRIVE ASSEMBLY - drum

1шт.

86814C1

SHIM KIT

KIT - bevel gear and shim

1шт.

54

609053R1

SNAP RING,#125, Ext

Ring, Snap, #125, Ext

2шт.

55

223866C1

WASHER

- bearing

2шт.

56

21193R1

SNAP RING,#137. Ext

Ring, Snap, #137, Ext

2шт.

57

642955R91

BEARING ASSY,1.25" ID x 2.4409" OD x 0.75"

CONE - bearing, inner, 1-1/4 inch ID

2шт.

58

642954R1

BEARING ASSY,1" ID x 2.441" OD x 0.8125"

CUP - bearing, inner, 2-7/16 inch OD

2шт.

59

618023R91

BEARING ASSY,34.93mm ID x 18.2mm W

CONE - bearing, outer, 1-3/8 inch ID

2шт.

60

618024R1

BEARING CUP,65.113mm OD x 13.97mm W

Outer, 2-9/16 inch OD

2шт.

61

NSS

NOT SOLD SEPARAT

GEAR - bevel, 24 teeth (Order 86814C1 or 92890C1)

1шт.

62

NSS

NOT SOLD SEPARAT

GEAR - bevel, 19 teeth (Order 86814C1 or 92890C1)

1шт.

63

180181

BOLT,Hex, 1/2" - 13 x 2", Gr 5

- hex, 1/2 NC x 2 inch

2шт.

64

120378

NUT,Hex, 1/2" - 13, Gr 5

NUT, 1/2"-13, G5

2шт.

65

180177

BOLT,Hex, 1/2" - 13 x 1 1/2", Gr 5

WASHER - lock, 1/2 inch

2шт.

66

93301C1

SHIM

- housing, 0.005 inch

1шт.

66

93303C1

SHIM

- housing, 0.196 inch

1шт.

92890C1

GEAR-SET

KIT - bevel gear (Includes Ref. No. 61 and 62)

1шт.

Выбрано товаров: 17