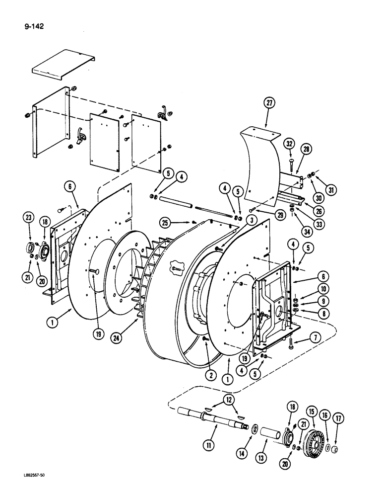
Запчасти Case IH 1844 (9-142) - FRONT FAN, 1844 COTTON PICKER (15) - HANDLING SYSTEM

Схема запчастей Case IH 1844 - (9-142) - FRONT FAN, 1844 COTTON PICKER (15) - HANDLING SYSTEM
20
30
4
12
25
8
3
21
16
24
20
13
18
19
32
4
28
5
5
29
23
4
14
34
18
10
21
6
5
31
17
1
1
6
5
19
26
33
4
9
2
11
7
15
27
FIT
1:1
100%

Артикул

Название

Примечание

Количество

86857C91

FAN

ASSEMBLY - front

1шт.

1

1260067C1

PLATE

- front fan side

2шт.

2

598795R1

CARRIAGE BOLT,Sht Sq Nk, 1/4" - 20 x 3/4", Gr 5

BOLT - round head square neck, 1/4 NC x 3/4 inch

10шт.

3

598794R1

CARRIAGE BOLT,1/4" - 20 x 1/2", Grade 5

BOLT - round head square neck, 1/4 NC x 1/2 inch

20шт.

4

492-11025

LOCK WASHER,1/4"

WASHER, LOCK, 1/4"

32шт.

5

120375

NUT,Hex, 1/4" - 20, Gr 5

32шт.

6

1260120C3

HOUSING

- fan

2шт.

7

180177

BOLT,Hex, 1/2" - 13 x 1 1/2", Gr 5

- hex, 1/2 NC x 1-1/2 inch

4шт.

8

120396

WASHER

- flat, 17/32 x 1-1/16 x 5/64 inch

4шт.

9

120384

WASHER,1/2"

LOCK, 1/2"

4шт.

10

120378

NUT,Hex, 1/2" - 13, Gr 5

NUT, 1/2"-13, G5

4шт.

11

1260070C3

SHAFT

- front fan

1шт.

12

88745

WOODRUFF KEY,#28, 5/16" x 2 1/8", HT

KEY - Woodruff, 5/16 x 2-1/8 inch, SAE 28

2шт.

13

1260073C1

SPACER

- fan

1шт.

14

22481R1

WASHER

- flat, 1-13/32 x 2-1/4 x 3/64 inch (36 x 57 x 1 mm)

1шт.

15

221671C2

PULLEY

- fan, 6-7/32 inch (158 mm) diameter

1шт.

16

390311C1

WASHER,15/16" x 1 3/4" x .134", HDN

- flat, 15/16 x 1-3/4 x 1/8 inch (24 x 44 x 3 mm)

1шт.

17

543386R1

LOCK NUT,7/8"-14, G5

NUT - hex lock, 7/8 inch NF

1шт.

18

1260257C1

FLANGED BEARING,34.93mm ID

BEARING - fan

2шт.

19

634979R1

CARRIAGE BOLT,Sht Sq Nk, 3/8" - 16 x 1 1/2"

BOLT - round head square neck, 3/8 NC x 1-1/2 inch

4шт.

20

120394

WASHER,3/8", SAE

WASHER - flat, 13/32 x 13/16 x 3/64 inch (10 x 21 x 1 mm)

4шт.

21

231-1446

NUT,3/8" - 16, Gr 5

NUT LOCK, 3/8"-16, GB

4шт.

23

517645R11

COLLAR

- locking

1шт.

24

1260010C1

FAN

- rotor

1шт.

25

27044R1

SELF-TAP SCREW,Cross Pan Hd, #8 x 3/8"

SCREW - pan head Phillips tapping, No. 8-18 x 3/8 inch

2шт.

26

204414C1

SUPPORT

- tie bracket

1шт.

27

204416C1

BAFFLE

PLATE - cover

1шт.

28

204415C1

SUPPORT

- bolt anchor

1шт.

29

598802R1

CARRIAGE BOLT,Short NK, 5/16"-18 x 3/4", G5, Full Thd

BOLT - round head square neck, 5/16 NC x 3/4 inch

10шт.

30

80681

LOCK WASHER,5/16"

WASHER, LOCK, 5/16"

10шт.

31

120376

NUT,5/16"-18, G5

10шт.

32

27453R1

BOLT,Short NK, 3/8"-16 x 3", G5

- round head square neck, 3/8 NC x 3 inch

2шт.

33

120382

LOCK WASHER,Helical Spring, 3/8"

WASHER, LOCK, 3/8"

2шт.

34

120377

NUT,3/8" - 16, Gr 5

2шт.

Выбрано товаров: 34