Запчасти Case IH 1844 (9-144) - FRONT FAN, 1844 COTTON PICKER (15) - HANDLING SYSTEM

Схема запчастей Case IH 1844 - (9-144) - FRONT FAN, 1844 COTTON PICKER (15) - HANDLING SYSTEM
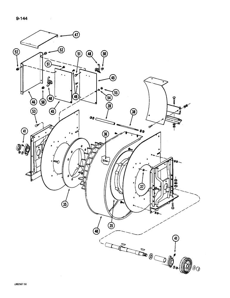
35
55
53
52
41
39
45
48
51
38
47
52
41
50
36
54
37
40
49
48
46
45
51
35
50
FIT
1:1
100%

Артикул

Название

Примечание

Количество

86857C91

FAN

ASSEMBLY - front

1шт.

35

207515C1

BAFFLE

- fan

2шт.

36

413-528

BOLT,Hex, 5/16" - 18 x 1-3/4", Gr 5

- hex, 5/16 NC x 1-3/4 inch

16шт.

37

9412083

NUT,5/16"-18, GB

NUT - hex lock, 5/16 inch NC

16шт.

38

215709C1

STUD

- fan housing connector

1шт.

39

215020C1

PIPE

- fan housing

1шт.

40

221533C1

COVER

- outer

1шт.

41

219-8

LUBE NIPPLE,1/4" - 28 NPTF

NIPPLE, LUBE, (For machines without centralized chassis grease system) 1/4"-28 NPT x .54" lg

2шт.

45

1338693C2

COVER

- fan, inlet side

2шт.

46

1338694C1

COVER

- fan, inlet front

1шт.

47

1338178C1

COVER ASSY

COVER - fan, inlet top

1шт.

48

1333780C1

LATCH

- fan cover

2шт.

49

463-1108

SCREW,Hex Hd, #10-24 x 1/2"

- hex, No. 10-24 x 1/2 inch,Course threads

2шт.

50

174097C1

FLANGE NUT,Flg, USR, #10-24

- hex flange lock, No. 10-24

4шт.

51

88542

BOLT,Hex, 1/4"-20 x 1/2", Gr 5

- hex, 1/4 NC x 1/2 inch

4шт.

52

938016R1

FLANGE NUT,Flg, USR, 1/4"-20

- hex flange lock, 1/4 inch NC

4шт.

53

598802R1

CARRIAGE BOLT,Short NK, 5/16"-18 x 3/4", G5, Full Thd

BOLT - round head square neck, 5/16 NC x 3/4 inch

4шт.

54

80681

LOCK WASHER,5/16"

WASHER, LOCK, 5/16"

4шт.

55

120376

NUT,5/16"-18, G5

4шт.

Выбрано товаров: 19