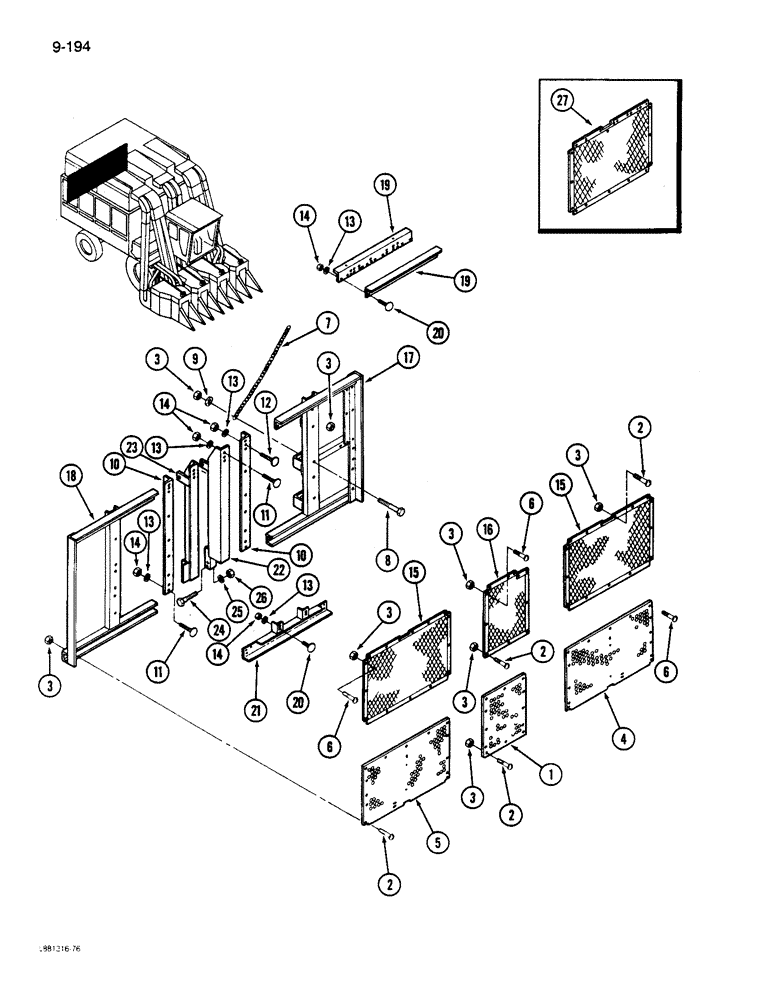
Запчасти Case IH 1844 (9-194) - BASKET REAR 1844 COTTON PICKER (16) - BASKET

Схема запчастей Case IH 1844 - (9-194) - BASKET REAR 1844 COTTON PICKER (16) - BASKET
3
25
20
23
27
9
3
3
19
13
10
3
14
14
20
3
15
13
8
15
13
26
19
22
13
7
14
24
4
17
13
21
18
3
3
12
2
16
6
2
3
10
14
6
5
1
11
2
11
2
6
FIT
1:1
100%

Артикул

Название

Примечание

Количество

87293C91

CONTAINER

BASKET ASSEMBLY (See Note A and B)

1шт.

1

1260158C1

COVER

- lower, center

1шт.

2

477-73812

SERRATED SCREW,Truss HD, 3/8" - 16 x 3/4"

- slotted, 3/8 NC x 3/4 inch

1шт.

3

482256R1

BEARING LOCK NUT,Flg, USR, 3/8"-16

- hex, 3/8 inch NC

1шт.

4

1260160C3

COVER

- lower, left

1шт.

5

1260161C3

COVER

- lower, right

1шт.

6

477-73816

SERRATED SCREW,Sl Truss Hd, 3/8" x 1"

- slotted, 3/8 NC x 1 inch

1шт.

7

NSS

NOT SOLD SEPARAT

CHAIN - door (Order 33 links from roll ZAN4030136)

1шт.

REF

INSTRUCTION

CHAIN - roll, 125 foot (38 m)(Order ZAN4030136)

1шт.

8

180137

BOLT,Hex, 3/8" - 16 x 2 3/4", Gr 5

- hex, 3/8 NC x 2-3/4 inch

1шт.

9

477589R1

WASHER

- flat, 3/32 x 1-1/2 x 7/64 inch

1шт.

10

1260162C1

SUPPORT

ANGLE - retainer

2шт.

11

598812R1

CARRIAGE BOLT,Sq Nk, 3/8" - 16 x 2", Gr 5

BOLT - round head square neck, 3/8 NC x 2 inch

1шт.

12

550796R1

CARRIAGE BOLT,3/8" - 16 x 1 1/4", Grade 5

BOLT - round head square neck, 3/8 NC x 1-1/4 inch

1шт.

13

120382

LOCK WASHER,Helical Spring, 3/8"

WASHER, LOCK, 3/8"

1шт.

14

120377

NUT,3/8" - 16, Gr 5

1шт.

15

1260164C1

SIEVE

SCREEN - basket, 1 395 mm long

2шт.

16

1260181C1

SIEVE

SCREEN - basket, center

1шт.

17

1260227C6

END

- basket, left

1шт.

18

1260229C4

END

- basket, right

1шт.

19

1260244C2

SUPPORT

ANGLE - tie

2шт.

20

495967R1

CARRIAGE BOLT,Short NK, 3/8"-16 x 1", G5, Full Thd

BOLT - round head square neck, 3/8 NC x 1 inch

1шт.

21

1260318C2

CONDUIT

CHANNEL - tie

1шт.

22

1270136C3

ANGLE

- lift, left

1шт.

23

1;;0137C3

ANGLE - lift, right

1шт.

24

180075

BOLT,Hex, 5/16" - 18 x 5/8", Gr 5

- hex, 1/2 NC x 1-1/4 inch

1шт.

25

120384

WASHER,1/2"

LOCK, 1/2"

1шт.

26

120378

NUT,Hex, 1/2" - 13, Gr 5

NUT, 1/2"-13, G5

1шт.

27

1339132C1

SIEVE

1шт.

SCREEN ASSEMBLY - basket, left rear, 1 331 mm long NOTE A: See Pages 9-177 through 9-211 for additional components of basket assembly. NOTE B: The basket assembly does not include hydraulic components, basket door assembly or basket unloading parts.

1шт.

Выбрано товаров: 0