Запчасти Case IH 1844 (3-18) - THROTTLE CONTROLS, 1844 COTTON PICKER (02) - FUEL SYSTEM

Схема запчастей Case IH 1844 - (3-18) - THROTTLE CONTROLS, 1844 COTTON PICKER (02) - FUEL SYSTEM
46
27
9
38
16
35
26
33
14
39
48
7
15
17
11
34
25
9
22
24
45
23
37
8
25
31
6
30
25
28
18
38
44
21
40
1
16
47
4
43
49
42
19
2
3
20
1
13
22
24
12
7
22
10
36
23
38
12
39
29
32
39
17
5
41
FIT
1:1
100%

Артикул

Название

Примечание

Количество

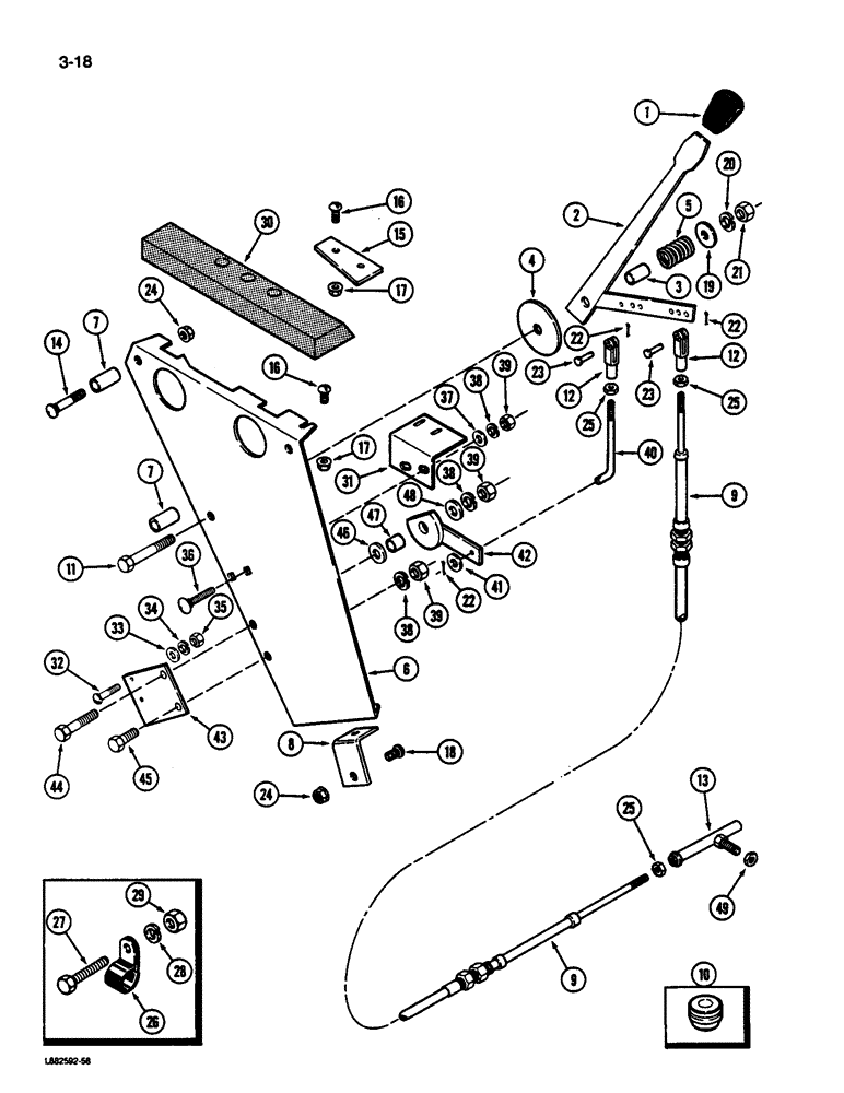
1

120197C2

KNOB

- throttle lever

1шт.

2

1301183C93

LEVER

ASSEMBLY - throttle control

1шт.

3

154397C1

SPACER,5/8" Tube x 1 1/4"

- 5/8 x 1-1/4 inch tube

1шт.

4

941133C1

WASHER

- throttle lever

1шт.

5

PO22

SPRING

- throttle control lever

1шт.

6

1329709C2

SUPPORT

- throttle control

1шт.

7

SA10227

SPACER,3/8" Pipe x 1 1/8"

- 3/8 x 1-1/8 inch pipe

2шт.

8

1301242C1

BRACKET

ANGLE - throttle support

1шт.

9

1329385C1

CABLE

ASSEMBLY - throttle

1шт.

10

198823C1

GROMMET,9.53mm ID x 41.1mm OD x 26.9mm Thk

- throttle cable grain tank

2шт.

11

180132

BOLT,Hex, 3/8" - 16 x 2 1/4", Gr 5

- 3/8 NC x 2-1/4 inch

1шт.

12

NLS

NO LONGER SERVICED

CLEVIS - No. 10-32 x 1-9/16 inch

2шт.

13

84728C1

JOINT

- ball, No. 10, Type AL

1шт.

14

18422R1

CARRIAGE BOLT,Sq Nk, 3/8" - 16 x 1 3/4", Gr 2

BOLT - round head square neck, 3/8 NC x 1-3/4 inch, Grade 1

2шт.

15

1329861C1

PLATE

- throttle control

1шт.

16

937059R1

SCREW,Serr, M10 x 70mm, Cl 10.9

- slotted truss head, 1/4 x 1/2 inch

3шт.

17

938016R1

FLANGE NUT,Flg, USR, 1/4"-20

- flange lock, 1/4 inch

3шт.

18

477-73812

SERRATED SCREW,Truss HD, 3/8" - 16 x 3/4"

- slotted truss head, 3/8 NC x 3/4 inch

2шт.

19

614452R1

WASHER

- flat, 13/32 x 1-1/4 x 3/32 inch

1шт.

20

120382

LOCK WASHER,Helical Spring, 3/8"

WASHER, LOCK, 3/8"

1шт.

21

120377

NUT,3/8" - 16, Gr 5

1шт.

22

112726

COTTER PIN,1/16" x 1/2"

PIN, SPLIT (COTTER), 1/16" x 1/2"

3шт.

23

20155R1

CLEVIS PIN,3/16" x .719"

PIN - clevis, 3/16 x 23/32 inch

2шт.

24

482256R1

BEARING LOCK NUT,Flg, USR, 3/8"-16

- flange lock, 3/8 inch

4шт.

25

120614

NUT,Hex, #10 - 32

NUT, #10-32

3шт.

26

299399C1

CLIP

CLAMP - closed coated, 1/4 inch diameter

2шт.

27

86505867

BOLT,Hex, 1/4" - 20 x 1", Gr 5

2шт.

28

492-11025

LOCK WASHER,1/4"

WASHER, LOCK, 1/4"

2шт.

29

120375

NUT,Hex, 1/4" - 20, Gr 5

2шт.

30

1288795C2

SEAL

- throttle

1шт.

31

87007C1

ANGLE

- compactor switch

1шт.

32

159378

SUPPORT

- pan head, No. 6 x 1-1/4 inch

4шт.

33

131014

WASHER

- flat, 5/32 x 3/8 x 1/32 inch

8шт.

34

131044

LOCK WASHER

Lock, #6

4шт.

35

134530

NUT,Hex, #6 - 32

4шт.

36

598802R1

CARRIAGE BOLT,Short NK, 5/16"-18 x 3/4", G5, Full Thd

BOLT - round head square neck, 5/16 NC x 3/4 inch

2шт.

37

120393

BEARING WASHER,5/16", SAE

WASHER - flat, 11/32 x 11/16 x 3/64 inch

2шт.

38

80681

LOCK WASHER,5/16"

WASHER, LOCK, 5/16"

4шт.

39

120376

NUT,5/16"-18, G5

4шт.

40

1329372C1

ROD

- lever actuator

1шт.

41

120391

WASHER,#10

- flat, 7/32 x 1/2 x 1/32 inch

1шт.

42

1329368C1

LEVER

ASSEMBLY - switch engage

1шт.

43

1329371C1

PLATE

- switch mounting

1шт.

44

180081

BOLT,Hex, 5/16"-18 x 1 1/4", G5

1шт.

45

180077

BOLT,Hex, 5/16" - 18 x 3/4", Gr 5

- hex, 5/16 NC x 3/4 inch

1шт.

46

NLS

NO LONGER SERVICED

- flat, 17/32 x 1-1/16 x 5/64 inch

1шт.

47

27825R1

SPACER,8.5mm ID x 12.7mm OD x 12.7mm L

1шт.

48

446363

WASHER,5/16"

- flat, 3/8 x 7/8 x 1/16 inch

1шт.

49

120367

NUT,Hex, 1/4" - 28, Gr 5

- hex, 1/4 inch NF

1шт.

Выбрано товаров: 49