Запчасти Case IH 1844 (6-26) - HYDROSTATIC PUMP, 1844 COTTON PICKER (03) - POWER TRAIN

Схема запчастей Case IH 1844 - (6-26) - HYDROSTATIC PUMP, 1844 COTTON PICKER (03) - POWER TRAIN
22
4
24
30
2
16
30
20
48
12
24
28
29
29
42
5
33
35
26
44
40
42
37
1
38
27
33
37
38
34
23
41
24
21
17
31
35
43
39
28
27
11
3
25
31
5
14
18
34
19
FIT
1:1
100%

Артикул

Название

Примечание

Количество

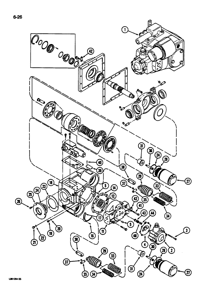
1

1272030C92

REMAN-HYD PUMP

PUMP ASSEMBLY - hydrostatic, remanufactured (North America Only)

1шт.

1

1272029C92

PUMP

ASSEMBLY - hydrostatic, new

1шт.

2

REF

INSTRUCTION

PUMP - charge (See Page 6-41)

1шт.

3

186271

SCREW,Hex, 5/16" - 18 x 3 3/4", Gr 5

BOLT - hex, 5/16 NC x 3-3/4 inch

4шт.

4

133760C1

GASKET

- pump

1шт.

5

140754C1

PIN

- dowel, 5/16 x 5/8 inch

3шт.

11

NSS

NOT SOLD SEPARAT

COVER - end (Order 1272030C92)

1шт.

12

142398C91

SHIM KIT

KIT - shim

1шт.

NSS

NOT SOLD SEPARAT

SHIM - 0.003 inch

1шт.

NSS

NOT SOLD SEPARAT

SHIM - 0.005 inch

1шт.

NSS

NOT SOLD SEPARAT

SHIM - 0.010 inch

1шт.

NSS

NOT SOLD SEPARAT

SHIM - 0.015 inch

1шт.

NSS

NOT SOLD SEPARAT

SHIM - 0.020 inch

1шт.

NSS

NOT SOLD SEPARAT

SHIM - 0.030 inch

1шт.

14

92741C1

GASKET

- cover

1шт.

16

28144R1

HEX SOC SCREW,#8 - 32 x 3/8"

SCREW - hex Allen, No. 8 x 3/8 inch

6шт.

17

142408C1

RETAINER

- servo

2шт.

18

NSS

NOT SOLD SEPARAT

HOUSING - pump (Order 1272030C92)

1шт.

19

NSS

NOT SOLD SEPARAT

PLUG - housing (order 1272030C92)

1шт.

20

NSS

NOT SOLD SEPARAT

O-RING - plug

1шт.

21

NSS

NOT SOLD SEPARAT

PLUG - housing (Order 1272030C92)

1шт.

22

NSS

NOT SOLD SEPARAT

O-RING - PLUG

1шт.

23

142386C91

SHIM KIT

KIT - shim

1шт.

NSS

NOT SOLD SEPARAT

SHIM - 0.002 inch

6шт.

NSS

NOT SOLD SEPARAT

SHIM - 0.005 inch

4шт.

NSS

NOT SOLD SEPARAT

SHIM - 0.010 inch

4шт.

NSS

NOT SOLD SEPARAT

SHIM - 0.015 inch

4шт.

NSS

NOT SOLD SEPARAT

SHIM - 0.025 inch

4шт.

24

707220R1

O-RING,0.139" Thk x 2.984" ID, -234, Cl 5, 75 Duro

- 3 x 3-1/4 x 1/8 inch

4шт.

25

NSS

NOT SOLD SEPARAT

TRUNNION - (Order 1272030C92)

2шт.

26

179857

BOLT,Hex, 7/16" - 14 x 7/8", Gr 5

- hex, 7/16 NC x 7/8 inch

6шт.

27

142407C1

KIT

SLEEVE - servo

2шт.

28

285724R1

O-RING,0.139" Thk x 3.359" ID, -237, Cl 5, 75 Duro

- 3-3/8 x 3-5/8 x 1/8 inch

2шт.

29

224669C91

PISTON

ASSEMBLY - servo

1шт.

30

NSS

NOT SOLD SEPARAT

SCREW - hex socket (order 224669C91)

1шт.

31

NSS

NOT SOLD SEPARAT

RETAINER - spring (Order 224669C91)

1шт.

33

NSS

NOT SOLD SEPARAT

SPRING - heavy (Order 224669C91)

1шт.

34

NSS

NOT SOLD SEPARAT

SPRING - light (Order 224669C91)

1шт.

35

NSS

NOT SOLD SEPARAT

PIN - link

1шт.

37

NSS

NOT SOLD SEPARAT

RING - retaining

2шт.

38

NSS

NOT SOLD SEPARAT

LINK - piston

1шт.

39

NSS

NOT SOLD SEPARAT

PLATE - identification

1шт.

40

NSS

NOT SOLD SEPARAT

SCREW - drive

1шт.

41

179870

BOLT,Hex, 7/16" - 14 x 3", Gr 5

- hex, 7/16 NC x 3 inch

6шт.

42

NSS

NOT SOLD SEPARAT

STRAP - shipping

2шт.

43

140769C1

CHECK VALVE

VALVE - check

2шт.

44

140770C1

RING

- back-up

2шт.

48

377952R1

O-RING,0.103" Thk x 0.549" ID, -113, Cl 6, 90 Duro

- 9/16 x 3/4 x 3/32 inch

2шт.

Выбрано товаров: 48