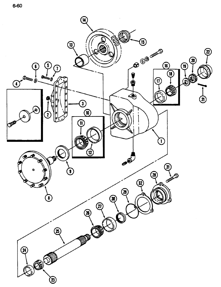
Запчасти Case IH 1844 (6-60) - FINAL DRIVE, 1844 COTTON PICKER (03) - POWER TRAIN

Схема запчастей Case IH 1844 - (6-60) - FINAL DRIVE, 1844 COTTON PICKER (03) - POWER TRAIN
3
17
2
11
20
22
29
5
25
8
9
15
27
21
19
13
14
24
16
7
28
1
4
10
26
6
30
18
32
31
23
12
FIT
1:1
100%

Артикул

Название

Примечание

Количество

80631C93

DRIVE

ASSEMBLY - final

2шт.

1

86851C2

HOUSING

- drive

1шт.

2

9409947

DRAIN PLUG,Sq Soc, 3/4"-14 NPTF

PLUG - pipe, 3/4 inch PT

1шт.

3

86839C2

COVER

- housing

1шт.

4

24861R1

BOLT,Hex, 1/2" - 13 x 1 1/4", Gr 8

- hex, 1/2 NC x 1-1/2 inch, Grade 8

12шт.

5

140483H

BOLT,Hex, 3/8" - 16 x 1 1/4", Gr 8, Full Thd

6шт.

6

26273R1

WASHER

- flat, hardened

12шт.

7

25896R1

WASHER,13/32" x 13/16" x .09", HDN

- flat, hardened

6шт.

8

1315484C91

SHAFT

- drive (Replaces 1277042C93)

1шт.

9

401905R91

OIL SEAL,98.93mm ID x 152.58mm OD x 15.88mm Thk

- oil

1шт.

10

283445C91

BEARING ASSY,85.03mm ID x 150.09mm OD x 44.4.5mm W

ASSEMBLY - outer

1шт.

11

NSS

NOT SOLD SEPARAT

CONE - bearing (Order 283445C91) 3-11/32 inch ID

1шт.

12

NSS

NOT SOLD SEPARAT

CUP - bearing (Order 283445C91) 5-29/32 inch OD

1шт.

13

87064C1

SPACER

- gear (Replaces 401906R1)

1шт.

14

87184C1

PINION

GEAR - drive, 76 teeth (Replaces 1285959C1)(Also order 87064C1)

1шт.

15

401908R2

SPACER

- drive

1шт.

16

66116R91

BEARING ASSY,66.67mm ID x 112.71mm OD x 30.16mm W

ASSEMBLY - inner

1шт.

17

NSS

NOT SOLD SEPARAT

CUP - bearing (Order 66116R91) 4-7/16 inch OD

1шт.

18

NSS

NOT SOLD SEPARAT

CONE - bearing (Order 66116R1) 2-5/8 inch ID

1шт.

19

403896R1

WASHER

WASHER - drive

1шт.

20

147030R1

SLOTTED NUT

- retaining

1шт.

21

17233R1

COTTER PIN,1/8" x 2 1/2"

1/8" x 2 1/2"

1шт.

22

403895R1

COVER

CAP - shaft

1шт.

23

401911R91

BEARING ASSY,44.45mm ID x 31.75mm W

CONE - bearing shaft, 1-3/4 inch ID

1шт.

24

61012R1

BEARING, CUP,93.66mm OD x 25.4mm W

CUP - bearing shaft, 3-11/16 inch OD

1шт.

25

1285945C2

SHAFT

- pinion, 12 Teeth

1шт.

26

M53320

BEARING ASSY

CONE - bearing shaft, 2-1/4 inch ID

1шт.

27

50320R1

BEARING CUP

CUP - bearing shaff, 4-1/8 inch OD

1шт.

28

86845C1

CAGE

- bearing

1шт.

29

257642R1

O-RING,0.139" Thk x 4.234" ID, -244, Cl 5, 75 Duro

- cage, 4-1/4 x 4-5/8 x 1/8 inch

1шт.

30

196452C1

OIL SEAL

- oil

1шт.

31

26499R1

BOLT,Hex, 3/8" - 16 x 1 3/4", Gr 8

- hex, 3/8 NC x 3-1/4 inch, Grade 8

3шт.

32

86895C1

SHIM,117.4mm ID x 136.2mm OD x 0.08mm Thk

- bearing, 0.003 inch

1шт.

32

86896C1

SHIM,117.4mm ID x 136.2mm OD x 0.13mm Thk

- bearing, 0.005 inch

1шт.

32

86897C1

SHIM,117.4mm ID x 136.2mm OD x 0.18mm Thk

- bearing, 0.007 inch

1шт.

32

86898C1

SHIM,117.4mm ID x 136.2mm OD x 0.76mm Thk

- bearing, 0.030 inch

1шт.

Выбрано товаров: 36