Запчасти Case IH 2022 (4-40) - BASKET CONTROL HANDLE (06) - ELECTRICAL SYSTEMS

Схема запчастей Case IH 2022 - (4-40) - BASKET CONTROL HANDLE (06) - ELECTRICAL SYSTEMS
12
4
8
16
6
11
5
9
19
11
18
7
14
18
2
5
18
1
15
17
13
10
18
3
FIT
1:1
100%

Артикул

Название

Примечание

Количество

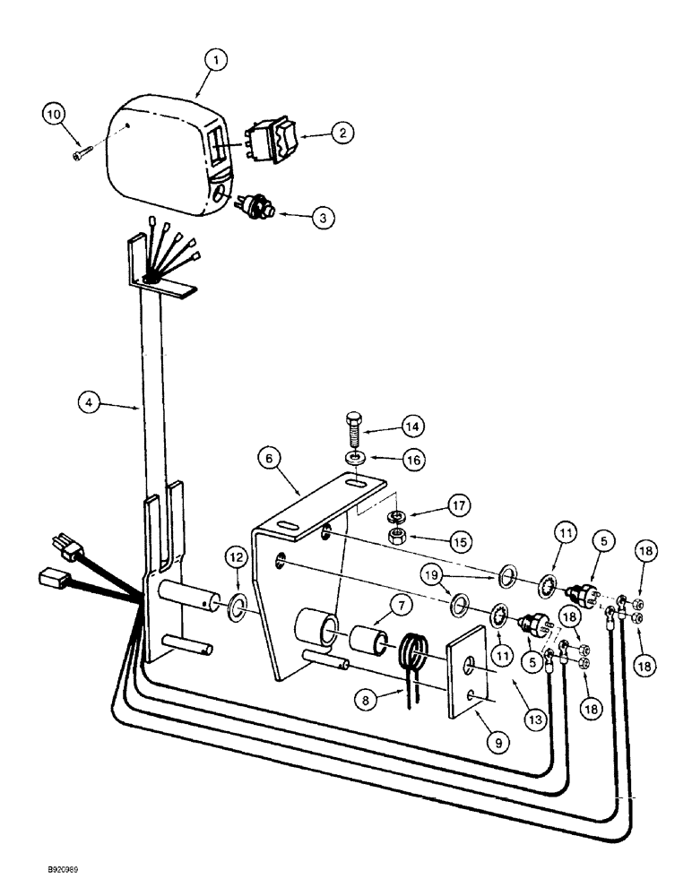
1

1278951C91

HANDLE

- basket control

1шт.

2

91926C1

SWITCH

- basket raise and lower

1шт.

3

245846C1

SWITCH

- basket unloader

1шт.

4

245170C3

LEVER

HANDLE AND HARNESS - basket control

1шт.

5

8025637

SWITCH

- basket door open and close (Replaces switch 367098C91 )

2шт.

6

1285217C91

SUPPORT

BRACKET ASSEMBLY - basket lever mounting

1шт.

7

1288560C1

BUSHING

- pivot

1шт.

8

1285242C1

SPRING

- basket control torsion

1шт.

9

1285241C1

LARGE PLATE

PLATE - spring cover

1шт.

10

61-3068

HEX SOC SCREW,#6 - 32 x 1/2"

BOLT - hex socket, No. 6 NC x 1/2 inch

3шт.

11

393-21059

LOCK WASHER,Int Tooth, 9/16"

- internal lock, 9/16 inch

2шт.

12

495-81177

WASHER,21/32" x 1" x .030"

- flat, 21/32 x 1 x 1/32 inch

1шт.

13

432-1216

COTTER PIN,3/16" x 1"

1шт.

14

312-616

CARRIAGE BOLT,Sht Sq Nk, 3/8" - 16 x 1", Gr 2

BOLT - carriage, 3/8 NC x 1 inch, grade 2

2шт.

15

425-106

NUT,3/8"-16, Cl 5

2шт.

16

495-21044

WASHER,3/8"

(flat, 7/16 x 1 x 5/64 inch) 3/8"

2шт.

17

492-11038

LOCK WASHER,3/8"

2шт.

18

193-1002

NUT,Keps, #8 - 32, w/ Ext Tooth LW

- hex, with external tooth lock washer, No. 8 NC

4шт.

19

495-81170

WASHER,0.59" ID x 0.94" OD x 0.02" Thk

- flat, 19/32 x 15/16 x 1/64 inch

2шт.

Выбрано товаров: 19