Запчасти Case IH 2022 (4-62) - WINDSHIELD WIPER (06) - ELECTRICAL SYSTEMS

Схема запчастей Case IH 2022 - (4-62) - WINDSHIELD WIPER (06) - ELECTRICAL SYSTEMS
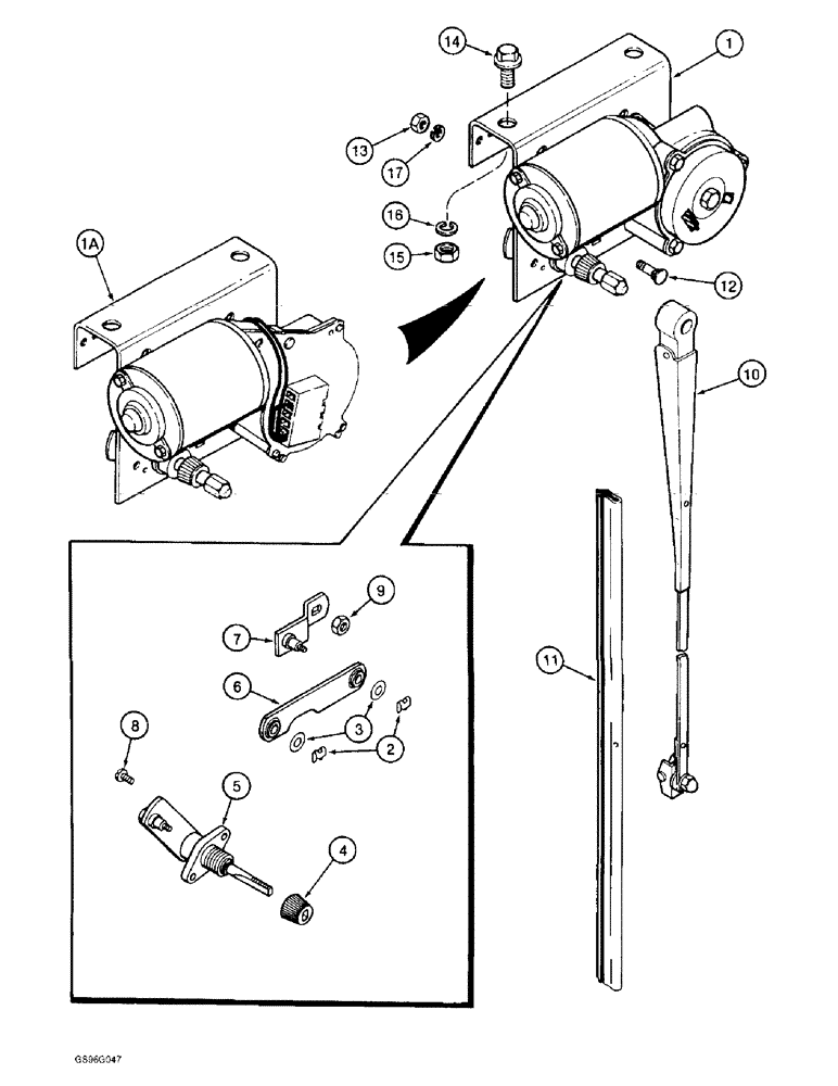
9
10
1a
1
6
8
13
5
7
11
17
16
3
2
12
14
15
4
FIT
1:1
100%

Артикул

Название

Примечание

Количество

1

1276130C92

WIPER MOTOR

MOTOR ASSEMBLY - wiper, includes bracket, no longer available, order motor 109740A1 and harness 115400A1 below

1шт.

1a

109740A1

WIPER MOTOR

MOTOR - wiper (Replaces motor assembly 1276130C92)

1шт.

115400A1

HARNESS

- adapter, wiper motor

1шт.

2

739487C1

CLIP

- spring

2шт.

3

148074R1

WASHER

- flat, hardened

2шт.

4

1267556C1

BUTTON

NUT - knurled drive

1шт.

5

NSS

NOT SOLD SEPARAT

SHAFT - upper, includes pivot

1шт.

6

NSS

NOT SOLD SEPARAT

LINK - connecting

1шт.

7

NSS

NOT SOLD SEPARAT

ARM - drive

1шт.

8

NSS

NOT SOLD SEPARAT

SCREW - special, includes washer

2шт.

9

NSS

NOT SOLD SEPARAT

NUT - retaining

1шт.

10

1321282C1

ARM

- wiper, 18 inch (457 mm) long

1шт.

11

1327520C1

WIPER BLADE

BLADE - wiper, 22 inch (559 mm) long

1шт.

12

412-416

CARRIAGE BOLT,Short Sq Nk 1/4" - 20 x 1", Gr 2

BOLT - carriage, 1/4 NC x 1 inch, grade 2

1шт.

13

425-104

NUT,1/4"-20, Cl 5

- hex, 1/4 inch NC

1шт.

14

1327763C1

SCREW,Hex Wshr Hd, 3/8" - 16 x 3/4"

- hex washer head, 3/8 NC x 3/4 inch

2шт.

15

425-106

NUT,3/8"-16, Cl 5

2шт.

16

492-11038

LOCK WASHER,3/8"

2шт.

17

492-11025

LOCK WASHER,1/4"

WASHER, LOCK, 1/4"

1шт.

1267542C91

PACKAGE

KIT - wiper linkage

1шт.

Выбрано товаров: 0