Запчасти Case IH 2022 (1-12) - PICTORIAL INDEX, STEERING SYSTEM (00) - PICTORIAL INDEX

Схема запчастей Case IH 2022 - (1-12) - PICTORIAL INDEX, STEERING SYSTEM (00) - PICTORIAL INDEX
10
1
17
7
2
18
3
13
3
4
6
9
14
16
5
8
15
11
12
FIT
1:1
100%

Артикул

Название

Примечание

Количество

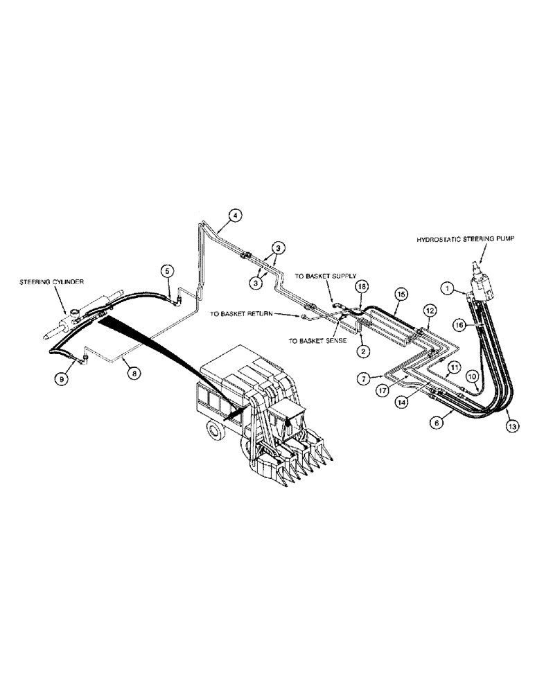
1

Left-Hand Turn Front Hose, Pg 5-5

1шт.

2

Left-Hand Turn First Tube, Pg 5-5

1шт.

3

Left-Hand and Right-Hand Turn Second Tube, Pg 5-5

1шт.

4

Left-Hand Turn Third Tube, Pg 5-5

1шт.

5

Left-Hand Turn Rear Hose, Pg 5-5

1шт.

6

Right-Hand Turn Front Hose, Pg 5-5

1шт.

7

Right-Hand Turn First Tube, Pg 5-5

1шт.

8

Right-Hand Turn Third Tube, Pg 5-5

1шт.

9

Right-Hand Turn Rear Hose, Pg 5-5

1шт.

10

Steering Sense Hose, Pg 5-7

1шт.

11

Steering Sense Front Tube, Pg 5-7

1шт.

12

Steering Sense Rear Tube, Pg 5-7

1шт.

13

Steering Supply Hose, Pg 5-7

1шт.

14

Steering Supply Front Tube, Pg 5-7

1шт.

15

Steering Supply Rear Hose, Pg 5-7

1шт.

16

Steering Return Hose, Pg 5-7

1шт.

17

Steering Return Front Tube, Pg 5-7

1шт.

18

Steering Return Rear Tube, Pg 5-7

1шт.

Выбрано товаров: 18