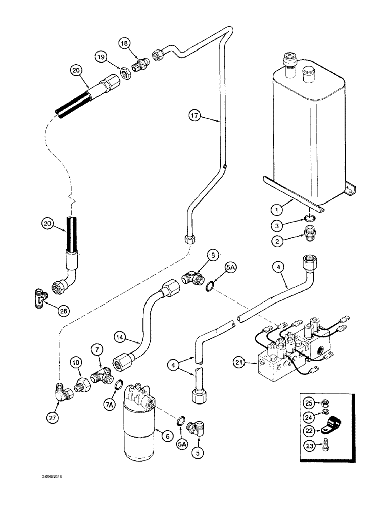
Запчасти Case IH 2022 (8-80) - HYDRAULIC RETURN SYSTEM TO RESERVOIR, 2022 COTTON PICKER (07) - HYDRAULICS

Схема запчастей Case IH 2022 - (8-80) - HYDRAULIC RETURN SYSTEM TO RESERVOIR, 2022 COTTON PICKER (07) - HYDRAULICS
6
14
22
24
3
5a
5a
4
26
23
25
27
5
20
7a
1
7
17
10
2
21
18
5
4
19
20
FIT
1:1
100%

Артикул

Название

Примечание

Количество

1

1272252C93

TANK, HYDRAULIC OIL

RESERVOIR ASSEMBLY - hydraulic, parts list page 8-3

1шт.

2

218-5072

HYD CONNECTOR,1-5/8" - 12 Male JIC x 1-5/8" - 12 Male ORB

ADAPTER - straight, 1-5/8-12 inch flare x O-ring boss

1шт.

3

237-6020

O-RING,0.118" Thk x 1.475" ID, -920, Cl 6, 90 Duro

20-1, 90 Duro, 1.475" ID x .118" Thk

1шт.

4

1329213C2

HYD TUBE

TUBE - filter inlet

1шт.

5

218-5112

ELBOW,90 Degree Elbow, 1-5/8" - 12 Male JIC x 1-5/8" - 12 Male ORB

- 90 degre, 1-5/8-12 inch flare x adjustable O-ring boss (Replaces elbow 9410982)

2шт.

5a

237-6020

O-RING,0.118" Thk x 1.475" ID, -920, Cl 6, 90 Duro

20-1, 90 Duro, 1.475" ID x .118" Thk

2шт.

6

REF

INSTRUCTION

FILTER ASSEMBLY - auxiliary return, parts list page 8-7

1шт.

7

218-5188

TEE,1-5/8" - 12 Male JIC x 1-5/8" - 12 Male JIC x 1-5/8" - 12 Male ORB

- 1-5/8-12 inch adjustable O-ring branch x flare x flare

1шт.

7a

237-6020

O-RING,0.118" Thk x 1.475" ID, -920, Cl 6, 90 Duro

20-1, 90 Duro, 1.475" ID x .118" Thk

1шт.

10

1285772C1

FITTING

- reducer, 1-1/4 to 1 inch

1шт.

14

1285439C2

TUBE,1.25" OD, 267,252 mm Length

- valve tank

1шт.

17

1338924C1

TUBE

- basket tank, upper

1шт.

18

218-678

FITTING,Blkhd, 1 5/16"-12, 37 Degree x 1 5/16"-12, 37 Degree

ADAPTER - straight, 1-5/16-12 inch flare x bulkhead flare (Replaces union 9403259)

1шт.

19

218-1250

BHD LOCK NUT,Blkhd, 1 5/16"-12

NUT, LOCK, Blkhd, 1 5/16"-12 (Replaces nut 9403298)

1шт.

20

1285398C3

HOSE

- basket return

1шт.

21

1340837C2

VALVE

ASSEMBLY - manifold valve, parts list page 8-29

1шт.

22

515-23254

CLAMP,1", Insul, 3/8" Bolt

P-type 1", Insul, 3/8" Bolt

2шт.

23

413-612

BOLT,Hex, 3/8" - 16 x 3/4", Gr 5

2шт.

24

492-11038

LOCK WASHER,3/8"

2шт.

25

425-106

NUT,3/8"-16, Cl 5

2шт.

26

218-598

TEE,1 5/16"-12 37 Degree

- 1-5/16-12 inch flare

1шт.

27

218-5234

ELBOW,90 Degree, 1 5/16"-12, 37 Degree x 1 5/16"-12, 37 Degree Fem Sw

- 90 degree, 1-5/16-12 inch flare x swivel flare (Replaces elbow 9410285)

1шт.

Выбрано товаров: 0