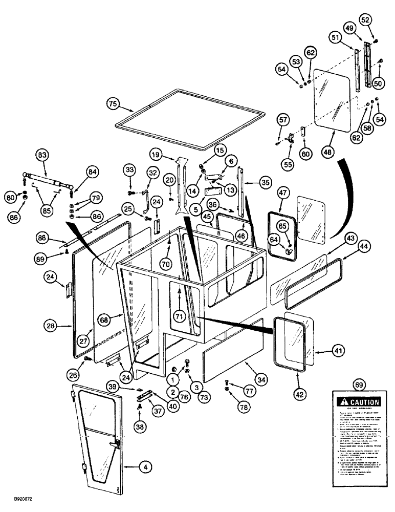
Запчасти Case IH 2022 (9E-10) - CAB FRAME (10) - CAB & AIR CONDITIONING

Схема запчастей Case IH 2022 - (9E-10) - CAB FRAME (10) - CAB & AIR CONDITIONING
13
53
54
41
71
77
37
38
39
14
19
1
52
26
78
85
86
70
60
3
33
2
62
42
80
34
79
44
45
5
55
75
35
69
15
51
50
27
76
57
24
32
89
20
64
48
28
88
40
65
46
54
36
83
86
4
47
24
24
43
73
6
25
58
49
84
68
62
FIT
1:1
100%

Артикул

Название

Примечание

Количество

1323784C1

CAB

ASSEMBLY - operators, with heater and air conditioning

1шт.

1

1327763C1

SCREW,Hex Wshr Hd, 3/8" - 16 x 3/4"

- hex washer head, 3/8 NC x 3/4 inch

8шт.

2

1327764C1

BOLT,Hex Wshr Hd, 3/8" - 16 x 1 1/4"

BOLT - hex flange, polyseal, 3/8 NC x 1-1/4 inch

8шт.

3

1327765C1

LOCK NUT

- hex flange, self-locking, 3/8 inch NC

18шт.

4

REF

INSTRUCTION

DOOR - cab, see page 9D-15

1шт.

5

A177462

MIRROR

- interior rear view (Replaces mirror 66518C1)

1шт.

6

1329283C1

ANGLE BAR

BRACKET - mounting

1шт.

13

143306C1

SELF-TAP SCREW,Cross Pan Hd, #10 x 1/2"

SCREW - pan head cross slotted, No. 10-16 x 1/2 inch, polyseal

2шт.

14

492-11031

LOCK WASHER,5/16"

WASHER, LOCK, 5/16"

1шт.

15

329-105

NUT,5/16"-18, G8

1шт.

19

1276305C1

SUPPORT

- hose cover, left-hand

1шт.

20

261-1356

SELF-TAP SCREW,Cross Pan Hd, #10 x 3/8"

SCREW - self-tapping, pan Phillips, No. 10 NC x 3/8 inch

6шт.

24

196742C3

LARGE PLATE

SUPPORT - windshield retainer

7шт.

25

313-58

BOLT,Hex, 5/16" - 18 x 1/2", Gr 5

- hex, 5/16 NC x 1/2 inch

2шт.

26

313-512

BOLT,Hex, 5/16" - 18 x 3/4", Gr 5

- hex, 5/16 NC x 3/4 inch

8шт.

27

1957276C1

GLASS

- cab windshield

1шт.

28

NSS

NOT SOLD SEPARAT

STRIP - windshield glass, 225 inch (5715 mm) long, cut from bulk seal 198131C2 below

1шт.

32

1321545C1

HANDLE

- grab

1шт.

33

313-516

BOLT,Hex, 5/16" - 18 x 1", Gr 5

- hex, 5/16 NC x 1 inch grade 8

2шт.

34

1321286C3

LINING

SHEET - foam insulation

1шт.

35

1987173C1

PANEL ASSY.

SUPPORT - filler, right-hand

1шт.

36

261-1356

SELF-TAP SCREW,Cross Pan Hd, #10 x 3/8"

SCREW - self-tapping, pan Phillips, No. 10 NC x 3/8 inch

6шт.

37

1301129C1

DOOR

- clean out

1шт.

38

377363R2

THUMB SCREW,1/4" - 20 x 3/4"

- clean out cover

2шт.

39

1301128C2

SPRING NUT,U, 1/4" - 20 x 23.37mm, Gr 5

- U-type, 1/4 inch NC

2шт.

40

NSS

NOT SOLD SEPARAT

STRIP - clean out door seal, 9-11/16 inch (246 mm) long, cut from bulk seal 1300025C1 below

1шт.

41

198244C1

GLASS

- left-hand rear

1шт.

42

NSS

NOT SOLD SEPARAT

STRIP - cab left rear glass, 87 inch (2210 mm) long, cut from bulk seal 198131C2 below

1шт.

43

198247C1

GLASS

- cab rear

1шт.

44

NSS

NOT SOLD SEPARAT

STRIP - cab rear glass, 123 inch (3124 mm) long, cut from bulk seal 198131C2 below

1шт.

45

198184C1

GLASS

- cab, right-hand front

1шт.

46

NSS

NOT SOLD SEPARAT

STRIP - cab right front glass, 130 inch (3302 mm) long, cut from bulk seal 198131C2 below

1шт.

198131C2

SEAL, GLASS

SEAL - bulk, 120 inch (3048 mm) sold by the foot

1шт.

1263038C1

SEAL,7620mm L

- bulk, 300 inch (7620 mm) long, sold by the foot

1шт.

1300025C1

GASKET

SEAL - bulk, 50 foot (15240 mm) long

1шт.

Выбрано товаров: 35