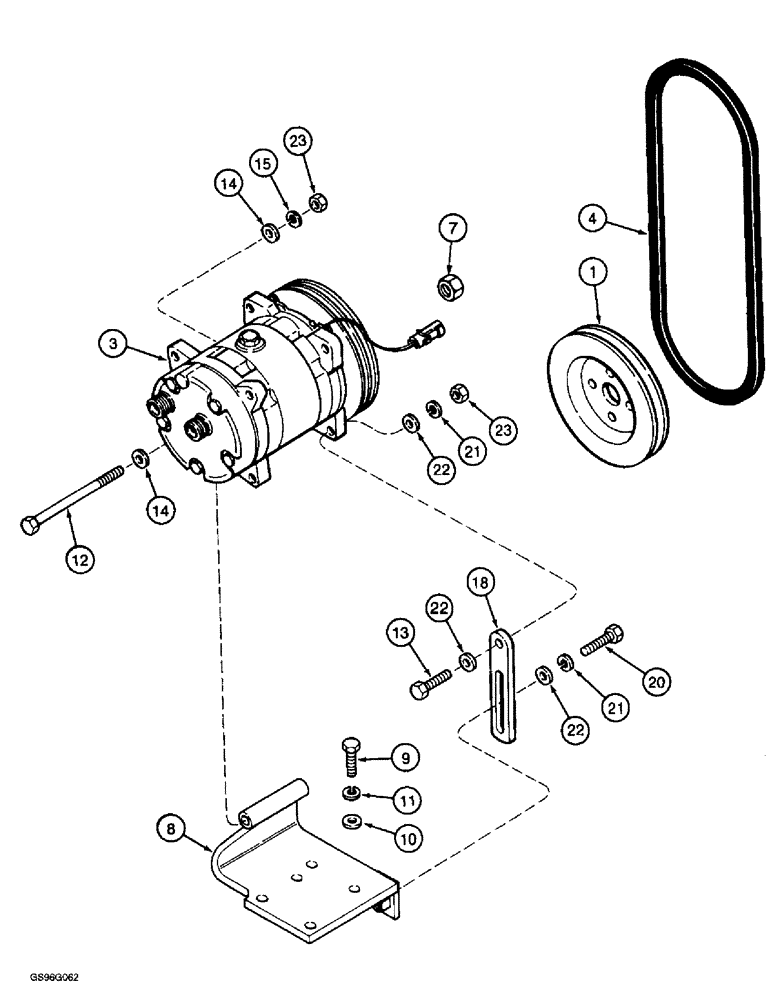
Запчасти Case IH 2022 (9E-32) - COMPRESSOR MOUNTING AND PULLEY, 2022 COTTON PICKER (10) - CAB & AIR CONDITIONING

Схема запчастей Case IH 2022 - (9E-32) - COMPRESSOR MOUNTING AND PULLEY, 2022 COTTON PICKER (10) - CAB & AIR CONDITIONING
21
12
10
13
18
23
4
23
20
8
15
7
22
3
22
9
21
11
22
14
1
14
FIT
1:1
100%

Артикул

Название

Примечание

Количество

1

A184596

PULLEY

- drive, used with compressor 1977959C1

1шт.

1

A189155

PULLEY

- drive, used with compressor 1999755C2

1шт.

3

REF

INSTRUCTION

COMPRESSOR - air conditioning, parts list page 9E-37

1шт.

4

1250587C1

V-BELT,0.50" W

Compressor Drive 0.50" W

1шт.

4

131403C1

V-BELT,0.50" W x 38.50" L

Drive, 38-/12 Inch Long 0.50" W x 38.50" L

1шт.

7

832-41310

NUT,M10 x 1.5, Cl 10

NUT - hex, self-locking, 10 mm - 1.5, class 10, Used with compressor 1999755C2

1шт.

8

A189290

SUPPORT

- compressor mounting

1шт.

9

614-10030

BOLT,Hex, M10 x 1.5 x 30mm, Cl 8.8, Full Thd

4шт.

10

896-12010

WASHER,11mm ID x 21mm OD x 2.5mm Thk

- flat, 11 x 21 x 2.5 mm, hardened, two used with compressor 1999755C2, four used with compressor 1977959C1

1шт.

11

892-11010

LOCK WASHER,M10

3 used with compressor 1999755C2, 4 used with compressor 1977959C1 M10

1шт.

12

814-10130

BOLT,Hex, M10 x 1.5 x 130mm, Cl 8.8

- hex, 10 - 1.5 x 130 mm

1шт.

13

614-10035

BOLT,Hex, M10 x 1.5 x 35mm, Cl 8.8, Full Thd

1шт.

14

896-12010

WASHER,11mm ID x 21mm OD x 2.5mm Thk

- flat, 11 x 21 x 2.5 mm, hardened

2шт.

15

892-11010

LOCK WASHER,M10

1шт.

18

84716C1

SUPPORT

STRAP - adjusting

1шт.

20

614-10035

BOLT,Hex, M10 x 1.5 x 35mm, Cl 8.8, Full Thd

1шт.

21

892-11010

LOCK WASHER,M10

2шт.

22

896-12010

WASHER,11mm ID x 21mm OD x 2.5mm Thk

- flat, 11 x 21 x 2.5 mm, hardened

3шт.

23

829-1410

NUT,M10 x 1.5, Cl 10.9

2шт.

Выбрано товаров: 19