Запчасти Case IH 2022 (9A-04) - DRUM DRIVE (13) - PICKING SYSTEM

Схема запчастей Case IH 2022 - (9A-04) - DRUM DRIVE (13) - PICKING SYSTEM
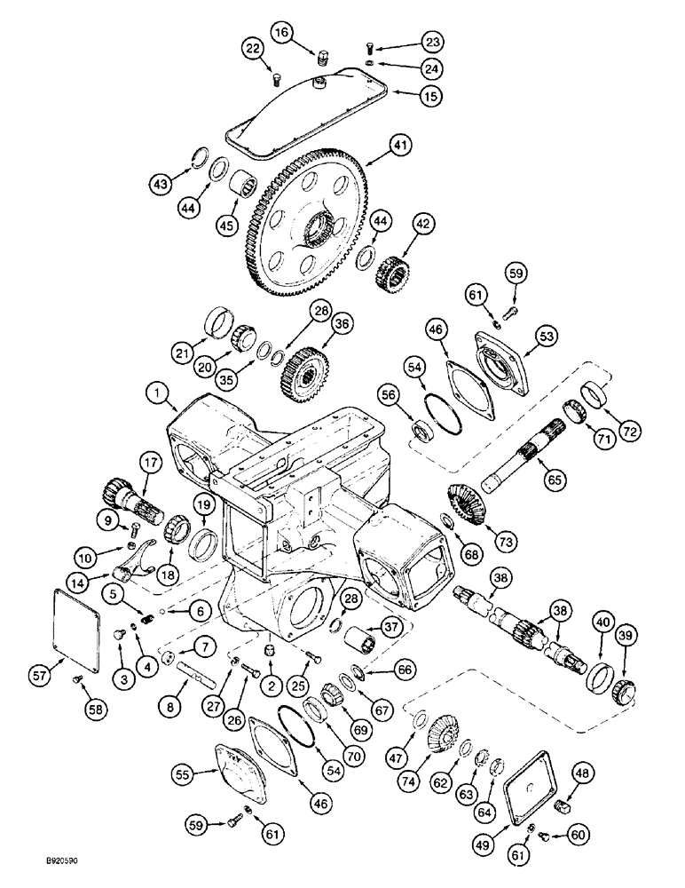
19
59
10
41
24
38
7
49
54
37
8
5
16
38
55
39
6
20
17
14
15
66
4
67
44
46
48
40
23
26
18
25
58
43
70
54
3
60
36
22
61
27
47
69
56
68
57
42
28
61
46
53
73
74
21
35
45
65
2
71
1
59
72
9
64
61
28
44
62
63
FIT
1:1
100%

Артикул

Название

Примечание

Количество

1963956C1

HOUSING

DRIVE ASSEMBLY - drum

1шт.

1

1963955C1

HOUSING

- drive

1шт.

2

221-887

PLUG

- square socket, 3/4 inch PT

3шт.

3

76349

PLUG,9/16" - 18 ORB

1шт.

5

121545C1

SPRING

- detent

1шт.

6

211-1012

BALL,3/8" Dia

- chrome alloy steel, 3/8 inch, grade 24

1шт.

7

G10450

OIL SEAL,19.05mm ID x 31.85mm OD x 6.35mm Thk

- oil (Replaces seal 549712R1)

1шт.

7

549712R1

OIL SEAL

- oil, no longer available, order seal G10450

1шт.

8

1286293C1

RAIL ASSY.

SHAFT - shift

1шт.

9

573985R1

SET SCREW,Sq Hd, 3/8"-24 x 1"

SCREW - set, 3/8 NF x 1 inch

1шт.

10

425-156

JAM NUT,Jam, 3/8"-24, G5

- hex jam, 3/8 inch NF

1шт.

14

395656R1

FORK

- first and third gear shifter

1шт.

15

587078R91

PAN ASSY.

COVER - housing

1шт.

16

217-442

PLUG,3/4" - 14

- hex socket, 3/4 inch PT (Replaces plug 444595)

1шт.

17

1963898C1

SHAFT

- input

1шт.

18

533729R91

ROLLER BEARING,1.968" ID x 3.2283" OD x 0.8465"

- tapered roller, inner, 1-31/32 inch ID

1шт.

19

376463C1

BEARING CUP

CUP - tapered roller bearing, inner, 3-15/64 inch OD

1шт.

20

871244R1

ROLLER BEARING

CONE - bearing, outer, 1-3/8 inch ID (Replaces cone 131311C91)

1шт.

21

131312C1

BEARING CUP

CUP - tapered roller bearing, outer, 2-27/32 inch OD

1шт.

22

413-612

BOLT,Hex, 3/8" - 16 x 3/4", Gr 5

10шт.

23

413-512

BOLT,Hex, 5/16" - 18 x 3/4", Gr 5

- hex, 5/16 NC x 3/4 inch

2шт.

24

95-11034

WASHER,1/4"

- flat, 11/32 x 11/16 x 1/16 inch

2шт.

25

326-720

BOLT,Hex, 7/16" - 14 x 1-1/4", Gr 8

5шт.

26

326-726

BOLT,Hex, 7/16" - 14 x 1-5/8", Gr 8

- hex, 7/16 NC x 1-5/8 inch, grade 8

3шт.

27

492-11044

LOCK WASHER,7/16"

WASHER, LOCK, 7/16"

3шт.

28

A21619

CIRCLIP

RING - snap

2шт.

35

93238C1

SHIM

- bearing, 0.110 inch

1шт.

35

93239C1

SHIM

SHIM - bearing, 0.112 inch

1шт.

35

93240C1

SHIM

SHIM - bearing, 0.114 inch

1шт.

35

93241C1

SHIM

SHIM - bearing, 0.116 inch

1шт.

35

93242C1

SHIM

SHIM - bearing, 0.118 inch

1шт.

35

94820C1

SHIM

- bearing, 0.120 inch

1шт.

35

94821C1

SHIM

- bearing, 0.122 inch

1шт.

35

94822C1

SHIM

- bearing, 0.124 inch

1шт.

35

94823C1

SHIM

- bearing, 0.126 inch

1шт.

35

94824C1

SHIM

- bearing, 0.128 inch

1шт.

35

94825C1

SHIM

- bearing, 0.130 inch

1шт.

36

1286289C2

PINION

GEAR - input, 39 tooth

1шт.

37

80644C91

SPLINED COUPLING

COUPLING - input pinion shaft, 21 tooth

1шт.

38

87152C1

SHAFT

- drive

1шт.

39

663557R91

BEARING ASSY,1.625" ID x 2.892" OD x 0.77"

CONE - tapered roller bearing, 1-5/8 inch ID

2шт.

40

663558R1

BEARING CUP

CUP - tapered roller bearing, 2-57/64 inch OD

2шт.

41

87153C2

GEAR

- output, 121 tooth (Replaces gear 87153C1)

1шт.

42

87151C1

COUPLING

- gear

1шт.

47

NSS

NOT SOLD SEPARAT

SHIM - 0.003 inch

4шт.

47

NSS

NOT SOLD SEPARAT

SHIM - 0.138 inch

1шт.

47

NSS

NOT SOLD SEPARAT

SHIM - 0.150 inch

1шт.

48

217-439

PLUG,Hex Soc, 1/2" - 14 NPTF

- hex socket, 1/2 inch PT (Replaces plug 438159)

2шт.

49

223857C1

COVER

- housing

2шт.

53

1286295C1

BEARING CAP

- bearing, outer

2шт.

54

238-5157

O-RING,0.103" Thk x 4.487" ID, -157, Cl 5, 75 Duro

4шт.

55

1286294C1

BEARING CAP,55 mm ID x 125.374 mm OD x 21, 15 mm

- bearing, inner

2шт.

56

358812R91

OIL SEAL

SEAL - oil

2шт.

57

1286302C1

COVER

- inspection

1шт.

58

413-48

BOLT,Hex, 1/4" - 20 x 1/2", Gr 5

- hex, 1/4 NC x 1/2 inch

4шт.

59

413-616

BOLT,Hex, 3/8" - 16 x 1", Gr 5

- hex, 3/8 NC x 1 inch

16шт.

60

413-612

BOLT,Hex, 3/8" - 16 x 3/4", Gr 5

8шт.

61

492-11038

LOCK WASHER,3/8"

24шт.

62

223864C1

WASHER

- gear

2шт.

63

192-306

LOCK WASHER,Type W-06

WASHER - bearing lock, SAE No. W-06

2шт.

64

131-1056

BEARING LOCK NUT,Bearing, 1.1811" Bore

NUT - bearing lock, TN-O6

2шт.

65

1286312C2

SHAFT

- 261 mm long

2шт.

66

100-16125

SNAP RING,#125, Ext

Ring, Snap, #125, Ext

2шт.

67

223866C1

WASHER

WASHER - flat, 32 x 45 x 2.5 mm

2шт.

68

103-16137

SNAP RING,#137. Ext

Ring, Snap, #137, Ext

2шт.

69

642955R91

BEARING ASSY,1.25" ID x 2.4409" OD x 0.75"

BEARING - tapered roller, inner, 1-1/4 inch ID

2шт.

70

642954R1

BEARING ASSY,1" ID x 2.441" OD x 0.8125"

CUP - tapered roller bearing, inner, 2-7/16 inch OD

2шт.

71

618023R91

BEARING ASSY,34.93mm ID x 18.2mm W

BEARING - tapered roller, outer, 1-3/8 inch ID (Replaces bearing G57452)

2шт.

72

618024R1

BEARING CUP,65.113mm OD x 13.97mm W

Tapered roller, Outer (Replaces cup G57451)

2шт.

92890C1

GEAR-SET

KIT - bevel gear

1шт.

73

NSS

NOT SOLD SEPARAT

GEAR - bevel, 24 tooth

1шт.

74

NSS

NOT SOLD SEPARAT

GEAR - bevel, 19 tooth

1шт.

4

237-6006

O-RING,0.078" Thk x 0.468" ID, -906, Cl 6, 90 Duro

6-1, 90 Duro, .468" ID x .078" Thk

1шт.

Выбрано товаров: 0