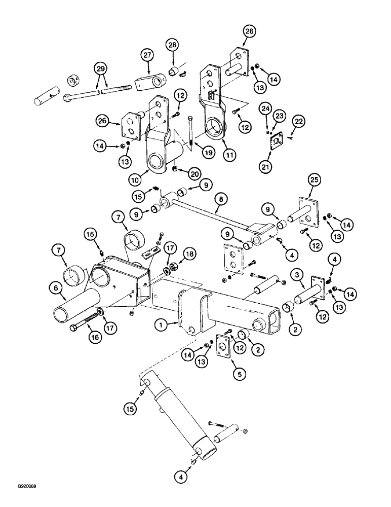
Запчасти Case IH 2022 (9A-64) - DRUM LIFT ARM, 2022 COTTON PICKER (13) - PICKING SYSTEM

Схема запчастей Case IH 2022 - (9A-64) - DRUM LIFT ARM, 2022 COTTON PICKER (13) - PICKING SYSTEM
26
28
13
14
13
14
15
13
1
4
14
17
12
15
29
2
3
4
7
8
18
19
15
9
25
12
9
5
9
16
14
12
17
27
10
4
20
14
2
24
11
12
6
7
26
9
23
21
13
22
12
13
FIT
1:1
100%

Артикул

Название

Примечание

Количество

1

1339219C2

ARM

ASSEMBLY - lift, left-hand

1шт.

1

1339220C2

ARM

ASSEMBLY - lift, right-hand

1шт.

2

669644R1

BUSHING

- arm

2шт.

3

221776C2

PIN

- arm

2шт.

4

219-55

LUBE NIPPLE,90 Degree Elbow, 1/8" - 27 NPTF

NIPPLE, LUBE, 90º, 1/8" NPT x .84" lg

1шт.

5

221778C1

SUPPORT

PLATE - pin

2шт.

6

1339226C3

TUBE

ARM ASSEMBLY - lift, left-hand

1шт.

6

1339227C3

TUBE

ARM ASSEMBLY - lift, right-hand

1шт.

7

177751C1

BUSHING,101.7mm ID x 106.36mm OD x 38.1mm L

- arm

2шт.

8

1278289C93

STEM

ROD ASSEMBLY - radius, rear (Replaces rod assembly 1278289C92)

2шт.

9

617924R1

BUSHING,41.3mm ID x 44.45mm OD x 44.7mm L

- rod

8шт.

10

1278463C2

TUBE,203.25 mm Length

- torsion, left-hand

1шт.

10

1339203C2

TUBE,375.91, 203.25 mm Length

- torsion, right-hand

1шт.

11

1278300C5

SUPPORT

- radius rod, left-hand

1шт.

11

1339199C3

SUPPORT

- radius rod, right-hand

1шт.

12

426-824

BOLT,Hex, 1/2" - 13 x 1-1/2", Gr 8

- hex, 1/2 NC x 1-1/2 inch, grade 8

1шт.

13

80679

LOCK WASHER,1/20.507 CST ZND

WASHER, LOCK, 1/2"

1шт.

13

396-41053

WASHER,13.49mm ID x 31.75mm OD x 5.05mm Thk

- flat, 17/32 x 1-1/4 x 3/16 inch, hardened

1шт.

14

429-108

NUT,1/2"-13, G8

- hex, 1/2 inch NC, grade 8

1шт.

15

219-1

LUBE NIPPLE,1/8" - 27 NPTF

FITTING - grease, straight, 1/8 PT x 21/32 inch (Replaces fitting 109461)

6шт.

16

25702R1

BOLT,3/4" x 8, Gr 8

- hex, 3/4 NC x 8 inch, grade 8

4шт.

17

495-11081

WASHER,3/4", SAE

8шт.

18

232-41112

NUT,3/4"-10, GC

NUT, LOCK, 3/4"-10, GC

4шт.

19

326-1088

BOLT,Hex, 5/8" - 11 x 5-1/2", Gr 8

2шт.

20

232-41110

NUT,5/8"-11, GC

NUT, LOCK, 5/8"-11, GC

2шт.

21

87632C2

LARGE PLATE

PLATE - harness

2шт.

22

413-412

BOLT,Hex, 1/4" - 20 x 3/4", Gr 5

- hex, 1/4 NC x 3/4 inch

2шт.

23

492-11025

LOCK WASHER,1/4"

WASHER, LOCK, 1/4"

2шт.

24

425-104

NUT,1/4"-20, Cl 5

- hex, 1/4 inch NC

2шт.

25

1278360C2

SHAFT

- upper

2шт.

26

1278415C1

SHAFT

- upper, inner, right-hand

2шт.

26

1338503C1

SHAFT

- upper, inner, left-hand

2шт.

27

1349842C2

END

ASSEMBLY - radius rod (Replaces end assembly 1349842C1)

2шт.

1994998C1

INSERT

- radius rod end

1шт.

28

617924R1

BUSHING,41.3mm ID x 44.45mm OD x 44.7mm L

- rod

1шт.

29

1349841C2

ROD

- front radius (Replaces rod 1349841C1)

2шт.

Выбрано товаров: 0