Запчасти Case IH 2022 (2-32) - TURBOCHARGER SYSTEM, 6TA-590 ENGINE (01) - ENGINE

Схема запчастей Case IH 2022 - (2-32) - TURBOCHARGER SYSTEM, 6TA-590 ENGINE (01) - ENGINE
4
27
25
10
8
6
33
3
26
32
26
27
7
31
2
28
9
5
24
29
24
11
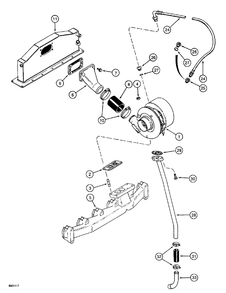
1
30
FIT
1:1
100%

Артикул

Название

Примечание

Количество

1

REF

INSTRUCTION

TURBOCHARGER ASSEMBLY - engine, see page 2-37 for correct assembly and parts list

1шт.

2

J901356

GASKET,0.5mm Thk

-, Serial Range: turbocharger-manifold

1шт.

3

J905417

STUD

- turbocharger mounting

4шт.

4

J901961

NUT

- hex, special, 10 mm - 1.25

4шт.

5

J901683

MANIFOLD

- exhaust, see page 2-29, item 1

1шт.

6

J906918

CONNECTION

- air crossover

1шт.

7

845-8025

BOLT,Hex Flg, M8 x 25mm, Cl 8.8

- heavy hex flange, 8 - 1.25 x 25 mm

4шт.

J918189

SEALING WASHER

WASHER - sealing, used with crossover connection bolt 845-8025

4шт.

8

J916166

INTAKE AIR HOSE

HOSE - air intake, 2-3/4 inch (17 mm) long

1шт.

9

J914856

GASKET,1.02mm Thk

- air crossover connection

1шт.

10

214-1428

HOSE CLAMP,#28, 1.31" - 2.25", Type F Worm

CLAMP, HOSE, , Adjustable #28, 1.31/2.25 Type F Worm

2шт.

11

J919806

AFTERCOOLER

- air intake, see page 2-29, item 4

1шт.

24

J918562

HOSE

- oil supply (Replaces hose J909548)

1шт.

222-993

GASKET,3/8 Tube, Fl, Copper

Used on both ends of oil supply hose 3/8 Tube, Fl, Copper

2шт.

25

A77457

FITTING

ADAPTER - special, supply hose, used on J915243 filter head, prior to engine serial number 44475085, see page 2-41

1шт.

26

J919687

HYD CONNECTOR

ADAPTER - female hex, special, one used to connect turbocharger oil supply hose to turbocharger, one used on J918954 filter head, engine serial number 44475085 and after, see page 2-41 (Replaces adapter J916857)

1-2шт.

27

238-5013

O-RING,0.07" Thk x 0.426" ID, -13, Cl 5, 75 Duro

-013, 70 Duro, .426" ID x .070" Thk

1шт.

28

J918579

TUBE

- turbocharger oil drain, upper

1шт.

29

J928919

GASKET

- turbocharger oil drain tube (Replaces gasket J914388)

1шт.

30

845-8020

BOLT,Hvy Hex, M8 x 20mm, Cl 8.8

- heavy hex flange, 8 - 1.25 x 20 mm

2шт.

31

J903745

LARGE HOSE

HOSE - turbocharger oil drain, 3 inch (76 mm) long

1шт.

32

214-1416

HOSE CLAMP,#16, 0.81" - 1.5", Type F Worm

CLAMP, HOSE, , Adj. #16, 0.81/1.50 Type F Worm

2шт.

33

J903744

PIPE FITTING,22.42 mm ID x 28 mm OD x 90.2, 64 mm L

TUBE - turbocharger oil drain

1шт.

Выбрано товаров: 23