Запчасти Case IH 2022 (2-52) - THERMOSTAT HOUSING AND WATER FILTER, 6TA-830 ENGINE (01) - ENGINE

Схема запчастей Case IH 2022 - (2-52) - THERMOSTAT HOUSING AND WATER FILTER, 6TA-830 ENGINE (01) - ENGINE
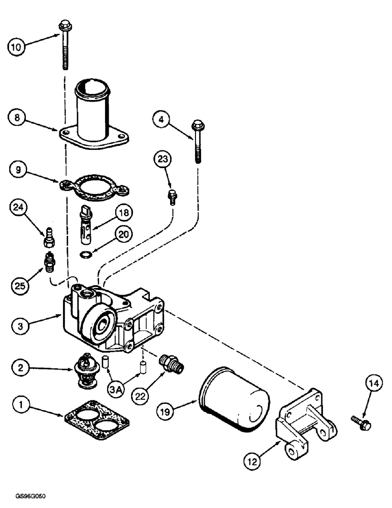
3a
19
3
14
9
23
25
12
22
4
2
18
20
24
8
1
10
FIT
1:1
100%

Артикул

Название

Примечание

Количество

1

J914310

GASKET,0.8mm Thk

- thermostat housing

1шт.

2

J928639

THERMOSTAT

- engine coolant, 90 degree Celsius (Replaces thermostat J907242)

2шт.

3

J913708

HOUSING

- thermostat, no longer available, order housing J924586, tube J924589 and adapter 222-22

1шт.

3

J924586

HOUSING

- thermostat, no longer available, order housing assembly J926509 below

1шт.

J924589

TUBE,6.35 mm OD x 112.6 mm L

- vent, used with housing J924586

1шт.

222-22

FITTING,1/2"-24 x 1/8" NPTF w/Nut

ADAPTER - compression, 1/4 tube OD x 1/8 inch PT

1шт.

J926509

HOUSING,Thermostat

ASSEMBLY - thermostat

1шт.

3

NSS

NOT SOLD SEPARAT

HOUSING - thermostat, order housing assembly J926509

1шт.

3a

180811A1

ROLL PIN

PIN - roll, special

2шт.

4

845-8080

BOLT,Hvy Hex, M8 x 80mm, Cl 8.8

- heavy hex flange, 8 - 1.25 x 80 mm

2шт.

8

J912800

CONNECTION

TUBE - water outlet

1шт.

9

J918779

GASKET,1.19mm Thk

- outlet tube (Replaces gasket A77705)

1шт.

10

845-8095

BOLT,Hvy Hex, M8 x 95mm, Cl 8.8

- heavy hex flange, 8 - 1.25 x 95 mm

2шт.

12

J918544

SUPPORT

- mounting, alternator

1шт.

14

845-8025

BOLT,Hex Flg, M8 x 25mm, Cl 8.8

- heavy hex flange, 8 - 1.25 x 25 mm

4шт.

18

J912837

COCK

VALVE - shutoff

1шт.

19

A77544

FILTER

- water conditioning, precharge

1шт.

20

238-5111

O-RING,0.103" Thk x 0.424" ID, -111, Cl 5, 75 Duro

1шт.

22

A77623

ADAPTER,3/4" - 10 x 11/16" - 16

- water filter

1шт.

23

845-6010

BOLT,Hvy Hex, M6 x 10mm, Cl 8.8

1шт.

24

J911925

COUPLING

- hose

1шт.

25

J911901

VALVE, CHECK

VALVE - check

1шт.

Выбрано товаров: 22