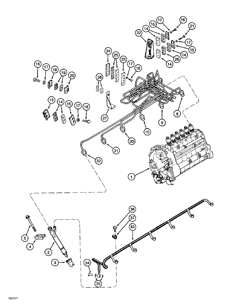
Запчасти Case IH 2022 (3-04) - FUEL INJECTION SYSTEM, 6TA-830 ENGINE (02) - FUEL SYSTEM

Схема запчастей Case IH 2022 - (3-04) - FUEL INJECTION SYSTEM, 6TA-830 ENGINE (02) - FUEL SYSTEM
15
15
22
16
24
38
35
33
15
10
3
16
16
31
14
17
16
32
17
34
37
8
14
5
23
2
25
4
20
9
21
13
1
16
18
19
14
28
17
17
26
30
27
14
FIT
1:1
100%

Артикул

Название

Примечание

Количество

1

JR915691

REMAN-INJECTION PUMP

PUMP ASSEMBLY - fuel injection, parts list page 3-13

1шт.

2

A77629

NOZZLE INJECTION

KIT - injector nozzle, parts list page 3-17

6шт.

3

J909886

SEAL,16.9mm ID x 22mm OD x 38mm L

SLEEVE - injector

6шт.

4

J910279

CLAMP

- fuel injector

6шт.

5

845-8080

BOLT,Hvy Hex, M8 x 80mm, Cl 8.8

- heavy hex flange, 8 - 1.25 x 80 mm

6шт.

8

J910693

FUEL TUBE,2 mm ID x 6.4 mm OD x 915.6 mm L

TUBE - fuel, No. 1 cylinder

1шт.

9

J910695

FUEL TUBE,2 mm ID x 6.4 mm OD x 915.6 mm L

TUBE - fuel, No. 2 cylinder

1шт.

10

J910697

INJECTION PIPE,2 mm ID x 6.4 mm OD x 915.6 mm L

TUBE - fuel, No. 3 cylinder

1шт.

13

J917716

BRACE

BRACKET - fuel tube

1шт.

14

J917747

CLAMP

- fuel tube

6шт.

15

J904519

SUPPORT

BRACE - tube retaining

3шт.

16

J920854

CAPTIVE WASHER SCREW,HWH, M5 x 0.8 x 24.5mm, Cl 8.8

SCREW, (Replaces bolt J917712 ) Hex Hd, M5 x .8 x 20, w/LW

9шт.

17

895-11005

WASHER,5.5mm ID x 10mm OD x 1mm Thk

(Replaces washer J903723) M5 x 10 x 1

12шт.

18

CURJ904711

CLAMP

BRACKET - fuel tube

1шт.

19

J917746

CLAMP

- fuel tube

2шт.

20

J917717

BRACE

BRACKET - fuel tube

1шт.

21

J920855

CAPTIVE WASHER SCREW

BOLT - hex, special (Replaces bolt J917713 )

2шт.

22

J917776

BRACE

BRACKET - fuel tube

1шт.

23

J910686

BRACE

- tube retaining

1шт.

24

J917740

BRACE

- tube retaining

1шт.

25

J917749

CLAMP

- tube

2шт.

26

J917748

CLAMP

- fuel tube

1шт.

27

J920656

SUPPORT

BRACE - tube retaining

1шт.

28

J919359

CLAMP

- vibration

2шт.

30

J911226

FUEL TUBE,2 mm ID x 6.4 mm OD x 915.6 mm L

TUBE - fuel, No. 4 cylinder

1шт.

31

J911228

FUEL TUBE,2 mm ID x 6.4 mm OD x 915.6 mm L

TUBE - fuel, No. 5 cylinder

1шт.

32

J911230

FUEL TUBE

TUBE - fuel, No. 6 cylinder

1шт.

33

J920595

TUBE ASSY.

MANIFOLD - fuel drain

1шт.

34

J924726

BANJO BOLT

VALVE - check (Replaces valve J916360 )

1шт.

35

J918188

WASHER,7.8mm ID x 13.5mm OD x 1.2mm Thk

- sealing (Replaces washer J903728 )

2шт.

37

J903380

SEAL

- connector

6шт.

38

J905307

BANJO BOLT,M6 x 1 x 14.30mm

BOLT, BANJO, , Drain, Special M6 x 1 x 14.3

6шт.

Выбрано товаров: 0