Запчасти Case IH 2022 (6-12) - FAN DRIVE HOUSING, PULLEY, AND HYDROSTATIC PUMP DRIVE PLATE (03) - POWER TRAIN

Схема запчастей Case IH 2022 - (6-12) - FAN DRIVE HOUSING, PULLEY, AND HYDROSTATIC PUMP DRIVE PLATE (03) - POWER TRAIN
16
9
14
20
4
14
28
10
3
8
2
31
8
15
11
21
11
1
17
9
12
5
15
18
10
17
29
30
FIT
1:1
100%

Артикул

Название

Примечание

Количество

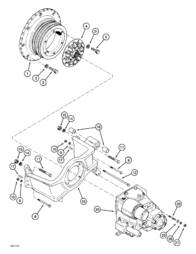
1

1338629C1

PULLEY

- drive, fan

1шт.

2

426-620

BOLT,Hex, 3/8" - 16 x 1-1/4", Gr 8

8шт.

3

392-21038

LOCK WASHER,3/8"

3/8"

8шт.

4

1288885C1

LARGE PLATE

PLATE - drive, 2022 Cotton Picker

1шт.

4

131366C1

LARGE PLATE

PLATE - drive, 2044 Cotton Picker

1шт.

5

326-612

BOLT,Hex, 3/8" - 16 x 3/4", Gr 8

6шт.

8

413-856

BOLT,Hex, 1/2" - 13 x 3-1/2", Gr 5

- hex, 1/2 NC x 3-1/2 inch

3шт.

9

80679

LOCK WASHER,1/20.507 CST ZND

WASHER, LOCK, 1/2"

4шт.

10

425-108

NUT,1/2" - 13, Gr 5

NUT, , Hex 1/2"-13, G5

4шт.

11

413-1244

BOLT,Hex, 3/4" - 10 x 2-3/4", Gr 5

- hex, 3/4 NC x 2-3/4 inch

2шт.

12

113-2431

BOLT,Hex, 1/2" - 13 x 11", Gr 5

1шт.

14

492-11075

LOCK WASHER,3/4"

3/4"

2шт.

15

425-1012

NUT,3/4"-10, G5

2шт.

1990144C3

HOUSING

ASSEMBLY - pulley

1шт.

16

NSS

NOT SOLD SEPARAT

HOUSING - pulley

1шт.

17

37-1816

DOWEL,1/2" x 1"

PIN - dowel, 1/2 x 1 inch, hardened

2шт.

18

87800C1

BUSHING,25.53mm ID x 31.81mm OD x 38.1mm L

- oilite, 1 inch

2шт.

20

1338122C1

STUD

- pump retaining, 1/2 inch NC

4шт.

21

425-108

NUT,1/2" - 13, Gr 5

NUT, , Hex 1/2"-13, G5

4шт.

28

80679

LOCK WASHER,1/20.507 CST ZND

WASHER, LOCK, 1/2"

4шт.

29

396-21053

WASHER,17/32" x 1 1/16" x .134"

Hardened 17/32" x 1 1/16" x .134"

4шт.

30

REF

INSTRUCTION

PUMP ASSEMBLY - hydrostatic, parts list page 6-25 or 6-29

1шт.

31

492-11038

LOCK WASHER,3/8"

6шт.

Выбрано товаров: 0