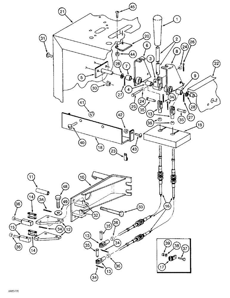
Запчасти Case IH 2022 (6-42) - TRANSMISSION SHIFT CONTROLS (03) - POWER TRAIN

Схема запчастей Case IH 2022 - (6-42) - TRANSMISSION SHIFT CONTROLS (03) - POWER TRAIN
36
16
5
49
25
24
21
34
33
20
2
35
18
17
22
7
35
14
38
36
31
27
24
13
6
23
8
19
44
27
43
42
41
34
39
9
4
35
3
10
12
14
34
13
37
26
32
36
1
35
30
15
36
11
13
45
48
40
34
34
36
28
28
FIT
1:1
100%

Артикул

Название

Примечание

Количество

1

193194C2

HANDLE

GRIP - hand, control lever

1шт.

2

1278662C1

STEM

ROD - transmission shift

1шт.

3

157360C11

ARM

PIVOT ASSEMBLY - gear shift

1шт.

4

568920R1

BUSHING

- gear shift pivot

1шт.

5

1278661C1

SHAFT

- gear shift

1шт.

6

1278666C91

ARM ASSY.

ARM ASSEMBLY - transmission shift, left-hand

1шт.

7

568921R1

BUSHING,15.9mm ID x 19.02mm OD x 22.23mm L

- concave control housing

1шт.

8

1278667C91

ARM ASSY.

ARM ASSEMBLY - transmission shift, right-hand

1шт.

9

568921R1

BUSHING,15.9mm ID x 19.02mm OD x 22.23mm L

- concave control housing

2шт.

10

1963959C2

SUPPORT

SECTOR - shifter plate, includes pin 327-5094, item 32

1шт.

11

1963957C1

SPACER

- tube, 5/8 x 3 inch

2шт.

12

221444C2

LARGE PLATE

PLATE - shifter rail

2шт.

13

213-125

ADJUSTABLE CLEVIS,5/16" - 32

CLEVIS - adjustable, 5/16 inch NF

4шт.

14

242-1312

LINK,38.1mm Pitch

LINK - connecting (Replaces link 587368R91)

2шт.

15

1963964C2

BAR

BOLT - bar

2шт.

16

1329381C1

CABLE

- shifter

2шт.

17

515-25127

CLAMP,1/2", Insul, 1/2" Bolt

P-type 1/2", Insul, 1/2" Bolt

2шт.

18

1278663C3

SUPPORT

- transmission cable

1шт.

19

1278719C1

SEAL

- transmission cables

1шт.

20

195239C2

BAR

- H pattern filler plate

1шт.

21

REF

INSTRUCTION

SUPPORT - left-hand console rear, see page 9E-3

1шт.

22

REF

INSTRUCTION

SUPPORT - manual rear, see page 9E-3

1шт.

23

358986R1

CABLE CLIP

CLAMP - P-type

4шт.

24

495-11034

WASHER,5/16", SAE

5/16" SAE (flat, 11/32 x 11/16 x 1/16")

2шт.

25

Q1191

HEADED PIN,5/16" x 1 1/2"

PIN - head, 5/16 x 1-1/2 inch

1шт.

26

432-812

COTTER PIN,3/4" OAL x 1/8" W

PIN, SPLIT (COTTER), 1/8" x 3/4"

1шт.

27

432-1216

COTTER PIN,3/16" x 1"

2шт.

28

495-81182

WASHER,21/32" x 1 1/4" x .060"

- flat, 21/32 x 1-1/4 x 3/64 inch

2шт.

30

231-5145

SERRATED NUT,Flg, USR, 5/16"-18

NUT - hex serrated flange, 5/16 inch NC

2шт.

31

1330152C1

SCREW,Sl Serr Truss Hd, 5/16" - 18 x 3/4"

2шт.

32

327-5094

CLEVIS PIN,5/16" x .940"

PIN - clevis, 5/16 x 15/16 inch (Replaces pin 103495)

2шт.

33

28769R1

BOLT,Hex, 3/8" - 16 x 5 1/4", Gr 8

- hex, 3/8 x 4-1/2 inch, grade 8

2шт.

33

26311R1

BOLT,Hex, 3/8" - 16 x 1 1/4", Gr 8

- hex lock, 3/8 NC x 1-1/8 inch grade 8

1шт.

34

432-612

COTTER PIN,3/32" x 3/4"

PIN , SPLIT (COTTER), 3/32" x 3/4"

6шт.

35

327-5094

CLEVIS PIN,5/16" x .940"

PIN - clevis, 5/16 x 15/16 inch

4шт.

36

425-155

JAM NUT,Jam, 5/16"-24, G5

- hex jam, 5/16 inch NF

6шт.

37

413-416

BOLT,Hex, 1/4" - 20 x 1", Gr 5

- hex, 1/4 NC x 1 inch

1шт.

38

492-11025

LOCK WASHER,1/4"

WASHER, LOCK, 1/4"

1шт.

39

425-104

NUT,1/4"-20, Cl 5

- hex, 1/4 inch NC

1шт.

40

477-73812

SERRATED SCREW,Truss HD, 3/8" - 16 x 3/4"

BOLT - serrated slotted truss head, 3/8 NC x 3/4 inch

2шт.

41

231-5146

FLANGE NUT,3/8"-16

2шт.

42

231-5145

SERRATED NUT,Flg, USR, 5/16"-18

NUT - hex serrated flange, 5/16 inch NC

4шт.

43

1330152C1

SCREW,Sl Serr Truss Hd, 5/16" - 18 x 3/4"

4шт.

44

231-5144

SERRATED NUT,Flg, USR, 1/4"-20

2шт.

45

477-82508

SERRATED SCREW,Sl Truss Hd, 1/4" - 20 x 1/2"

BOLT - serrated slotted truss head, 1/4 NC x 1/2 inch

2шт.

48

413-628

BOLT,Hex, 3/8" - 16 x 1-3/4", Gr 5

1шт.

49

495-11041

WASHER,0.406" ID x 0.812" OD x 0.065" W

(Flat, 13/32 x 13/16 x 1/16") 3/8", SAE

1шт.

Выбрано товаров: 47