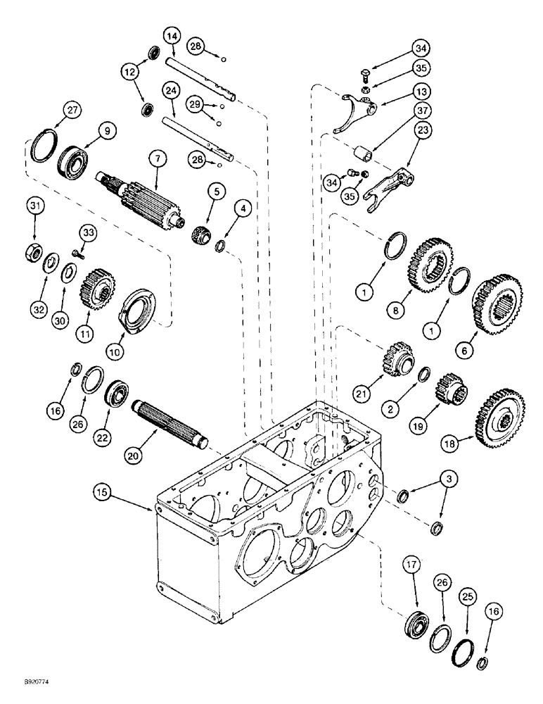
Запчасти Case IH 2022 (6-50) - TRANSMISSION, MAIN SHAFT AND INPUT SHAFT, SHIFT RAILS AND FORKS (03) - POWER TRAIN

Схема запчастей Case IH 2022 - (6-50) - TRANSMISSION, MAIN SHAFT AND INPUT SHAFT, SHIFT RAILS AND FORKS (03) - POWER TRAIN
21
31
26
27
22
11
1
28
2
30
4
17
24
16
29
35
16
13
20
33
10
23
25
12
9
26
32
37
1
34
18
34
35
7
6
28
8
5
3
14
15
19
FIT
1:1
100%

Артикул

Название

Примечание

Количество

1963918C4

TRANSMISSION

ASSEMBLY - 2022 Cotton Picker

1шт.

1963922C4

TRANSMISSION

ASSEMBLY - 2044 Cotton Picker

1шт.

1

100070R1

RING

- input shaft drive shaft snap

2шт.

2

A21619

CIRCLIP

RING - snap

1шт.

3

41-1620

PLUG,Cup, 1 1/4", Stainless

- cup, 1-1/4 inch OD (Replaces plug 349373R1)

2шт.

4

A32438

SNAP RING

RING - snap

1шт.

5

1963904C1

ROLLER BEARING,25 mm ID x 44.993 mm OD x 23.937 mm

BEARING - input pinion shaft

1шт.

6

395652R1

GEAR

- first and third sliding, 20 and 38 tooth

1шт.

7

1963897C1

SHAFT

- input

1шт.

8

107283C1

PINION

GEAR - second, 36 tooth

1шт.

9

1963916C1

ROLLER BEARING,34.9 mm ID x 79.9 mm OD x 21 mm

- input drive shaft, right-hand

1шт.

10

379481R1

RETAINER

- shaft bearing, right-hand

1шт.

11

184100C1

GEAR

- pinion, 26 tooth, 2044 Cotton Picker

1шт.

11

395653R1

GEAR

- pinion, 25 tooth, 2022 Cotton Picker

1шт.

12

G10450

OIL SEAL,19.05mm ID x 31.85mm OD x 6.35mm Thk

- oil, shifter rail (Replaces seal 549712R1)

2шт.

12

549712R1

OIL SEAL

- oil, shifter rail, no longer available, order seal G10450 above

2шт.

13

395656R1

FORK

- first and third gear shifter

1шт.

14

107278C1

SHAFT

- shift

1шт.

15

REF

INSTRUCTION

HOUSING - transmission, parts list page 6-45

1шт.

16

370504R1

RING

- retaining

2шт.

17

1963917C1

ROLLER BEARING,29.9 mm ID x 61.9 mm OD x 16.07 mm

- shaft, left-hand

1шт.

18

379495R1

GEAR

- input drive, 44 tooth

1шт.

19

395649R1

GEAR

- first speed drive, 18 tooth

1шт.

20

1963871C91

SHAFT

- transmission main (Replaces shaft 1276989C4)

1шт.

21

107284C2

PINION

GEAR - second, 20 tooth

1шт.

22

1963915C1

ROLLER BEARING,29.995 mm ID x 61.9935 mm OD x 16.075 mm

- shaft, right-hand

1шт.

23

574904R1

FORK

- second and reverse gear shifter

1шт.

24

107543C1

SHAFT

- shift

1шт.

25

404207R1

RING,61.6mm ID x 68.4mm OD x 2.54mm Thk

- transmission case square seal

1шт.

26

ST421

SNAP RING,1.65mm Thk, Ext

RING - snap

1шт.

27

934593R1

CIRCLIP,#80, 75.4 x 4.85 x 1.7

RING - snap (Replaces ring ST421)

1шт.

28

211-1016

BALL,12.7mm OD, Gr 24

- chrome alloy steel, 1/2 inch, grade 24

2шт.

29

211-1014

BALL,7/16" Dia

- chrome alloy steel, 7/16 inch, grade 24

2шт.

30

382901R1

LOCK WASHER,26.16mm ID x 47.8mm OD x 3.18mm Thk

- flat

1шт.

31

382879R1

NUT

- hex

1шт.

32

382900R1

LOCK WASHER

- lock

1шт.

33

27970R1

BOLT,Hex, 5/16" - 18 x 7/8", Gr 8

- hex prevailing torque, 5/16 NC x 7/8 inch, grade 8

3шт.

34

573985R1

SET SCREW,Sq Hd, 3/8"-24 x 1"

SCREW - set, 3/8 NF x 1 inch

2шт.

35

425-156

JAM NUT,Jam, 3/8"-24, G5

- hex jam, 3/8 inch NF

2шт.

37

1342636C1

SPACER

- second gear shift rail

1шт.

Выбрано товаров: 0