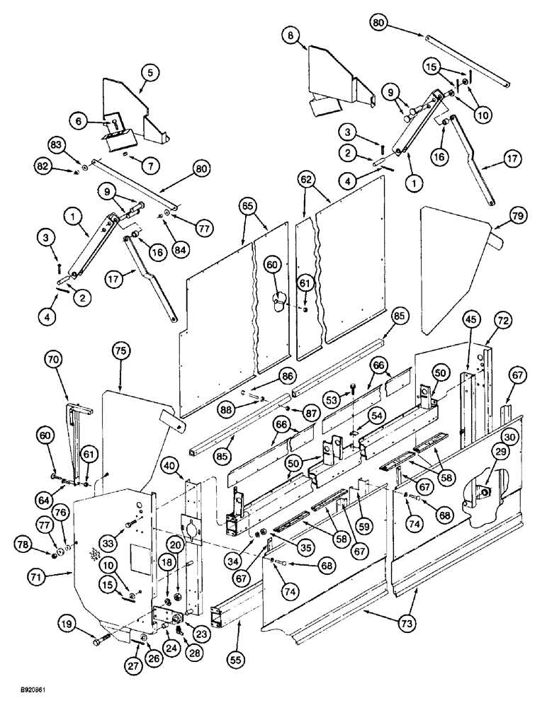
Запчасти Case IH 2044 (9D-38) - BASKET DOOR (16) - BASKET

Схема запчастей Case IH 2044 - (9D-38) - BASKET DOOR (16) - BASKET
67
60
35
60
17
72
54
61
62
50
82
80
67
83
77
68
76
18
16
3
67
71
45
87
26
77
66
1
34
30
74
8
78
2
10
50
79
61
84
67
58
4
85
85
73
75
20
80
3
6
16
53
1
19
33
27
29
58
23
66
2
17
5
4
86
40
88
55
7
70
59
9
28
64
10
9
24
15
15
65
68
74
FIT
1:1
100%

Артикул

Название

Примечание

Количество

50

1260289C3

SUPPORT

STRUT - door, top

1шт.

479370R1

KEY,1/4" Sq x 2", Par

- square, 1/4 x 2 inch, no longer available, cut from key 575824R1 below

4шт.

53

28464R1

SELF-TAP SCREW

- self-tapping, hex washer head, 5/16 NC x 1-1/2 inch

6шт.

54

1979644C1

CLIP,ELECTRICAL

CLIP - brush

6шт.

55

1260275C3

SUPPORT

STRUT - floor

1шт.

58

1278102C1

BRUSH, COMMUTATOR

BRUSH - door slat

2шт.

59

1278692C1

SUPPORT

BRACKET - panel spacer

1шт.

60

434-512

CARRIAGE BOLT,Sht Sq Nk, 5/16" - 18 x 3/4", Gr 5

BOLT - carriage, 5/16 NC x 3/4 inch

44шт.

61

231-5145

SERRATED NUT,Flg, USR, 5/16"-18

NUT - hex serrated flange, 5/16 inch NC

54шт.

62

1270125C1

COVER

- upper rear

1шт.

64

477-73112

SERRATED SCREW,Sl Truss Hd, 5/16" - 18 x 3/4"

- serrated slotted truss head, 5/16 NC x 3/4"

4шт.

65

1270124C1

COVER

- upper front

1шт.

66

1262686C1

SHIELD

- chain

2шт.

67

1270128C1

SUPPORT

- door chain

4шт.

68

434-512

CARRIAGE BOLT,Sht Sq Nk, 5/16" - 18 x 3/4", Gr 5

BOLT - carriage, 5/16 NC x 3/4 inch

18шт.

70

1270153C2

COVER

- chain

1шт.

71

1994943C1

GUARD

SHIELD - front (Replaces shield 1270323C3)

1шт.

72

1994943C1

GUARD

SHIELD - rear (Replaces shield 1270323C3)

1шт.

73

1278689C1

PANEL

- basket door outer

2шт.

74

492-11031

LOCK WASHER,5/16"

WASHER, LOCK, 5/16"

12шт.

75

1262464C2

GUARD

SHIELD - upper front

1шт.

76

495-81136

WASHER,10.31mm ID x 25.4mm OD x 3.81mm Thk

- flat, 13/32 x 1 x 7/64 inch

4шт.

77

495-81142

WASHER,0.41" ID x 1.5" OD x 0.06" Thk

- flat, 13/32 x 1-1/2 x 1/16 inch

4шт.

78

231-1446

NUT,3/8" - 16, Gr 5

NUT - hex, self-locking, 3/8 inch NC

4шт.

79

1262465C2

GUARD

SHIELD - upper rear

1шт.

80

1270329C1

ARM

- upper shield

2шт.

82

231-1448

NUT,1/2"-13, GB

- hex, self-locking, 1/2 inch NC

2шт.

83

495-81161

WASHER,17/32" x 1 1/2" x .060"

- flat, 17/32 x 1-1/2 x 3/64 inch

2шт.

84

231-1446

NUT,3/8" - 16, Gr 5

NUT - hex, self-locking, 3/8 inch NC

2шт.

85

1288757C3

TUBE,3331.7 mm Length

- upper swing

1шт.

86

413-648

BOLT,Hex, 3/8" - 16 x 3", Gr 5

7шт.

87

231-5146

FLANGE NUT,3/8"-16

7шт.

88

495-81143

WASHER,13/32" x 1 1/2" x .120"

7шт.

575824R1

KEY,1/4" Sq x 3", Par

- 3 inch (76 mm) long

1шт.

Выбрано товаров: 34