Запчасти Case IH 2044 (9B-22) - WATER PUMP, PULLEY AND BELT (14) - WATER SYSTEM

Схема запчастей Case IH 2044 - (9B-22) - WATER PUMP, PULLEY AND BELT (14) - WATER SYSTEM
24
31
1
21
30
17
26
19
22
14
18
6
13
3
5
16
6
25
2
1
23
15
FIT
1:1
100%

Артикул

Название

Примечание

Количество

1

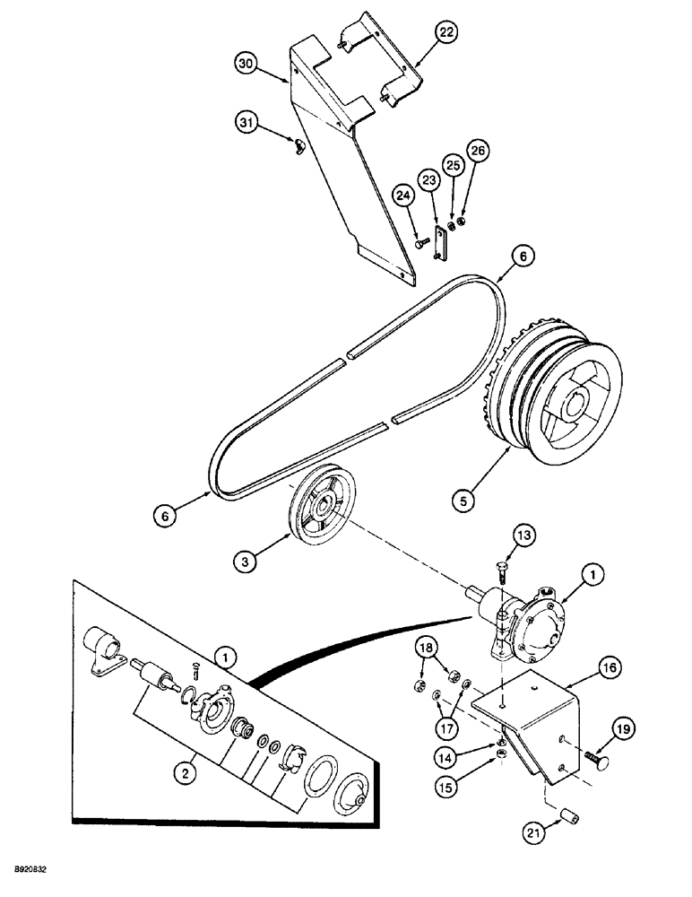
87030C1

PUMP, WATER

PUMP ASSEMBLY - water

1шт.

2

87463C1

SEAL PACKAGE

KIT - service, water pump

1шт.

3

87013C2

PULLEY

- water pump

1шт.

485-13116

SET SCREW,Sq Hd, 5/16"-18 x 1", Cup pt

SCREW - set, square head, 5/16 NC x 1 inch, cup point

1шт.

5

87012C2

PULLEY

- fan, 7-5/8 inch (194 mm) diameter

1шт.

6

106465C1

V-BELT,51.94" L

-Pump Pulley to Fan Pulley 51.94" L

1шт.

13

326-416

BOLT,Hex, 1/4" - 20 x 1", Gr 8

2шт.

14

492-11025

LOCK WASHER,1/4"

WASHER, LOCK, 1/4"

2шт.

15

25402R1

NUT

- hex, 1/4 inch NC, inch grade 8

2шт.

16

1339083C1

ANGLE BAR

BRACKET - pump mounting

1шт.

17

492-11038

LOCK WASHER,3/8"

2шт.

18

425-106

NUT,3/8"-16, Cl 5

2шт.

19

433-640

CARRIAGE BOLT,Sq Nk, 3/8" - 16 x 2 1/2", Gr 5

BOLT - carriage, 3/8 NC x 2-1/2 inch

2шт.

21

612233R1

SPACER,5/8" Tube x 1 1/8"

- 13/32 x 5/8 x 1-3/16 inch, pump mounting

2шт.

22

1339192C1

ANGLE BAR

BRACKET - mounting

1шт.

23

1339194C1

LARGE PLATE

PLATE - valve cover

1шт.

24

413-58

BOLT,Hex, 5/16" - 18 x 1/2", Gr 5

- hex, 5/16 NC x 1/2 inch

1шт.

25

492-11031

LOCK WASHER,5/16"

WASHER, LOCK, 5/16"

1шт.

26

425-105

NUT,5/16"-18, G5

- hex, 5/16 inch NC

1шт.

30

1339189C1

COVER

- water valve

1шт.

31

129-419

WING NUT,5/16"-18

NUT - wing, 5/16 inch NC

3шт.

Выбрано товаров: 21