Запчасти Case IH 2044 (9C-14) - FRONT FAN IDLER PULLEY LINKAGE, 2044 COTTON PICKER (15) - HANDLING SYSTEM

Схема запчастей Case IH 2044 - (9C-14) - FRONT FAN IDLER PULLEY LINKAGE, 2044 COTTON PICKER (15) - HANDLING SYSTEM
17
10
4
20
14
22
2
13
16
21
26
6
3
27
18
7
8
5
12
23
15
11
2
FIT
1:1
100%

Артикул

Название

Примечание

Количество

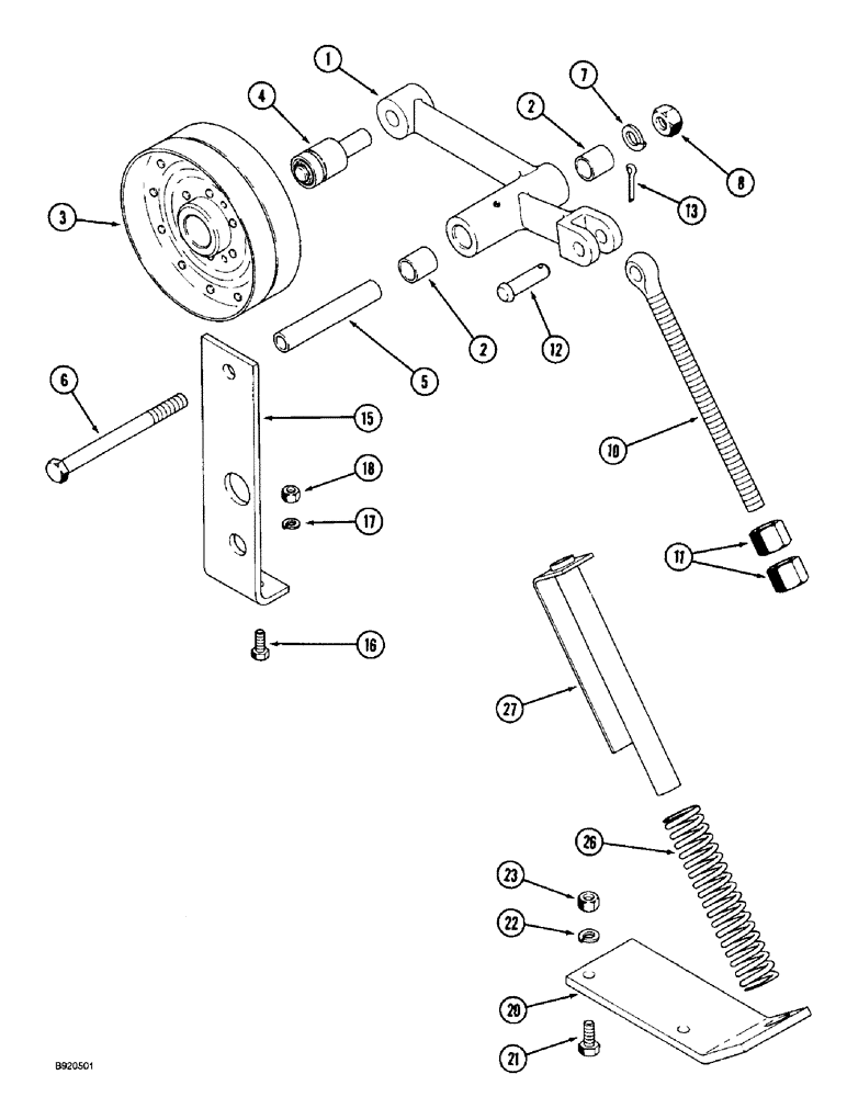
1

1338318C1

ARM

ASSEMBLY - idler

1шт.

2

289588R1

BUSHING

- shield pivot support, bronze

2шт.

3

1315091C1

PULLEY

- idler, 6-1/2 inch OD

1шт.

4

559205R91

BEARING ASSY,15.92 mm ID x 30 mm OD x 82.55 mm

- idler pulley

1шт.

5

1345004C1

SPACER

- idler pivot

1шт.

6

413-896

BOLT,Hex, 1/2" - 13 x 6", Gr 5

- hex, 1/2 NC x 6 inch

1шт.

7

80679

LOCK WASHER,1/20.507 CST ZND

WASHER, LOCK, 1/2"

1шт.

8

425-108

NUT,1/2" - 13, Gr 5

NUT, , Hex 1/2"-13, G5

1шт.

10

1338314C1

EYEBOLT

- adjusting

1шт.

11

425-1010

NUT,5/8"-11, G5

2шт.

12

439-5832

HEADED PIN,12.7mm OD x 50.8mm L

PIN - headed, 1/2 x 2 inch

1шт.

13

432-1216

COTTER PIN,3/16" x 1"

1шт.

15

1982261C2

SUPPORT

- idler pivot rear

1шт.

16

413-516

BOLT,Hex, 5/16" - 18 x 1", Gr 5

- hex, 5/16 NC x 1 inch

2шт.

17

492-11031

LOCK WASHER,5/16"

WASHER, LOCK, 5/16"

2шт.

18

425-105

NUT,5/16"-18, G5

- hex, 5/16 inch NC

2шт.

20

1338317C2

SUPPORT

- idler spring (Replaces support 1338317C1)

1шт.

21

413-616

BOLT,Hex, 3/8" - 16 x 1", Gr 5

- hex, 3/8 NC x 1 inch

2шт.

22

492-11038

LOCK WASHER,3/8"

2шт.

23

425-106

NUT,3/8"-16, Cl 5

2шт.

26

1315247C1

SPRING

- idler tension

1шт.

27

1345002C1

SPACER

- idler spring

1шт.

Выбрано товаров: 0