Запчасти Case IH 2044 (9D-22) - BASKET REAR, 2044 COTTON PICKER (16) - BASKET

Схема запчастей Case IH 2044 - (9D-22) - BASKET REAR, 2044 COTTON PICKER (16) - BASKET
12
2
13
9
16
2
6
3
10
3
27
21
24
6
1
14
15
13
14
14
11
3
23
13
25
2
3
14
13
22
4
5
3
3
3
20
11
7
8
10
18
6
13
17
19
20
15
26
FIT
1:1
100%

Артикул

Название

Примечание

Количество

REF

INSTRUCTION

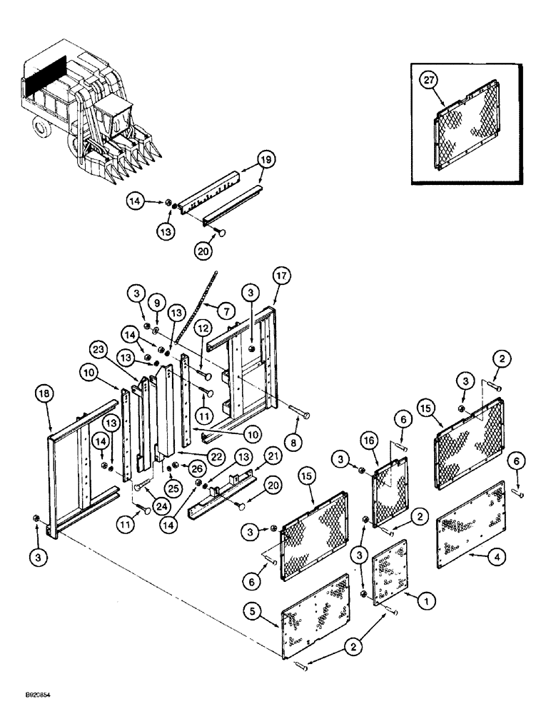
BASKET ASSEMBLY - cotton picker, complete (See Note)

1шт.

1

1260158C2

COVER

- lower, center

1шт.

2

477-73812

SERRATED SCREW,Truss HD, 3/8" - 16 x 3/4"

BOLT - serrated slotted truss head, 3/8 NC x 3/4 inch

1шт.

3

231-5146

FLANGE NUT,3/8"-16

1шт.

4

1260160C4

COVER

- lower, left-hand

1шт.

5

1260161C4

COVER

- lower, right-hand

1шт.

7

NSS

NOT SOLD SEPARAT

CHAIN - door, 33 links, order ZAN4030136 and, Serial Range: cut-length

1шт.

See Figure Note.

1шт.

8

413-644

BOLT,Hex, 3/8" - 16 x 2-3/4", Gr 5

- hex, 3/8 NC x 2-3/4 inch

1шт.

9

495-81143

WASHER,13/32" x 1 1/2" x .120"

1шт.

10

1260162C1

SUPPORT

ANGLE - retainer

2шт.

11

433-632

CARRIAGE BOLT,Sq Nk, 3/8" - 16 x 2", Gr 5

BOLT, CARRIAGE, Short NK, 3/8"-16 x 2", G5

1шт.

12

434-620

CARRIAGE BOLT,Sht Sq Nk, 3/8" - 16 x 1 1/4", Gr 5

BOLT, CARRIAGE, Short NK, 3/8"-16 x 1 1/4", G5, Full Thd

1шт.

13

492-11038

LOCK WASHER,3/8"

1шт.

14

425-106

NUT,3/8"-16, Cl 5

1шт.

15

1260164C1

SIEVE

SCREEN - basket, 54-59/64 inch (1395 mm) long

2шт.

16

1260181C1

SIEVE

SCREEN - basket, center

1шт.

17

1260227C9

CHASSIS

END - basket, left-hand

1шт.

18

1260229C7

END

- basket, right-hand

1шт.

19

1260244C2

SUPPORT

ANGLE - tie

2шт.

20

434-616

CARRIAGE BOLT,Sht Sq Nk, 3/8" - 16 x 1", Gr 5

BOLT - carriage, 3/8 NC x 1 inch

1шт.

21

1260318C3

CONDUIT

CHANNEL - tie

1шт.

22

1338385C1

ANGLE BAR

BRACKET - lift, left-hand

1шт.

23

1338386C1

ANGLE BAR

BRACKET - lift, right-hand

1шт.

24

413-820

BOLT,Hex, 1/2" - 13 x 1-1/4", Gr 5

- hex, 1/2 NC x 1-1/4 inch

1шт.

25

80679

LOCK WASHER,1/20.507 CST ZND

WASHER, LOCK, 1/2"

1шт.

26

425-108

NUT,1/2" - 13, Gr 5

NUT, , Hex 1/2"-13, G5

1шт.

27

1339132C1

SIEVE

SCREEN - basket, left-hand rear

1шт.

ZAN4030136

CHAIN (CE)

CHAIN - bulk, cut to required length

1шт.

See Figure Note.

1шт.

6

477-73816

SERRATED SCREW,Sl Truss Hd, 3/8" x 1"

BOLT - serrated slotted truss head, 3/8 NC x 1 inch

1шт.

Выбрано товаров: 31