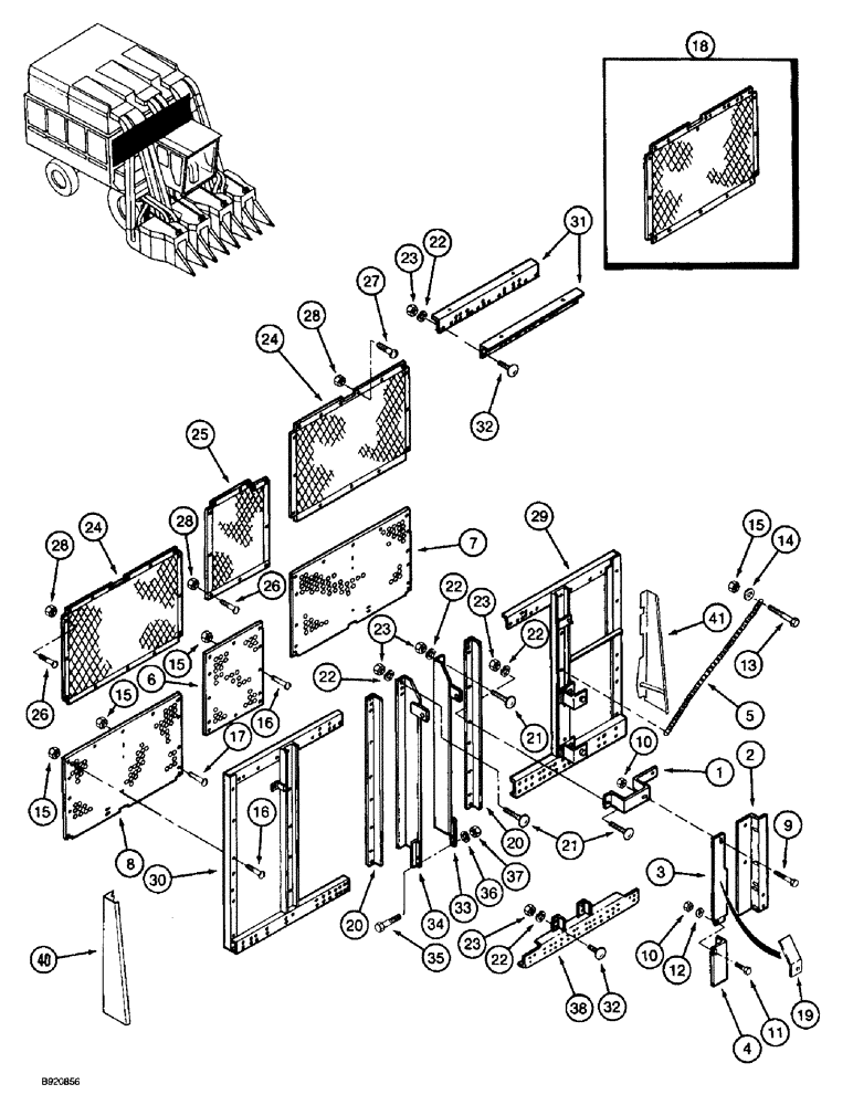
Запчасти Case IH 2044 (9D-26) - BASKET FRONT, 2044 COTTON PICKER (16) - BASKET

Схема запчастей Case IH 2044 - (9D-26) - BASKET FRONT, 2044 COTTON PICKER (16) - BASKET
31
20
24
36
18
21
8
7
1
11
23
32
4
15
23
28
20
6
37
27
35
22
10
22
15
21
12
15
38
22
30
5
29
19
24
32
17
26
25
33
10
2
41
14
13
23
22
28
3
16
22
9
26
34
28
40
16
23
15
FIT
1:1
100%

Артикул

Название

Примечание

Количество

REF

INSTRUCTION

BASKET ASSEMBLY - cotton picker, complete (See Note)

1шт.

1

87352C1

ANGLE BAR

BRACKET - guide

1шт.

2

87353C1

SUPPORT

- guide

1шт.

3

87357C1

GUIDE

- upper

1шт.

4

87360C2

GUIDE

- lower

1шт.

5

NSS

NOT SOLD SEPARAT

CHAIN - door, 33 links, order ZAN4030136 and, Serial Range: cut-length

1шт.

See Figure Note.

1шт.

6

1260158C2

COVER

- lower, center

1шт.

7

1260160C4

COVER

- lower, left-hand

1шт.

8

1329247C3

COVER

- lower, right-hand

1шт.

9

409-7516

BOLT,Hex Flg, 5/16" - 18 x 1", Spcl

1шт.

10

231-5145

SERRATED NUT,Flg, USR, 5/16"-18

NUT - hex serrated flange, 5/16 inch NC

1шт.

11

409-7512

BOLT,Hex Flg, 5/16" - 18 x 3/4", Spcl

- hex serrated flange, 5/16 NC x 3/4 inch

1шт.

12

495-11034

WASHER,5/16", SAE

5/16" SAE (flat, 11/32 x 11/16 x 1/16")

1шт.

13

413-644

BOLT,Hex, 3/8" - 16 x 2-3/4", Gr 5

- hex, 3/8 NC x 2-3/4 inch

1шт.

14

495-81143

WASHER,13/32" x 1 1/2" x .120"

1шт.

15

231-5146

FLANGE NUT,3/8"-16

1шт.

16

477-73812

SERRATED SCREW,Truss HD, 3/8" - 16 x 3/4"

BOLT - serrated slotted truss head, 3/8 NC x 3/4 inch

1шт.

18

1339132C1

SIEVE

SCREEN - basket, left-hand front

1шт.

19

1994929C1

SUPPORT

GUIDE - upper extension

1шт.

20

1260162C1

SUPPORT

ANGLE - screen

2шт.

21

433-632

CARRIAGE BOLT,Sq Nk, 3/8" - 16 x 2", Gr 5

BOLT, CARRIAGE, Short NK, 3/8"-16 x 2", G5

1шт.

22

492-11044

LOCK WASHER,7/16"

WASHER, LOCK, 7/16"

1шт.

23

425-106

NUT,3/8"-16, Cl 5

1шт.

24

1260164C1

SIEVE

SCREEN - basket

2шт.

25

1260181C1

SIEVE

SCREEN - center

1шт.

27

477-73812

SERRATED SCREW,Truss HD, 3/8" - 16 x 3/4"

BOLT - serrated slotted truss head, 3/8 NC x 3/4 inch

1шт.

28

231-5146

FLANGE NUT,3/8"-16

1шт.

29

1260226C9

CHASSIS

END - basket, left-hand, no longer available, order end 1260228C8

1шт.

30

1260228C8

END

- basket, right-hand

2шт.

31

1260244C2

SUPPORT

ANGLE - tie, upper

2шт.

32

434-616

CARRIAGE BOLT,Sht Sq Nk, 3/8" - 16 x 1", Gr 5

BOLT - carriage, 3/8 NC x 1 inch

1шт.

33

1338385C1

ANGLE BAR

BRACKET - lift, left-hand

1шт.

34

1338386C1

ANGLE BAR

BRACKET - lift, right-hand

1шт.

35

413-820

BOLT,Hex, 1/2" - 13 x 1-1/4", Gr 5

- hex, 1/2 NC x 1-1/4 inch

1шт.

36

80679

LOCK WASHER,1/20.507 CST ZND

WASHER, LOCK, 1/2"

1шт.

37

425-108

NUT,1/2" - 13, Gr 5

NUT, , Hex 1/2"-13, G5

1шт.

38

1260318C3

CONDUIT

CHANNEL - tie

1шт.

40

1990335C2

GUARD

SHIELD - basket, right-hand front

1шт.

41

1994945C3

GUARD

SHIELD - basket, left-hand front

1шт.

ZAN4030136

CHAIN (CE)

CHAIN - bulk, cut to required length

1шт.

See Figure Note.

1шт.

17

477-73816

SERRATED SCREW,Sl Truss Hd, 3/8" x 1"

BOLT - serrated slotted truss head, 3/8 NC x 1 inch

1шт.

26

477-73816

SERRATED SCREW,Sl Truss Hd, 3/8" x 1"

BOLT - serrated slotted truss head, 3/8 NC x 1 inch

1шт.

Выбрано товаров: 44