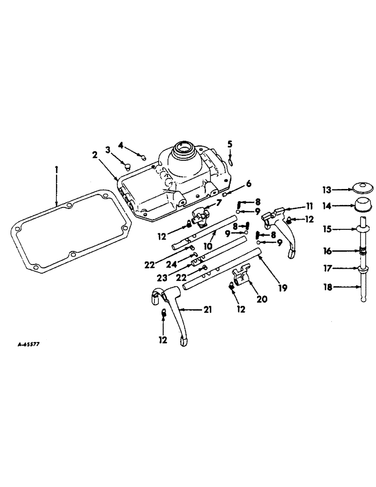
Запчасти Case IH 414 (140) - TRANSMISSION CONTROL LEVER AND HOUSING (14) - MAIN GEARBOX & DRIVE

Схема запчастей Case IH 414 - (140) - TRANSMISSION CONTROL LEVER AND HOUSING (14) - MAIN GEARBOX & DRIVE
4
8
14
6
24
12
13
12
2
3
9
8
9
11
20
21
16
19
22
23
9
12
17
5
12
8
1
7
15
18
22
10
FIT
1:1
100%

Артикул

Название

Примечание

Количество

668893R91

TRANSMISSION ASSY, Consists of parts listed below and parts shown in transmission unit

1шт.

1

668066R2

GASKET, control housing

1шт.

2

71877R1

HOUSING, control

1шт.

SCREW, 3/8 x 3/4 nylock cap

6шт.

3

82075R1

BREATHER

1шт.

4

37-1410

DOWEL,1/4" x 5/8"

PIN, control housing

1шт.

5

172531

PLUG,Exp, 3/4"

expansion

6шт.

6

59761HO

PLUG, taper

1шт.

7

885218C1

BLOCK

END, reverse shift rail

1шт.

8

59411R1

SPRING, poppet

3шт.

9

16012R1

BALL

3/8 steel

3шт.

10

885223C1

RAIL, reverse shift

1шт.

11

885221C1

CRADLE

FORK, third and direct shift

1шт.

12

618638R1

PIN,3/16" x 1 1/8", Coiled

SCREW, lock

4шт.

13

33710H

COVER, transmission stud shaft

1шт.

14

82078R1

COVER

CAP, control housing

1шт.

15

82192R1

WASHER, control lever spring

1шт.

16

27098HA

SPRING, control lever

1шт.

17

83780R1

BALL, fulcrum

1шт.

18

666501R91

LEVER, control

1шт.

19

885224C1

RAIL, low and second shift

1шт.

20

885219C1

END, first and second shift rail

1шт.

21

885220C1

FORK, first and second shift

1шт.

22

27096H

PLUNGER

interlock

2шт.

23

885222C1

RAIL, third and direct shift

1шт.

24

59412R1

PIN, interlock

1шт.

Выбрано товаров: 26