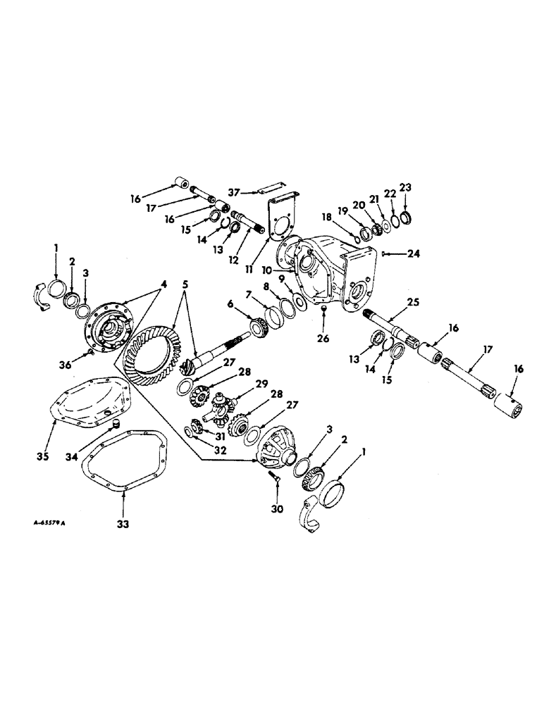
Запчасти Case IH 414 (148) - DIFFERENTIAL (14) - MAIN GEARBOX & DRIVE

Схема запчастей Case IH 414 - (148) - DIFFERENTIAL (14) - MAIN GEARBOX & DRIVE
31
16
3
6
15
17
20
33
16
22
27
15
8
7
13
23
4
35
17
18
34
9
28
2
14
12
5
14
24
11
25
37
16
1
1
29
21
32
36
16
13
27
10
2
30
3
28
26
19
FIT
1:1
100%

Артикул

Название

Примечание

Количество

666133R92

DIFFERENTIAL ASSY

1шт.

1

912730R1

CUP ASSY.

CUP, differential bearing

2шт.

2

659458R91

ROLLER BEARING

CONE, differential bearing

2шт.

3

912717R1

SHIM

differential adjust, .003

2шт.

3

912718R1

SHIM

differential adjust, .005

2шт.

3

912719R1

SHIM

differential adjust, .010

2шт.

3

912720R1

SHIM

differential adjust, .030

2шт.

4

666244R91

CASE, differential

1шт.

5

666257R92

PINION AND GEAR, bevel drive

1шт.

666627R1

NUT, 1-1/8-18 ESNA stop

1шт.

Q3482

WASHER

1-5/32 x 1-3/4 x 11 ga

1шт.

6

129910R91

BEARING

CONE, drive pinion front bearing

1шт.

7

107577R1

BEARING, CUP

CUP, drive pinion front bearing

1шт.

8

666253R1

SHIM, drive pinion front adjusting

2шт.

8

666254R1

SHIM, drive pinion front adjusting

2шт.

8

666255R1

SHIM, drive pinion front adjusting

2шт.

9

666252R1

BAFFLE, pinion bearing oil

1шт.

10

666242R11

CARRIER W/CAPS, gear

1шт.

SCREW, 1/2 x 2-1/4 cap

4шт.

11

666260R1

BRACKET, gear carrier mounting

2шт.

SCREW, 1/2NF x 1-1/4 cap

10шт.

SCREW W/NUT, 1/2 x 1-3/4 cap

1шт.

WASHER, 1/2 lock

14шт.

12

666261R1

SHAFT, right axle

1шт.

13

ST571

BALL BEARING,40 mm ID x 68 mm OD x 15 mm

BEARING, axle tube hub

2шт.

14

666259R1

RING

SNAP RING, axle tube hub

2шт.

15

202583C91

PACKING RING

OIL SEAL, axle tube hub

2шт.

15

659111R91

SEAL

OIL SEAL, axle tube hub

2шт.

16

573957R3

COUPLING

SLEEVE, axle coupling

4шт.

567821R1

SCREW

7/16 sq-hd set

4шт.

17

666145R1

COUNTERSHAFT

2шт.

18

912708R1

SHIM,32.15mm ID x 41.27mm OD x 0.08mm Thk

pinion rear bearing adjusting, .003

2шт.

18

912709R1

SHIM,32.15mm ID x 41.27mm OD x 0.13mm Thk

pinion rear bearing adjusting, .005

2шт.

18

912710R1

SHIM,32.15mm ID x 41.27mm OD x 0.25mm Thk

pinion rear bearing adjusting, .010

2шт.

18

912711R1

SHIM

pinion rear bearing adjusting, .030

2шт.

19

912733R1

BEARING

CUP, drive pinion rear bearing

1шт.

20

912732R1

CONE, drive pinion rear bearing

1шт.

21

912712R1

WASHER

OIL SLINGER, drive pinion

1шт.

22

127969R1

GASKET

pinion oil seal

1шт.

23

912713R91

OIL SEAL

OIL SEAL, pinion

1шт.

24

110891H

BREATHER,1/8"-27 NPT, Short, w/washer

PLUG, 1/8 vent

1шт.

25

666262R1

SHAFT, left axle

1шт.

26

143967

PLUG, 1/2 sq socket pipe

1шт.

27

912700R1

WASHER

side gear thrust

2шт.

28

666246R1

GEAR, differential bevel side

2шт.

29

666248R1

SHAFT, pinion male cross

1шт.

30

666245R1

SCREW, 7/16 x 1-7/8 differential case

8шт.

WASHER, 7/16 lock

8шт.

31

666247R1

PINION, differential bevel mate

4шт.

32

666249R1

WASHER, pinion mate thrust

4шт.

33

389334C1

GASKET

gear carrier

1шт.

34

444592

PLUG,Sq Hd, 1/4"-14 NPTF

3/4-14 auto sq-hd pipe

1шт.

35

666251R1

COVER, gear carrier

1шт.

SCREW, 3/8 x 5/8 cap

10шт.

WASHER, 3/8 lock

10шт.

36

912704R1

SCREW

bevel drive gear

12шт.

37

666134R1

SHIM, differential bracket, .010

3шт.

37

666135R1

SHIM, differential bracket, .005

3шт.

Выбрано товаров: 58