Запчасти Case IH 414 (130) - FINAL DRIVE (25) - FRONT AXLE SYSTEM

Схема запчастей Case IH 414 - (130) - FINAL DRIVE (25) - FRONT AXLE SYSTEM
4
23
24
8
25
13
21
14
15
11
3
27
20
30
2
10
7
5
6
16
19
26
18
28
1
22
29
9
17
12
FIT
1:1
100%

Артикул

Название

Примечание

Количество

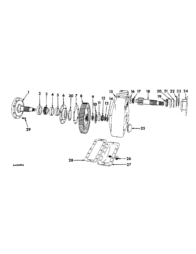
1

376448R2

SHAFT, final drive

2шт.

PIN, 1/8 x 2 cotter

2шт.

2

380185R91

OIL SEAL

OIL SEAL, final drive shaft outer bearing cage

2шт.

3

ST2073

TAPERED BEARING,2.625" ID x 4.4375" OD x 1.1875"

CONE, final drive shaft outer bearing

2шт.

4

13363D

TAPERED BEARING

CUP, final drive shaft outer bearing

2шт.

5

380282R1

SPACER, final drive outer bearing

2шт.

6

395674R1

CAGE, final drive shaft outer bearing

2шт.

SCREW, 7/16 x 1-1/4 hex-hd cap

12шт.

WASHER, 7/16 lock

12шт.

7

583244R1

GASKET, final drive shaft outer bearing cage, also order o-ring, 252741R1 if needed

2шт.

8

57586C91

GEAR ASSY, final drive

2шт.

373109R1

RIVET, final drive gear

12шт.

9

376452R1

SPACER, final drive shaft inner bearing

2шт.

10

376459R1

RETAINER, final drive shaft inner bearing

2шт.

297330R1

BOLT

SCREW, 3/8 x 1 nylock cap

8шт.

11

ST863

BEARING CUP,93.22mm OD x 23.81mm W

CUP, final drive shaft inner bearing

2шт.

12

ST2100

TAPERED BEARING,44.45mm ID x 93.264mm OD x 30.18mm

CONE, final drive shaft inner bearing

2шт.

13

589765R1

WASHER

final drive shaft inner

2шт.

14

73177R1

NUT

final drive shaft

2шт.

15

376446R2

HOUSING, left final drive

1шт.

15

376447R2

HOUSING, right final drive

1шт.

NUT, 7/8 jam

4шт.

SCREW, 7/8 x 2-1/4 cap

4шт.

SCREW, 7/8 x 5-3/4 cap

4шт.

WASHER, 7/8 lock

8шт.

16

618024R1

BEARING CUP,65.113mm OD x 13.97mm W

Final drive pinion shaft outer

2шт.

17

618023R1

CONE

final drive pinion shaft outer bearing

2шт.

18

376461R2

SHAFT

final drive pinion

2шт.

19

56934D

ROLLER BEARING,2.1663" ID x 3.8125" OD x 0.8268"

CONE, final drive pinion shaft inner bearing

2шт.

20

105497H

BEARING CUP,96.85mm OD x 15.77mm W

CUP, final drive pinion shaft inner bearing

2шт.

21

380186R91

OIL SEAL

OIL SEAL, brake housing adapter

2шт.

22

317923R1

O-RING,0.139" Thk x 3.609" ID, -239, Cl 5, 75 Duro

brake housing adapter

2шт.

23

376467R1

SHIM

brake housing adapter light

4шт.

24

379506R1

ADAPTER, brake housing

2шт.

376465R1

SCREW, 7/16 x 1-1/4 nylock cap

10шт.

141279

DOWEL,1/2" x 3/4"

PIN, 1/2 x 3/4 dowel

2шт.

25

583238R1

PLATE

CAP, final drive shaft inner bearing

2шт.

26

217-442

PLUG,3/4" - 14

3/4 sq-hd pipe

4шт.

27

587078R91

PAN ASSY.

PAN ASSY, final drive housing

2шт.

SCREW, 3/8 x 3/4 cap

24шт.

WASHER, 3/8 lock

24шт.

28

587655R1

GASKET

final drive housing pan

2шт.

29

390065R1

BOLT

wheel, 416-501 thru 2427, 422-501 thru 3731

18шт.

29

566206R2

BOLT,5/8" - 18 x 2.38", Class 8

wheel, 416-2428 and above, 422-3732 and above

18шт.

554480R1

WHEEL NUT

drive wheel bolt

18шт.

30

252741R1

O-RING

final drive housing, if gasket is needed, Order 583244R1

2шт.

61991R91

BREATHER,1/8"-27 NPT, Short, w/washer

final drive housing oil

2шт.

Выбрано товаров: 47