Запчасти Case IH 414 (108) - PICKER DRUM TOP PLATE AND HOUSING (58) - ATTACHMENTS/HEADERS

Схема запчастей Case IH 414 - (108) - PICKER DRUM TOP PLATE AND HOUSING (58) - ATTACHMENTS/HEADERS
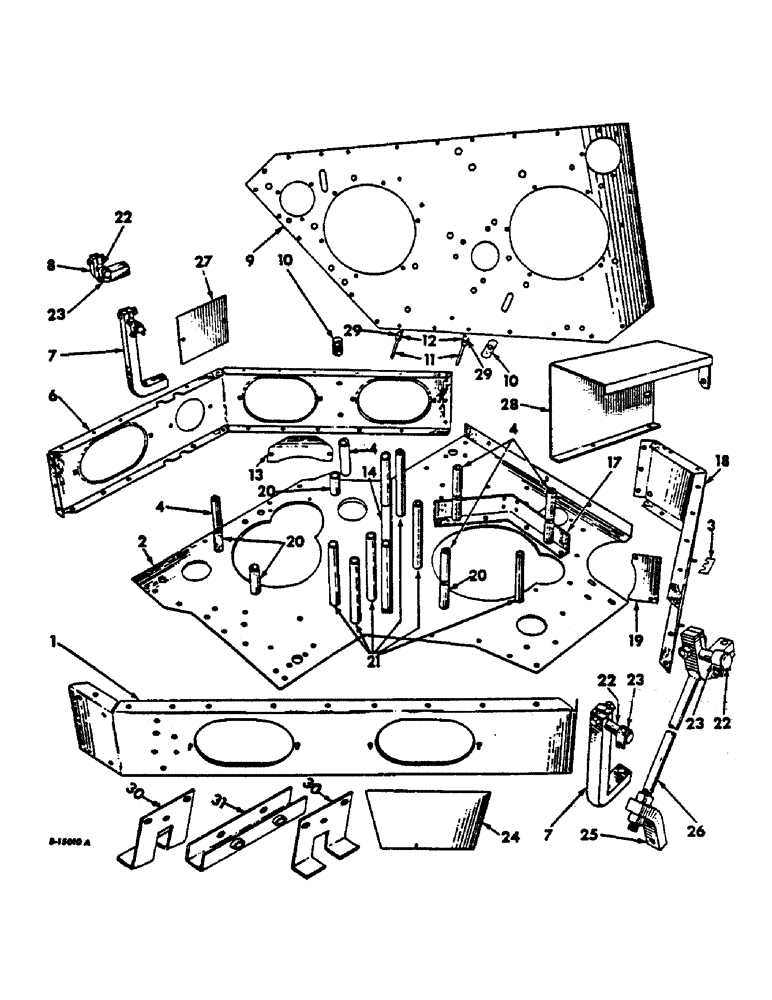
20
24
22
23
13
22
28
23
4
29
20
14
25
10
23
18
21
30
11
26
30
22
7
31
19
20
2
4
7
29
10
6
1
4
8
17
9
27
12
3
FIT
1:1
100%

Артикул

Название

Примечание

Количество

1

660665R1

CHANNEL, rear drum housing

1шт.

BOLT, 5/16 x 3/4 mach

4шт.

BOLT W/NUT, 3/8 x 3/4 mach

5шт.

BOLT W/NUT, 3/8 x 1 mach

11шт.

657803R1

NUT, 5/16 wing

4шт.

WASHER, 3/8 lock

16шт.

WASHER, 13/32 x 3/4 x 16 ga

2шт.

2

660660R2

PLATE, left top drum housing, Units A and C, 416-501 thru 1665 422-501 thru 3136

1шт.

2

660661R1

PLATE, right top drum housing, Units B and D, 416-501 thru 1665 422-501 thru 3136

1шт.

2

202677C1

PLATE, drum housing top LH, Units A and C, 416-1666 and up 422-3137 and up

1шт.

2

202678C1

PLATE, drum housing top RH, Units B and D, 416-1666 and up, 422-3137 and up

1шт.

3

668753R1

SHIM

drum lifting arm, 1/4

1шт.

3

668754R1

SHIM

drum lifting arm, 11 ga

1шт.

3

668755R1

SHIM

drum lifting arm, 16 ga

1шт.

4

657744R1

SPACER

top cam

5шт.

5

660657R1

STIFFENER, inner drum housing

1шт.

BOLT W/NUT, 5/8 x 1-1/2 mach

2шт.

WASHER, 5/8 lock

2шт.

6

660668R91

CHANNEL, side drum housing

1шт.

BOLT, 5/16 x 3/4 mach

6шт.

BOLT W/NUT, 3/8 x 3/4 mach

6шт.

BOLT W/NUT, 3/8 x 1 mach

20шт.

657803R1

NUT, 5/16 wing

6шт.

WASHER, 3/8 lock

26шт.

7

660802R1

BRACKET, lifting arm, Unit A and B

2шт.

BOLT W/NUT, 5/8 x 2-1/4 mach

2шт.

BOLT W/NUT, 5/8 x 3 mach

2шт.

SCREW W/NUT, 5/8 x 13 cap

2шт.

WASHER, 5/8 lock

6шт.

8

660688R1

BRACKET, lifting arm, Units C and D

1шт.

BOLT W/NUT, 5/8 x 2-1/4 mach

1шт.

BOLT W/NUT, 5/8 x 3 mach

1шт.

SCREW W/NUT, 5/8 x 13 cap

1шт.

WASHER, 5/8 lock

3шт.

9

660673R2

PLATE, drum housing cover

1шт.

10

10215R

COVER

adjustable idler sprocket slot

1шт.

11

667576R1

TUBE, picker cam lubricator 1" OD, 5.53" Length

2шт.

12

667590R1

FITTING

BUSHING, cam lubricator

2шт.

13

660658R1

FILLER, rear drum housing top plate

1шт.

BOLT W/NUT, 3/8 x 3/4 mach

3шт.

WASHER, 3/8 lock

3шт.

14

660646R93

STIFFENER, angle drum housing

1шт.

BOLT W/NUT, 3/8 x 3/4 mach

1шт.

BOLT W/NUT, 5/16 x 3/4 mach

6шт.

SCREW W/NUT, 5/8 x 11 cap

1шт.

WASHER, 3/8 lock

5шт.

WASHER, 5/8 lock

1шт.

15

NOT USED

1шт.

16

NOT USED

1шт.

17

660652R92

ANGLE, front cam support

1шт.

BOLT W/NUT, 3/8 x 1 mach

4шт.

WASHER, 3/8 lock, 416-501 thru 1665, 422-501 thru 3136

4шт.

17

202683C1

ANGLE, assy, cam, support front, 416-1666 and up, 422-3137

1шт.

18

660671R92

CHANNEL, front drum housing

1шт.

BOLT, 5/16 x 3/4 mach

1шт.

BOLT W/NUT, 3/8 x 3/4 mach

15шт.

BOLT W/NUT, 3/8 x 1 mach

7шт.

657803R1

NUT, 5/16 wing

2шт.

WASHER, 3/8 lock

22шт.

19

660655R1

FILLER, front drum housing top plate

1шт.

BOLT W/NUT, 3/8 x 3/4 mach

2шт.

WASHER, 3/8 lock

2шт.

20

655984R1

SPACER, cam

4шт.

21

657739R1

SPACER, drum housing pipe

6шт.

SCREW W/NUT, 5/8 x 11 cap

4шт.

WASHER, 5/8 lock

4шт.

22

658293R1

PIN

lifting arm

2шт.

23

660687R1

CLEVIS

SPACER, lifting arm pin

2шт.

BOLT W/NUT, 3/8 x 2 mach

2шт.

WASHER, 3/8 lock

2шт.

24

657741R1

PLATE, drum housing inspection

6шт.

25

664937R1

BRACKET, drum tie rod, Units C and D

1шт.

BOLT W/NUT, 1/2 x 2 mach

2шт.

WASHER, 1/2 lock

2шт.

26

664935R91

ROD, drum tie, Units C and D

1шт.

BOLT W/NUT, 5/8 x 2-1/2 mach

1шт.

BOLT W/NUT, 5/8 x 3 mach

1шт.

NUT, 7/8NF

2шт.

SCREW W/NUT, 5/8 x 13 cap

1шт.

WASHER, 5/8 lock

3шт.

27

664948R1

COVER, cam cover plug opening

1шт.

BOLT W/NUT, 5/16 x 3/4 mach

2шт.

WASHER, 5/16 lock

2шт.

28

666206R91

SHIELD, drive shaft, Units B and D

1шт.

29

271284

YOKE

1/8 65 deg lubrication

2шт.

30

674780R2

BRACKET

chain guide

2шт.

18766R1

BOLT,Hex, 5/16"-18 x 1 3/4", G2

5/16 x 1-3/4 pltd hex-hd mach

1шт.

472146R1

LOCK NUT,5/16"-18, GB

NUT, 5/16-18 pltd hex lock

1шт.

18778R1

SCREW,Hex, 3/8"-16 x 3/4", G2

BOLT, 3/8 x 3/4 pltd hex-hd mach

2шт.

120377

NUT,3/8" - 16, Gr 5

2шт.

120382

LOCK WASHER,Helical Spring, 3/8"

WASHER, LOCK, 3/8"

1шт.

31

674781R1

GUIDE

chain

1шт.

Выбрано товаров: 92