Запчасти Case IH 414 (126) - LOW BOLL PICKUP ATTACHMENT (60) - PRODUCT FEEDING

Схема запчастей Case IH 414 - (126) - LOW BOLL PICKUP ATTACHMENT (60) - PRODUCT FEEDING
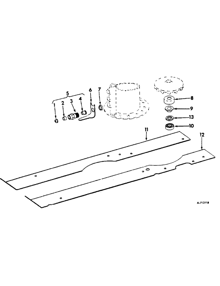
13
12
6
2
7
11
3
1
5
9
10
4
8
FIT
1:1
100%

Артикул

Название

Примечание

Количество

.

LOW BOLL PICKUP ATTACHMENT, when ordered, 667403R91

1шт.

1

661420R1

SHIELD

picker spindle

52шт.

2

10418R

BUSHING,14.15mm ID x 19.11mm OD x 19.05mm L

spindle nut plain

52шт.

3

NOT SERVICED SEPARATELY

1шт.

4

656788R4

BUSHING,14.15mm ID x 19.11mm OD x 19.05mm L

spindle nut flanged

52шт.

5

667373R11

NUT W/BUSHINGS, spindle left

26шт.

5

667374R11

NUT W/BUSHINGS, spindle right

26шт.

6

667369R1

RINGER, low spindle pickup

52шт.

7

667370R1

SPACER, low spindle pickup finger

52шт.

8

667375R1

SHIELD, lower doffer bearing

4шт.

9

667376R1

SPACER, lower doffer bearing

4шт.

10

524598R91

BALL BEARING,20mm ID x 52mm OD x 15mm W

doffer lower

4шт.

10

524598R91GV

BEARING

Value, Ball Bearing

4шт.

11

667372R1

SKID, plate inner right

1шт.

11

667371R1

SKID, plate inner left

1шт.

.

BOLT W/NUT, 3/8 x 3/4 mach

1шт.

.

BOLT W/NUT, 3/8 x 1 mach

3шт.

.

WASHER, 3/8 lock

4шт.

12

667385R1

SKID, plate outer right

1шт.

12

667384R1

SKID, plate outer left

1шт.

.

BOLT W/NUT, 3/8 x 1 mach

5шт.

.

WASHER, 3/8 lock

5шт.

13

668413R1

FELT, lower doffer bearing

4шт.

Выбрано товаров: 23