Запчасти Case IH 414 (155) - FAN DRIVE SHAFT, ROCKWELL STANDARD, 416CH501H THROUGH 1199K, 422CH501H THROUGH 2039K (74) - CLEANING

Схема запчастей Case IH 414 - (155) - FAN DRIVE SHAFT, ROCKWELL STANDARD, 416CH501H THROUGH 1199K, 422CH501H THROUGH 2039K (74) - CLEANING
12
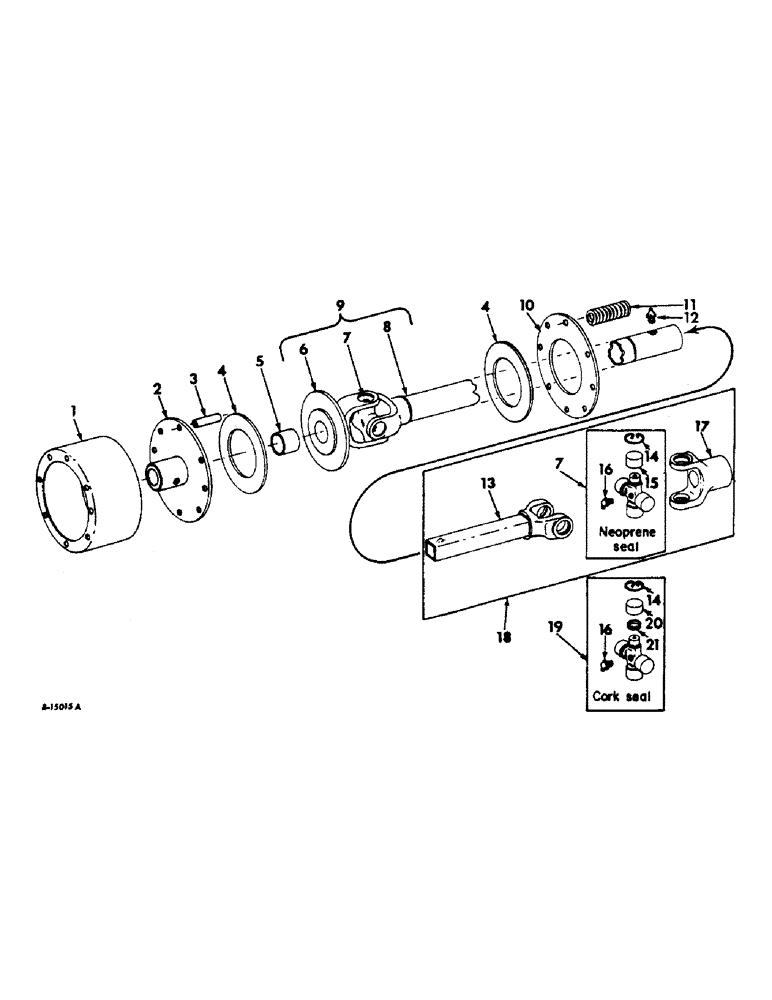
1
5
3
9
14
2
15
14
20
7
16
6
17
4
11
16
4
21
18
10
7
13
19
8
FIT
1:1
100%

Артикул

Название

Примечание

Количество

1

669513R1

SHIELD, limit clutch, 416CH501H thru 779H, 422CH501H thru 1192H

1шт.

BOLT, 3/8 x 4 dld mach

8шт.

NUT, 3/8

1шт.

NUT, 3/8 slt

8шт.

PIN, 3/32 x 3/4 cotter

8шт.

SCREW, 3/8 x 1-1/4 ov-pt sq-hd set

1шт.

614452R1

WASHER

13/32 x 1-1/4 x 11 ga

16шт.

2

669505R91

SHAFT ASSY, clutch input, 416CH501H thru 779H

1шт.

3

669512R1

SPACER, spring

8шт.

4

669510R1

DISC, clutch

2шт.

5

460538R1

BUSHING

flanged yoke

1шт.

6

669515R91

YOKE W/BUSHING, fan drive limit clutch

1шт.

7

347960R91

U-JOINT SPIDER

KIT, cross service, neoprene seal

2шт.

8

669514R92

YOKE AND TUBE ASSY, fan drive shaft

1шт.

9

669504R92

SHAFT ASSY, fan drive front half

1шт.

10

669509R1

PLATE, clutch

1шт.

11

669511R1

SPRING, limit clutch

8шт.

12

19688R91

FITTING, 1/4 str lubrication

1шт.

13

666751R92

SHAFT AND YOKE ASSY, square, 416CH501H thru 779H, 422CH501H thru 1192H

1шт.

13

670713R91

SHAFT AND YOKE ASSY, square, 416780K up, 4221193K up

1шт.

14

495962R1

RING

bearing retainer snap

8шт.

15

669563R91

NEEDLE BEARING

ASSY, cross

8шт.

16

219-40

LUBE NIPPLE,65 Degree Elbow, 1/8" - 27 NPTF

1/8 65 deg lubrication

2шт.

17

666691R1

YOKE, 416CH501H thru 779H, 422CH501H thru 1192H

1шт.

17

670714R1

YOKE, clamp, 416780K up, 4221193K up

1шт.

18

666689R93

JOINT

SHAFT ASSY, fan drive rear half, 416CH501H thru 779H, 422CH501H thru 1192H

1шт.

18

670712R91

SHAFT ASSY, fan drive rear half, 416780K up, 4221193K up

1шт.

SCREW W/NUT, 1/2 cap

1шт.

WASHER, 1/2 lock

1шт.

19

660116R91

NUT

KIT, cross service, cork seal

1шт.

20

661671R91

JOINT

BEARING ASSY, cross

4шт.

21

661714R1

WASHER, cork

4шт.

Выбрано товаров: 32