Запчасти Case IH 414 (184) - WATER TANK (80) - CROP STORAGE/UNLOADING

Схема запчастей Case IH 414 - (184) - WATER TANK (80) - CROP STORAGE/UNLOADING
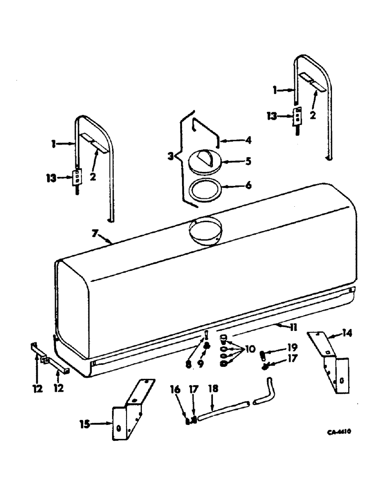
1
14
17
3
7
2
10
17
9
15
8
13
13
4
16
1
2
19
12
11
5
6
12
18
FIT
1:1
100%

Артикул

Название

Примечание

Количество

1

201494C1

STRAP

water tank, Replaces 665982R21, if 665982R21 is required order 201492C1 and 201494C1, 416-1551 and up 422-3077 and up

2шт.

2

LINING, water tank support, Use 9 in. of 1-1/2 webbing from a 50 ft. roll marked, 990541R1

2шт.

3

661988R11

CAP

ASSY, water tank

1шт.

4

661987R1

RETAINER

RAIL, water tank cap

1шт.

5

NOT SERVICED SEPARATELY, Order 661988R11

1шт.

6

661989R1

GASKET

water tank cap

1шт.

7

666211R92

TANK

ASSY, water, special

1шт.

7

201488C91

TANK

polyethylene water, Replaces 668069R11, Includes ref no. 10, if 668069R11 is required order 201488C91, 201489C1 and 4-201490C1, 416-1551 and up 422-3077 and up

1шт.

8

105407

NO LONGER SERVICED,Nipple, 1/4" NPT x 1 1/2"

NIPPLE, 1/4 x 1-1/2 pipe, in water tank, Used w/666211R92

1шт.

9

671025R1

BUSHING, water tank stand pipe, Used w/666211R92

1шт.

10

201491C1

FITTING

tank, Used w/201488C91

1шт.

11

201489C1

PAN

water tank, Used w/201488C91, 416-1551 and up 422-3077 and up

1шт.

12

201490C1

STRAP

water tank, Used w/201488C91

4шт.

16897R1

CARRIAGE BOLT,Short Nk, 5/16" - 18 x 3/4", Gr 2, Full Thd

BOLT, 5/16 x 3/4 znd sq-nk crg

4шт.

18765R1

BOLT,Hex, 5/16" - 18 x 1 1/2", Gr 2

5/16 x 1-1/2 znd hex-hd mach

2шт.

120376

NUT,5/16"-18, G5

6шт.

80681

LOCK WASHER,5/16"

WASHER, LOCK, , 416-1551 and up, 422-3077 and up 5/16"

6шт.

BOLT W/NUT, 5/16 x 3/4 crg

4шт.

BOLT W/NUT, 5/16 x 1-1/2 mach

2шт.

WASHER, 5/16 lock

6шт.

13

201492C1

STRAP ASSY, water tank

2шт.

16897R1

CARRIAGE BOLT,Short Nk, 5/16" - 18 x 3/4", Gr 2, Full Thd

BOLT, 5/16 x 3/4 znd sq-nk crg

2шт.

18508R1

CARRIAGE BOLT,Short Nk, 3/8" - 16 x 3/4", Gr 2, Full Thd

BOLT, 3/8 x 3/4 C-Z sq-nk crg

2шт.

120377

NUT,3/8" - 16, Gr 5

4шт.

120382

LOCK WASHER,Helical Spring, 3/8"

WASHER, LOCK, , 416-1551 and up, 422-3077 and up 3/8"

4шт.

BOLT W/NUT, 5/16 x 3/4 mach

2шт.

NUT, 5/16 spring

2шт.

WASHER, 5/16 lock

4шт.

14

665980R2

SUPPORT, water tank right

1шт.

15

665981R2

SUPPORT, water tank left

1шт.

16

119929

NUT, 3/8 pipe lock

1шт.

575811R1

WASHER

23/32 x 1-1/4 x 16 ga

2шт.

17

313317R1

HOSE CLAMP,#12, 3/4", Spring

CLAMP, hose

2шт.

18

HOSE, tank to valve water, Use 50 inches of 1/2 hose from 50 ft. roll marked 665181R1, 416CH501H thru 779H, 422CH501H thru 1192H

1шт.

18

HOSE, tank to valve water, Use 12 inches of 1/2 hose from 50 ft. roll marked 665181R1, 416CH780K up, 422CH1193K up

1шт.

19

665253R1

CONNECTOR, water hose

1шт.

481803R91

KIT

fiber glass repair, For 668069R11

1шт.

Выбрано товаров: 37