Запчасти Case IH 414 (068) - GEAR SHIFT AND LEFT HAND CONTROLS (90) - PLATFORM, CAB, BODYWORK AND DECALS

Схема запчастей Case IH 414 - (068) - GEAR SHIFT AND LEFT HAND CONTROLS (90) - PLATFORM, CAB, BODYWORK AND DECALS
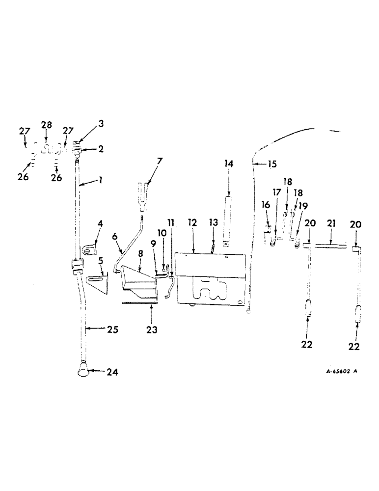
16
9
4
8
2
12
23
19
6
21
20
22
28
17
26
14
15
5
24
22
25
10
27
18
20
18
11
13
27
1
26
3
7
FIT
1:1
100%

Артикул

Название

Примечание

Количество

1

668070R91

ROD, gear shifter (4141120G up) (4202060G up)

1шт.

1

666020R91

ROD, gear shifter (414501E thru 1119G) (420501E thru 2059G)

1шт.

2

661354R92

EXTENSION, gear shifter (414501E thru 1119G) (420501E thru 2059G)

1шт.

3/16 X 1" COTTER PIN

1шт.

TJ31

1/2 X 2-7/8" STD-HD PIN

1шт.

102894

SET SCREW

3/8 X 3/4" SQ-HD CUP-PT SET SCREW

2шт.

3

661861R1

BLOCK, gear shifter attaching (414501E thru 1119G) (420501E thru 2059G)

1шт.

1/2 X 2-1/2" MACH BOLT W/NUT

1шт.

1/2" LOCK WASHER

1шт.

4

661353R1

BLOCK, gear shift rod guide

1шт.

3/8 X 1" MACH BOLT W/NUT

1шт.

3/8 X 1-1/4" MACH BOLT W/NUT

1шт.

3/8" LOCK WASHER

2шт.

5

666027R1

PLATE, gear shift guide

1шт.

3/8 X 3/4" MACH BOLT W/NUT

2шт.

3/8" LOCK WASHER

2шт.

6

666191R1

ROD, drum drive lockout

1шт.

1/8 X 1" COTTER PIN

2шт.

11002VA

WASHER

17/32 X 7/8" X 16 GA WASHER

2шт.

7

221465

CLEVIS, 1/2" heavy duty

1шт.

1/2" JAM NUT

1шт.

5/32 X 3/4" COTTER PIN

1шт.

114787

AXLE PIN

1/2" ROD END PIN

1шт.

8

666187R1

LOCKOUT, drum drive

1шт.

9

666193R1

LOCKOUT, reverse

1шт.

3/8 X 1" MACH BOLT W/NUT

1шт.

3/8" LOCK WASHER

1шт.

13/32 X 7/8" X 16 GA WASHER

1шт.

10

R1076

BUSHING, reverse lockout pivot

1шт.

11

666194R1

ROD, reverse lockout

1шт.

3/32 X 1" COTTER PIN

2шт.

12

666023R91

PLATE, gear selector

1шт.

3/8 X 3/4" MACH BOLT W/NUT

1шт.

3/8" LOCK WASHER

1шт.

13

M90102

SPRING

drum drive lockout

1шт.

8/16 X 3/4" COTTER PIN

1шт.

14

666026R1

SUPPORT, gear selector plate

1шт.

3/8 X 3/4" MACH BOLT W/NUT

2шт.

3/8" LOCK WASHER

2шт.

15

661837R91

CHOKE

CABLE, control

1шт.

16

665967R1

PLATE, drum drive control shaft bearing

1шт.

3/8 X 3/4" MACH BOLT W/NUT

2шт.

3/8" LOCK WASHER

2шт.

17

665966R1

ARM, basket hydraulic control

1шт.

18

665968R91

ROD, basket and drum drive control

2шт.

1/8 X 1/2 COTTER PIN

2шт.

1/8 X 1" COTTER PIN

2шт.

517494R1

1/4 X 1-3/8" STD-HD PIN

2шт.

19

666363R1

ARM, drum drive lever

1шт.

1/2 X 2-3/4" MACH BOLT W/NUT

1шт.

1/2" LOCK WASHER

1шт.

17/32 X 1" X 11 GA WASHER

2шт.

20

665963R1

LEVER, basket and drum control

2шт.

21

665964R1

SHAFT, drum and basket control

1шт.

1/8 X 1-1/4" COTTER PIN

2шт.

576485R1

LOCK PIN,1/4" x 1 1/4", Slotted

1шт.

22

662579R1

GRIP

lever

2шт.

23

666190R1

PIN, drum drive lockout pivot

1шт.

1/8 X 3/4" COTTER PIN

3шт.

24

629626R1

BALL, gear shift rod

1шт.

25

666029R91

LEVER, gear shift

1шт.

26

668073R1

YOKE, gear shifter (4141120C up) (4202060G up)

2шт.

3/8 X 2-1/2" MACH BOLT W/NUT

2шт.

1/2 X 3" MACH BOLT W/NUT

1шт.

3/8" LOCK WASHER

2шт.

1/2" LOCK WASHER

1шт.

27

651501R1

BUSHING

SPACER, gear shift yoke (4141120G up) (4202060G up)

2шт.

28

6680725R1

BLOCK, gear shift attaching (4141120G up) (4202060G up)

1шт.

1/2 X 2-1/2" MACH BOLT W/NUT

1шт.

1/2" LOCK WASHER

1шт.

Выбрано товаров: 70