Запчасти Case IH 414 (177) - PEDALS AND RIGHT HAND CONTROLS (90) - PLATFORM, CAB, BODYWORK AND DECALS

Схема запчастей Case IH 414 - (177) - PEDALS AND RIGHT HAND CONTROLS (90) - PLATFORM, CAB, BODYWORK AND DECALS
35
24
37
46
33
38
18
21
30
12
9
45
22
3
34
3
36
14
2
48
20
31
33
49
26
29
6
22
8
16
26
50
7
47
25
11
39
32
5
28
13
42
40
15
23
17
41
33
10
49
1
27
19
FIT
1:1
100%

Артикул

Название

Примечание

Количество

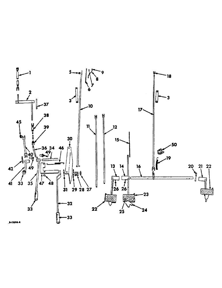
1

668099R92

ROD, fan control

1шт.

PIN, 3/32 x 5/8 cotter

2шт.

PIN, 1/8 x 1 cotter

1шт.

327-5094

CLEVIS PIN,5/16" x .940"

PIN, 5/16 rod end

1шт.

114787

AXLE PIN

PIN, 1/2 rod end

1шт.

2

667466R91

ROCKSHAFT, fan drive

1шт.

PIN, 3/16 x 1-1/4 cotter

1шт.

3

661994R1

STRAP, rod support

2шт.

BOLT W/NUT, 3/8 x 3/4 mach

1шт.

WASHER, 3/8 lock

1шт.

4

NOT USED

1шт.

5

5326

COLLAR, governor control rear, for D-282 engines only

1шт.

NUT, 5/16NF jam

1шт.

102892

SET SCREW

3/8 x 1/2 sq-hd cup-pt set

1шт.

6

66042R1

ROD, governor control rear, for D-282 engines only

1шт.

NUT, 5/16NF jam

1шт.

7

275829R2

BALL JOINT, governor control rod, for D-282 engines only

1шт.

7

666035R1

STUD, ball joint, C-263 engines only

1шт.

NUT, 1/4NF jam

1шт.

PIN, 1/16 x 1/2 cotter

1шт.

WASHER, 1/4 lock

1шт.

8

666112R1

ROD, governor control rear, C-263 engines only

1шт.

NUT, 1/4NF jam

1шт.

9

369474R1

TURNBUCKLE

governor control rod, C-263 engines only

1шт.

NUT, 1/4NF left hand

1шт.

10

666046R91

ROD, governor control

1шт.

PIN, 3/32 x 3/4 cotter

1шт.

11

665961R91

ROD, hydraulic control valve upper

1шт.

PIN, 1/8 x 1/2 cotter

1шт.

PIN, 1/8 x 1 cotter

1шт.

517194R1

PIN, 1/4 x 1-3/8 std-hd

1шт.

12

665959R91

ROD, hydraulic control valve lower

1шт.

PIN, 1/8 x 1/2 cotter

1шт.

PIN, 1/8 x 1 cotter

1шт.

517194R1

PIN, 1/4 x 1-3/8 std-hd

1шт.

13

666005R91

PEDAL, right brake

1шт.

14

666000R91

PEDAL, left brake

1шт.

15

666006R1

RATCHET, brake pedal

1шт.

PIN, 1/8 x 3/4 cotter

1шт.

B921/2

PIN, 3/8 x 7/8 std-hd

1шт.

16

666013R91

SHAFT, clutch pedal

1шт.

PIN, 1/4 x 1-1/2 cotter

2шт.

17

661303R91

ROD, clutch

1шт.

NUT, 1/2NF

1шт.

PIN, 1/8 x 1 cotter

1шт.

103498

CLEVIS PIN,1/2" x 1.360"

PIN, 1/2 x 2 std-hd

1шт.

18

221465

CLEVIS, clutch rod

1шт.

121224

SUPPORT

3/32" x 1"

1шт.

103498

CLEVIS PIN,1/2" x 1.360"

PIN, 1/2 rod end

1шт.

19

48599DA

SPRING

pedal return

1шт.

20

666016R1

BEARING, clutch pedal

1шт.

BOLT W/NUT, 5/16 x 3/4 mach

2шт.

WASHER, 5/16 lock

1шт.

21

666012R91

PEDAL, clutch

1шт.

576517R1

LOCK PIN,1/4" x 1 1/2", Slotted

Pin, 1/4" x 1 1/2", Slotted

1шт.

22

627510R1

PAD, clutch pedal

2шт.

BOLT W/NUT, 3/8 x 1-1/4 mach

2шт.

WASHER, 3/8 lock

2шт.

23

627511R91

PAD, left brake pedal

1шт.

BOLT W/NUT, 3/8 x 1-1/4 mach

1шт.

WASHER, 3/8 lock

1шт.

24

43751DB

LATCH, PEDALS

LOCK, brake pedal

1шт.

25

51293

BEARING ASSY

SPRING, brake lock

1шт.

RIVET, 1/4 x 1-1/4 b-hd

1шт.

26

443567

LUBE NIPPLE,1/4" x .56 lg, Drive

FITTING, 1/4 drive lubrication

2шт.

27

11840R

WASHER

governor control

1шт.

28

55770D

SPRING

governor control friction

1шт.

29

666045R1

PLATE, governor control

1шт.

BOLT W/NUT, 1/2 x 3 mach

1шт.

452170R1

NUT,1/2"-13, GB

1/2 elastic stop

1шт.

PO13669

PIN,1/4" x 1 1/8"

1/4 x 1-1/8 std-hd

1шт.

30

665999R1

SUPPORT, brake cylinder and pedal

1шт.

BOLT W/NUT, 3/8 x 3/4 crg

1шт.

BOLT W/NUT, 3/8 x 3/4 mach

1шт.

WASHER, 3/8 lock

2шт.

31

58666D

FRICTION WASHER

governor control friction

2шт.

32

666043R1

LEVER, governor control

1шт.

33

662579R1

GRIP

lever

3шт.

34

666298R1

SHAFT, fan and ground drive control

1шт.

PIN, 1/8 x 1-1/4 cotter

2шт.

35

665857R1

LEVER, fan control

1шт.

36

667470R1

ARM, fan control

1шт.

37

667471R1

BEARING, fan drive rockshaft

1шт.

BOLT W/NUT, 5/8 x 3 mach

2шт.

WASHER, 5/8 lock

2шт.

38

668098R91

ROD, fan control short

1шт.

NUT, 5/16NF

1шт.

PIN, 1/8 x 1 cotter

1шт.

114787

AXLE PIN

PIN, 1/2 rod end

1шт.

39

213-315

CLEVIS

5/16 adjustable

1шт.

PIN, 3/32 x 5/8 cotter

1шт.

327-5094

CLEVIS PIN,5/16" x .940"

PIN, 5/16 rod end

1шт.

40

666161R91

ROD, ground drive lever

1шт.

41

666166R1

LEVER, ground drive control

1шт.

42

666165R1

PLAGE, ground drive bearing

1шт.

BOLT W/NUT, 3/8 1 mach

2шт.

WASHER, 3/8 lock

2шт.

43

NOT USED

1шт.

44

NOT USED

1шт.

45

281402R1

SPRING

1шт.

46

10310R

SPRING

latch

1шт.

47

667940R1

LATCH, fan control lever

1шт.

48

568034R1

SPACER

1шт.

BOLT W/NUT, 3/8 x 1-1/4 mach

1шт.

WASHER, 3/8 lock

1шт.

WASHER, 13/32 x 1 x 16 ga

3шт.

49

87414

LUBE NIPPLE,1/4" - 28

FITTING, 1/4 lubrication

2шт.

50

668082R1

ANCHOR

spring

1шт.

BOLT W/NUT, 3/8 x 3/4 mach

1шт.

WASHER, 3/8 lock

1шт.

Выбрано товаров: 110