Запчасти Case IH 420 (037) - TRANSMISSION CONTROL LEVER AND HOUSING (21) - TRANSMISSION

Схема запчастей Case IH 420 - (037) - TRANSMISSION CONTROL LEVER AND HOUSING (21) - TRANSMISSION
12
3
12
8
18
8
9
23
5
11
20
1
14
17
8
10
13
21
2
9
19
9
12
15
22
7
24
16
12
6
4
22
FIT
1:1
100%

Артикул

Название

Примечание

Количество

666132R91

TRANSMISSION ASSEMBLY, Consists of parts listed below and parts shown in "Transmission" unit.

1шт.

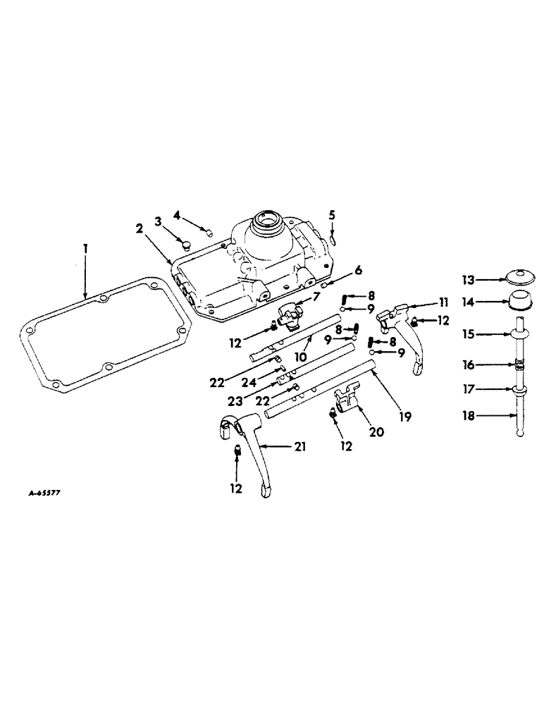
1

668066R1

GASKET

control housing

1шт.

2

71877R1

HOUSING, control

1шт.

3/8 X 3/4" NYLOCK CAP SCREW

6шт.

3

82075R1

BREATHER

1шт.

4

37-1410

DOWEL,1/4" x 5/8"

PIN, control housing

1шт.

5

172531

PLUG,Exp, 3/4"

expansion

6шт.

6

59761HO

PLUG, taper

1шт.

7

82090R1

END, reverse shift rail

1шт.

8

59411R1

SPRING, poppet

3шт.

9

D2615

BALL

3/8" steel

3шт.

10

71884R1

RAIL, reverse shift

1шт.

11

71881R1

FORK, third and direct shift

1шт.

12

23079H

SCREW, lock

4шт.

13

33710H

COVER, transmission stub shaft

1шт.

14

82078R1

COVER

CAP, control housing

1шт.

15

82192R1

WASHER, control lever spring

1шт.

16

27098HA

SPRING, control lever

1шт.

17

83780R1

BALL, fulcrum

1шт.

18

666501R91

LEVER, control

1шт.

19

71880R1

RAIL, low and second shift

1шт.

20

71883R1

END, first and second shift rail

1шт.

21

71882R1

FORK, first and second shift

1шт.

22

27096H

PLUNGER

interlock

2шт.

23

71879R1

RAIL, third and direct shift

1шт.

24

59412R1

PIN, interlock

1шт.

Выбрано товаров: 26