Запчасти Case IH 420 (095) - HYDRAULIC DRUM CONTROL ATTACHMENT, DRUM HEIGHT CONTROL VALVE (35) - HYDRAULIC SYSTEMS

Схема запчастей Case IH 420 - (095) - HYDRAULIC DRUM CONTROL ATTACHMENT, DRUM HEIGHT CONTROL VALVE (35) - HYDRAULIC SYSTEMS
7
11
16
3
15
6
13
12
9
10
4
14
5
8
2
17
1
5
FIT
1:1
100%

Артикул

Название

Примечание

Количество

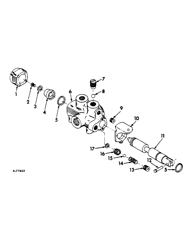
669069R91

VALVE ASSY, drum height control (Consists of all parts listed below)

2шт.

1

669540R1

COWL

BONNET, valve

1шт.

131987

8-32 X 1" CD OR ZN-PLTD SLT-FIL HD MACH SCREW

4шт.

2

669535R1

SCREW, 1/4 x 1/2" cd or zn-pltd slt-rd-hd mach screw

1шт.

131098

LOCK WASHER,1/4"

1/4"

1шт.

3

469668R1

WASHER

13/32 x 3/4" x 16 ga cd or zn-pltd

1шт.

4

669539R1

SPACER, 301 valve conversion

1шт.

5

669538R1

SEAL

cup U

2шт.

6

HOUSING, valve (Not serviced separately order valve assy)

1шт.

7

669542R1

PLUG, valve check ball

1шт.

8

663033R1

BALL

9/16" nylon check

1шт.

9

143997

PLUG

1/4" sq-soc-hd pipe by pass

1шт.

10

669536R1

BRACKET, handle

1шт.

132259

GUARD

1/4 X 5/8" CD OR ZN PLTD SLT-FIL HD MACH SCREW

2шт.

492-11025

LOCK WASHER,1/4"

WASHER, LOCK, 1/4"

2шт.

11

SPOOL, valve (Not serviced separately order valve assy)

1шт.

12

669537R1

PIN, handle

1шт.

3/32 X 1/2" CD OR ZN PLTD COTTER PIN

1шт.

13

143162

PLUG

3/8" sq-soc-hd pipe

1шт.

14

669541R1

SPRING, relief

1шт.

15

16012R1

BALL

3/8" steel

1шт.

16

669543R1

SEAT

relief

1шт.

17

252738R1

O-RING,0.103" Thk x 0.362" ID, -110, Cl 5, 75 Duro

RING, relief

1шт.

Выбрано товаров: 23