Запчасти Case IH 420 (049) - FAN DRIVE LIMIT CLUTCH SHAFT, FIELD APPLICATION (74) - CLEANING

Схема запчастей Case IH 420 - (049) - FAN DRIVE LIMIT CLUTCH SHAFT, FIELD APPLICATION (74) - CLEANING
4
16
2
6
8
14
19
4
20
12
1
18
15
10
21
13
7
3
17
16
5
14
9
11
7
FIT
1:1
100%

Артикул

Название

Примечание

Количество

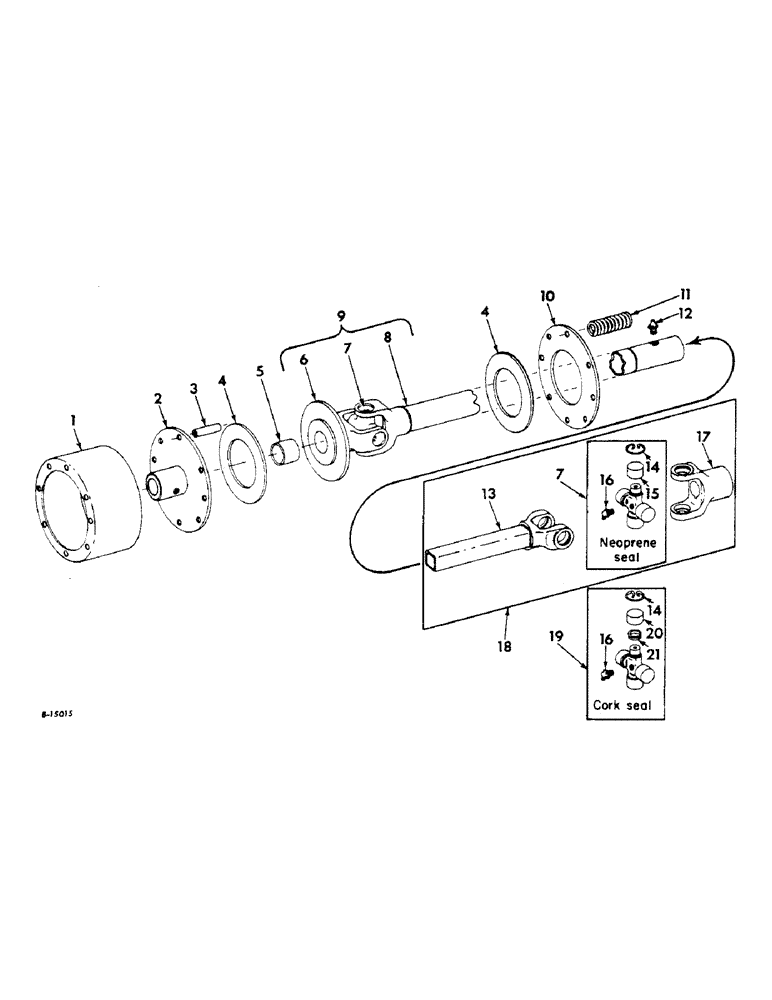
1

669513R1

SHIELD, limit clutch

1шт.

3/8 X 4" DLD MACH BOLT

8шт.

3/8" NUT

1шт.

3/8" SLT NUT

8шт.

3/32 X 3/4" COTTER PIN

8шт.

3/8 X 1-1/4" OV-PT SQ-HD SET SCREW

1шт.

614452R1

WASHER

13/32 X 1-1/4" X 11 GA WASHER

16шт.

2

669505R91

SHAFT ASSY., clutch input

1шт.

3

669512R1

SPACER, spring

8шт.

4

669510R1

DISC, clutch

2шт.

5

460538R1

BUSHING

lfanged yoke

1шт.

6

669515R91

YOKE W/BUSHING, fan drive limit clutch

1шт.

7

347960R91

U-JOINT SPIDER

KIT, cross service (Neoprene seal)

2шт.

8

669514R91

YOKE AND TUBE ASSY. FAN DRIVE SHAFT

1шт.

9

669504R91

SHAFT ASSY, fan drive front half

1шт.

10

669509R1

PLATE, CLUTCH

1шт.

11

669511R1

SPRING, limit clutch

8шт.

12

19688R1

LUBE NIPPLE,1/4"-28 x .44" lg

FITTING, 1/4" str. lubrication

1шт.

13

666751R91

SHAFT AND YOKE ASSY. square

1шт.

14

495962R1

RING

bearing retainer snap

8шт.

15

669563R91

NEEDLE BEARING

ASSY. cross

8шт.

16

219-40

LUBE NIPPLE,65 Degree Elbow, 1/8" - 27 NPTF

1/8" 65 degree lubrication

2шт.

17

666691R1

YOKE

1шт.

18

666689R92

SHAFT ASSY, fan drive rear half

1шт.

19

660116R91

NUT

KIT, cross service (Cork seal)

1шт.

20

661671R91

JOINT

BEARING ASSY, cross

4шт.

21

661714R1

WASHER, cork

4шт.

Выбрано товаров: 27