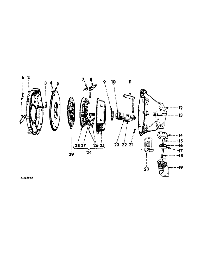
Запчасти Case IH 420 (328) - FLYWHEEL, FLYWHEEL HOUSING AND CLUTCH, 414, UP TO SERIAL NO. CH1119F, 420, UP TO SERIAL NO. CH2059F (10) - ENGINE

Схема запчастей Case IH 420 - (328) - FLYWHEEL, FLYWHEEL HOUSING AND CLUTCH, 414, UP TO SERIAL NO. CH1119F, 420, UP TO SERIAL NO. CH2059F (10) - ENGINE
21
16
8
26
7
25
28
2
15
27
6
3
18
1
24
17
5
22
12
10
20
13
19
9
11
23
14
4
29
FIT
1:1
100%

Артикул

Название

Примечание

Количество

1

367225R1

BAR

SEAL, adapter housing seal

1шт.

SCREW, 5/16 x 5/8 cap

2шт.

WASHER, 11/32 x 11/16 x .065 ga

2шт.

2

376595R1

ADAPTER

HOUSING, adapter

1шт.

SCREW, 1/2 x 1-1/4 cap

6шт.

WASHER, 1/2 lock

6шт.

3

ST545

BALL BEARING,19 mm ID x 35 mm OD x 11 mm

BEARING, clutch pilot

1шт.

4

376594R91

FLYWHEEL, w/ring gear

1шт.

323979R1

BOLT (SPREADER),Hex, 7/16" - 20 x 1.75"

BOLT, 7/16-20NF x 1-3/4 hex lock

6шт.

5

372588R1

GEAR, flywheel ring, 159T

1шт.

6

98051R1

COVER, timing indicator

1шт.

440-1258

SCREW,Cross Pan Hd, 1/4"-20 x 1/2"

1/4 x 1/2 slt-rd-hd mach

1шт.

WASHER, 1/4 lock

1шт.

WASHER, 9/32 x 5/8 x 16 ga

1шт.

7

189726R1

VALVE SPRING

SPRING, lever

3шт.

8

236062R91

SET, lever, Consists of three lever kits, 223447R91

1шт.

8

223446R11

LEVER W/SCREW

3шт.

146806R1

SCREW,Hex, 5/16" - 24 x 15/32"

lever

3шт.

9

121515R91

NO LONGER SERVICED

BEARING, sleeve clutch release

1шт.

10

62634HC

RELEASE, sleeve clutch

1шт.

11

316142R91

SHAFT, clutch release

1шт.

12

871972R2

HOUSING, clutch

1шт.

65449R1

BOLT,Hex, 1/2"

SCREW, housing, Serial Range: 1962-1966

2шт.

392584R1

SCREW, housing shoulder, 1966 and since

1шт.

102637

NUT,1/2"-13, G5

For 392584R1 screw 1/2"-13, G5

1шт.

168392R1

BOLT,Hex, 1/2" - 13 x 2 1/2", Gr 8

SCREW, housing

2шт.

SCREW, 1/4 x 1-3/4 cap

4шт.

WASHER, 1/4 lock

4шт.

WASHER, 1/2 lock

4шт.

13

109461

LUBE NIPPLE,1/8"-27 x .66 lg

NIPPLE, LUBE, 1/8"-27 x .66 lg

2шт.

14

185412R92

INSULATOR

BRACKET, mounting

2шт.

15

185419R1

SLEEVE

mounting

2шт.

16

185420R1

INSULATOR

mounting

2шт.

17

185411R1

RETAINER

insulator

2шт.

18

185199R91

BOLT

special

2шт.

WASHER, 17/32 x 1-1/16 x .095 ga

2шт.

19

666063R91

SUPPORT, engine mount front left

1шт.

19

666064R91

SUPPORT, engine mount front right

1шт.

BOLT W/NUT, 1/2 x 1-1/4 mach

3шт.

BOLT W/NUT, 1/2 x 1-1/2 mach

1шт.

WASHER, 1/2 lock

4шт.

WASHER, 17/32 x 1 x 16 ga

4шт.

20

871976R1

COVER, clutch housing hand hole

1шт.

SCREW, 5/16 x 1/2 cd-pltd cap

2шт.

WASHER, 5/16 cd-pltd lock

2шт.

WASHER, 11/32 x 11/34 x 16 ga C-Z

1шт.

21

112139

WOODRUFF KEY,#A, 1/4" x 7/8"

KEY, clutch release fork, 1/4 x 7/8 no. A Woodruff

1шт.

22

62635HD

CRADLE

FORK, clutch release

1шт.

NUT, 3/8NF

1шт.

SCREW, 3/8NF x 1-3/4 cap

1шт.

WASHER, 3/8 lock

1шт.

23

126121

LUBE NIPPLE,1/8"-27 NPT x 1.36" lg

FITTING, 1/8 straight lubrication

1шт.

24

223444R91

COVER ASSY

PLATE ASSY, clutch pressure

1шт.

25

143224R1

PLATE, back

1шт.

73092R2

SCREW, back plate

6шт.

WASHER, 3/8 lock

6шт.

26

223447R91

KIT ASSY, clutch lever

3шт.

27

68740H

SPRING

pressure

12шт.

28

199816R1

PLATE, pressure

1шт.

29

143228R91

DISC ASSY, driven, organic facing, optional w/disc, 43667HH

1шт.

29

43667HH

DISC ASSY, driven, semi-metallic facing, optional w/143228R91

1шт.

169071R1

PLUG

clutch housing

2шт.

133452R1

SLEEVE

DOWEL, sleeve type

2шт.

661791R1

WASHER, engine support centering

2шт.

Выбрано товаров: 64