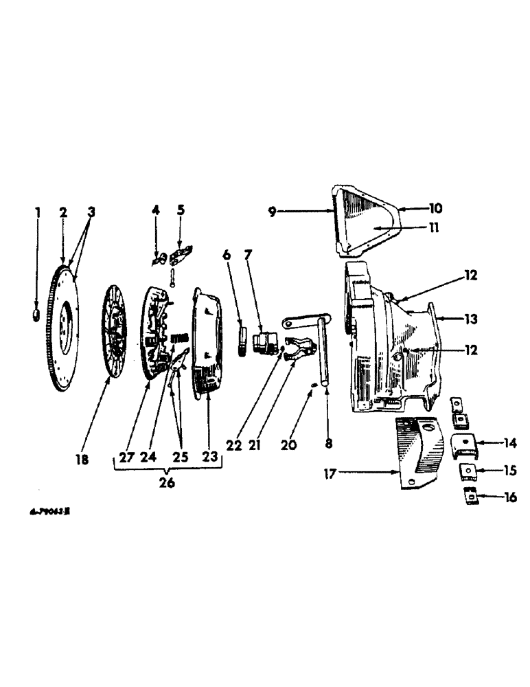
Запчасти Case IH 420 (330) - FLYWHEEL, FLYWHEEL HOUSING AND CLUTCH, 414, CH1120G THROUGH CH1568G, 420, CH2060 THROUGH CH2820G (10) - ENGINE

Схема запчастей Case IH 420 - (330) - FLYWHEEL, FLYWHEEL HOUSING AND CLUTCH, 414, CH1120G THROUGH CH1568G, 420, CH2060 THROUGH CH2820G (10) - ENGINE
6
17
4
15
7
3
24
23
12
14
13
12
21
20
8
11
26
27
25
9
1
16
10
2
18
22
5
FIT
1:1
100%

Артикул

Название

Примечание

Количество

1

ST545

BALL BEARING,19 mm ID x 35 mm OD x 11 mm

BEARING, clutch pilot

1шт.

2

95691H

GEAR

flywheel ring

1шт.

3

69496R11

FLYWHEEL ASSY

1шт.

70426R1

BOLT, Serial Range: flywheel-crankshaft

6шт.

4

189726R1

VALVE SPRING

SPRING, clutch lever

3шт.

5

233446R11

LEVER ASSY, clutch release

3шт.

146806R1

SCREW,Hex, 5/16" - 24 x 15/32"

BOLT, lever

3шт.

6

121515R91

NO LONGER SERVICED

BEARING, clutch release sleeve

1шт.

7

62634HC

RELEASE SLEEVE, clutch

1шт.

8

387466R91

LEVER AND SHAFT ASSY, clutch release

1шт.

17446R1

BOLT,3/8" - 16 x 1 1/4", Gr 2

3/8 x 1-1/4 mach

1шт.

103321

LOCK WASHER,3/8"

WASHER, LOCK, 3/8"

1шт.

102635

NUT,3/8"-16, G5

1шт.

9

384380R1

FELT, flywheel housing

1шт.

10

70113R1

GASKET, flywheel housing cover

1шт.

11

312551R91

COVER ASSY, flywheel housing

1шт.

32-1212

COTTER PIN,3/16" x 3/4"

PIN, SPLIT (COTTER), 3/16" x 3/4"

1шт.

440-1258

SCREW,Cross Pan Hd, 1/4"-20 x 1/2"

1/4NF x 1/2 slt-rd-hd

6шт.

118773

WASHER,0.28" ID x 0.62" OD x 0.07" Thk

9/32 x 5/8 x 16 ga

6шт.

12

109461

LUBE NIPPLE,1/8"-27 x .66 lg

NIPPLE, LUBE, , PTF 1/8"-27 x .66 lg

2шт.

13

384361R1

HOUSING, flywheel

1шт.

179883

BOLT,Hex, 1/2" - 13 x 1 1/4", Gr 5

2шт.

179886

BOLT,Hex, 1/2" - 13 x 1 5/8", Gr 5

SCREW, 1/2-13 x 1-5/8 hex-hd cap

2шт.

179884

BOLT,Hex, 1/2" - 13 x 1 3/8", Gr 5, Full Thd

SCREW, 1/2-13 x 3-1/4 hex-hd cap

2шт.

103323

LOCK WASHER,1/2"

WASHER, LOCK, 1/2"

6шт.

14

165305R1

FITTING, 1/8-27 PTF str lub

2шт.

15

95148HA

INSULATOR

MOUNTING, engine, small

4шт.

16

105077H

CLAMP, engine mounting

4шт.

17

666058R91

SUPPORT, engine left front

1шт.

17

666059R91

SUPPORT, engine right front

1шт.

18452R1

LOCK NUT,1/2"-20, GB

NUT, 1/2NF elastic stop

2шт.

17448R1

BOLT (SPREADER)

BOLT, 1/2 x 1-1/4 mach

3шт.

17473R1

BOLT,Hex, 1/2" - 13 x 1 1/2", Gr 2

1/2 x 1-1/2 mach

1шт.

102637

NUT,1/2"-13, G5

4шт.

192202

SCREW, 1/2NF x 4-1/4 cap

2шт.

103323

LOCK WASHER,1/2"

WASHER, LOCK, 1/2"

4шт.

178373R1

WASHER

17/32 x 1 x 16 ga

4шт.

18

143228R91

DISC ASSY, clutch driven, organic facing, optional w/43667HH

1шт.

18

43667HH

DISC ASSY, driven, semi-metallic facing, optional w/143228R91

1шт.

19

NOT USED IN THIS APPLICATION

1шт.

20

112139

WOODRUFF KEY,#A, 1/4" x 7/8"

KEY, 1/4 x 7/8 no. A Woodruff, clutch release shaft

1шт.

21

62635HD

CRADLE

FORK, clutch release

1шт.

384379R1

STOP, clutch release fork screw

1шт.

120369

NUT,3/8"-24, G5

1шт.

181646

BOLT,Hex, 3/8" - 24 x 1 3/4", Gr 5

SCREW, 3/8NF x 1-3/4 cd-pltd cap

1шт.

120382

LOCK WASHER,Helical Spring, 3/8"

WASHER, LOCK, 3/8"

1шт.

22

126121

LUBE NIPPLE,1/8"-27 NPT x 1.36" lg

FITTING, 1/8 straight lubrication

1шт.

23

143224R1

PLATE, back

1шт.

73092R2

SCREW, back plate

6шт.

120382

LOCK WASHER,Helical Spring, 3/8"

WASHER, LOCK, 3/8"

6шт.

24

68740H

SPRING

pressure

12шт.

25

223447R91

KIT, clutch lever assy

3шт.

26

223444R91

COVER ASSY

PLATE ASSY, clutch pressure

1шт.

27

199816R1

PLATE, clutch pressure

1шт.

57579DX

COVER

clutch housing dust

1шт.

Выбрано товаров: 55