Запчасти Case IH 622 (E-07) - FUEL SYSTEM, AIR CLEANER AND CONNECTIONS, DIESEL (02) - FUEL SYSTEM

Схема запчастей Case IH 622 - (E-07) - FUEL SYSTEM, AIR CLEANER AND CONNECTIONS, DIESEL (02) - FUEL SYSTEM
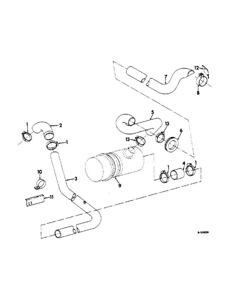
13
1
4
1
7
9
10
8
13
1
1
6
12
5
2
11
3
FIT
1:1
100%

Артикул

Название

Примечание

Количество

1

397257R1

HOSE CLAMP,#52, 2.81/3.75 Type F Worm, W/liner

hose

4шт.

2

672875R1

intake at manifold

1шт.

3

672876R11

ASSY, intake, belt drive

1шт.

3

202737C1

ASSY, intake, hydrostatic drive

1шт.

4

278637R1

intake at air cleaner

1шт.

5

372877R1

HOSE, air cleaner inlet, belt drive

1шт.

5

202739C1

air cleaner inlet, hydrostatic drive

1шт.

6

284497R1

rubber

1шт.

7

201777C1

PIPE, air intake front, replaces 673877R1

1шт.

8

384402R1

FASTENER

CLAMP, air intake pipe front

1шт.

18779R1

BOLT,Hex, 3/8"-16 x 1 1/2", Gr 2

3/8 x 1-1/2 znd hex-hd mach

1шт.

120377

NUT,3/8" - 16, Gr 5

1шт.

120382

LOCK WASHER,Helical Spring, 3/8"

WASHER, LOCK, 3/8"

1шт.

9

CLEANER, air, see section E air cleaner

1шт.

10

231828R1

pipe

1шт.

18764R1

HARDWARE,Hex, 5/16"-18 x 3/4", G2

BOLT, 5/16 x 3/4 znd hex-hd mach

1шт.

120376

NUT,5/16"-18, G5

1шт.

80681

LOCK WASHER,5/16"

WASHER, LOCK, 5/16"

1шт.

11

674777R1

air intake pipe

1шт.

18654R1

BOLT,Hex, 1/4" - 20 x 3/4", Gr 2

1/4 x 3/4 znd hex-hd mach

2шт.

120375

NUT,Hex, 1/4" - 20, Gr 5

2шт.

492-11025

LOCK WASHER,1/4"

WASHER, LOCK, 1/4"

2шт.

12

201920C1

pipe support, 616 000656 and up, 622 001315 and up

1шт.

18494R1

BOLT,Hex, 3/8" - 16 x 1", Gr 2

3/8 x 1 znd hex-hd mach

1шт.

120377

NUT,3/8" - 16, Gr 5

1шт.

120382

LOCK WASHER,Helical Spring, 3/8"

WASHER, LOCK, 3/8"

1шт.

13

397257R1

HOSE CLAMP,#52, 2.81/3.75 Type F Worm, W/liner

hose, belt drive 501M and up, hydrostatic drive 616 501M thru 00655, 622 501M thru 001314

2шт.

13

39254H

CLAMP

ASSY, hose, hydrostatic drive 616 000656 and up, 622 001315 and up

2шт.

Выбрано товаров: 28