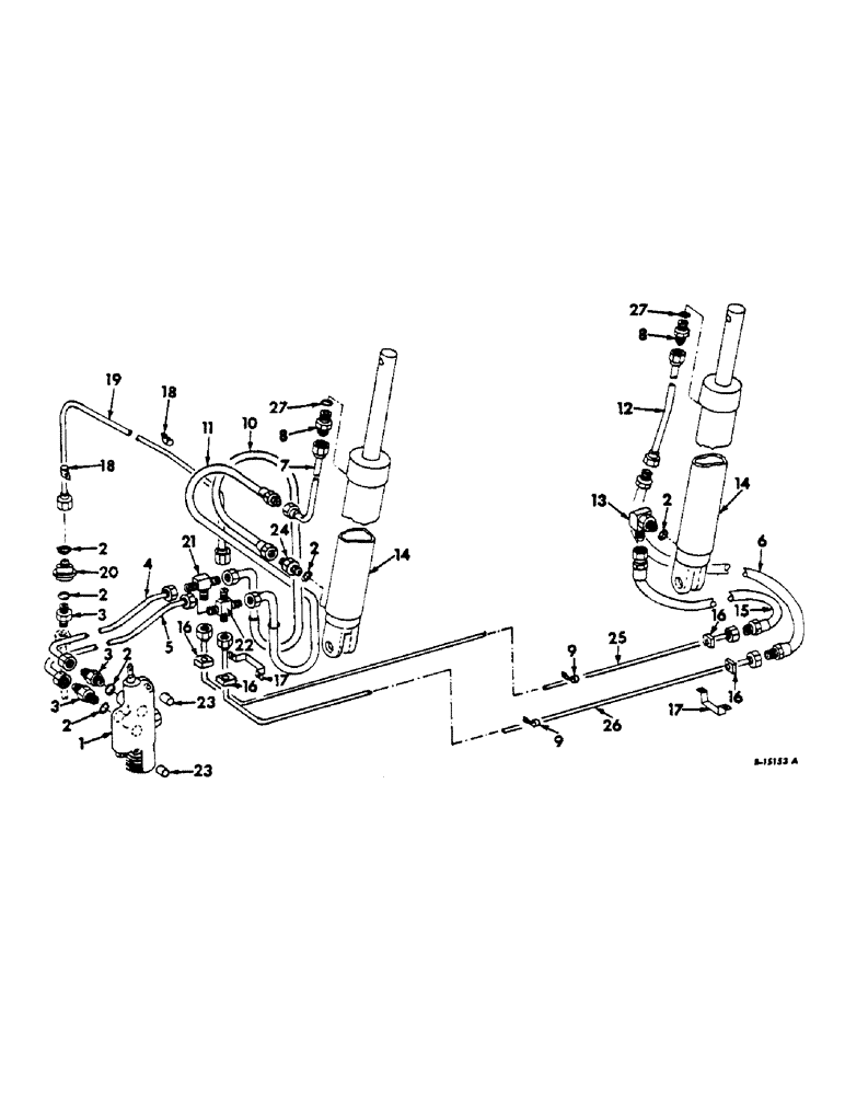
Запчасти Case IH 622 (F-09) - HYDRAULICS SYSTEM, HYDRAULIC BASKET CONTROL, 616000656 AND (07) - HYDRAULIC SYSTEM

Схема запчастей Case IH 622 - (F-09) - HYDRAULICS SYSTEM, HYDRAULIC BASKET CONTROL, 616000656 AND (07) - HYDRAULIC SYSTEM
17
2
21
2
25
20
27
23
8
16
3
24
12
3
2
11
1
2
10
8
9
27
3
16
26
2
4
5
13
14
7
19
2
15
17
6
18
23
14
16
18
16
9
22
FIT
1:1
100%

Артикул

Название

Примечание

Количество

1

673193R91

ASSY, basket control, see section F basket control valve

1шт.

2

364885R1

O-RING,0.097" Thk x 0.755" ID, -910, Cl 6, 90 Duro

3/4 x 15/16 x 3/32

9шт.

3

9410204

HYD CONNECTOR,7/8"-14, 37 Degree x 7/8"-14, O-Ring

CONNECTOR, 7/8-14 37 deg hyd flared short swivel tube

3шт.

4

201790C1

ASSY, hyd line basket lift

1шт.

5

201791C1

ASSY, hyd line basket

1шт.

6

201798C1

ASSY, basket rear lower

1шт.

7

673434R11

ASSY, basket cylinder

1шт.

8

9410203

HYD CONNECTOR,3/4"-16, 37 Degree x 3/4"-16, O-Ring

CONNECTOR, 3/4-16 37 deg hyd flared tube short swivel

2шт.

9

363360R1

CLIP, rubber coated tube

2шт.

18778R1

SCREW,Hex, 3/8"-16 x 3/4", G2

BOLT, 3/8 x 3/4 znd hex-hd mach

1шт.

120377

NUT,3/8" - 16, Gr 5

1шт.

12032

SENSOR

WASHER, 3/8 znd med lock

1шт.

10

201795C1

ASSY, frt basket raise cyl

1шт.

11

201796C1

ASSY, frt basket lower cyl

1шт.

12

673430R11

ASSY, basket cylinder rear

1шт.

13

936450R91

ELBOW,90 Degree, 3/4"-16, 37 Degree x 7/8"-14, O-Ring

w/locknut & washer, 3/4-16 x 7/8-14 37 deg hyd flared tube 90 deg

1шт.

14

396658R92

ASSY, basket hydraulic, see section F basket hydraulic cylinder

2шт.

23349R1

SCREW, 1/4 x 5-1/4 znd hex-hd cap

2шт.

23261R1

LOCK NUT,1"-14, GC

1-14 znp nylon insert

2шт.

15

201797C1

rear basket hyd raise cyl

1шт.

16

673387R1

BUSHING

5/8 to 3/4 hyd line

4шт.

17

673385R1

CLAMP

hyd tube holder

2шт.

19570R1

BOLT,Hex, 1/4" - 20 x 5/8", Gr 2

1/4 x 5/8 znd hex-hd mach

2шт.

18654R1

BOLT,Hex, 1/4" - 20 x 3/4", Gr 2

1/4 x 3/4 C-Z hex-hd mach

2шт.

120375

NUT,Hex, 1/4" - 20, Gr 5

2шт.

349103C1

NUT

1/4-20 U-type

2шт.

492-11025

LOCK WASHER,1/4"

WASHER, LOCK, 1/4"

4шт.

18

299615C1

CLAMP

tube basket 5/8

4шт.

19

201794C1

ASSY, anti-cavity upper

1шт.

20

202858C91

VALVE

line check

1шт.

21

9402983

TEE,7/8"-14, 37 Degree

7/8-14 37 deg flared tube

1шт.

22

9403178

7/8-14 37 deg flared tube

1шт.

23

603047R1

SPACER

basket valve

2шт.

18678R1

BOLT,Short NK, 5/16"-18 x 3", G2

5/16 x 3 znd sq-nk crg

1шт.

18477R1

CARRIAGE BOLT,Sq Nk, 5/16" - 18 x 3 1/2", Gr 2

5/16 x 3-1/2 znd sq-nk crg

1шт.

120376

NUT,5/16"-18, G5

2шт.

80681

LOCK WASHER,5/16"

WASHER, LOCK, 5/16"

2шт.

24

481352R1

HYD CONNECTOR,3/4"-16, 37 Degree x 7/8"-14, O-Ring

UNION, 3/4-16 37 deg flared tube short swivel reducer

1шт.

25

202476C1

ASSY, basket supply raising

1шт.

26

202475C1

ASSY, basket supply lowering

1шт.

27

570828R1

O-RING,0.087" Thk x 0.644" ID, -908, Cl 6, 90 Duro

.644 x .818 x .087

2шт.

202853C91

1шт.

HYDRAULIC LINE SERVICE PKG, consists of the following ref nos from B15153A, 4201790C1 tube assy, hyd line basket lift; 5201791C1 tube assy, hyd line basket lift; 6201798C1 hose assy, basket rear lower; 9363660R1 clip, rubber coated 210201795C1 hose assy, front basket raise cyl; 11201796C1 hose assy, front basket lower cyl; 15201797C1 hose assy, rear basket hyd raise cyl; 18299615C1 clamp, 5/8 tube basket; 19201794C1 tube assy, anti-cavity upper; 219402983 tee, 7/8-14 37 deg. flared tube; 229403178 cross, 7/

1шт.

Выбрано товаров: 43