Запчасти Case IH 622 (M-05) - SEAT, OPERATORS PLATFORM & MISC., OPERATORS SEAT SUSPENSION, (10) - OPERATORS PLATFORM

Схема запчастей Case IH 622 - (M-05) - SEAT, OPERATORS PLATFORM & MISC., OPERATORS SEAT SUSPENSION, (10) - OPERATORS PLATFORM
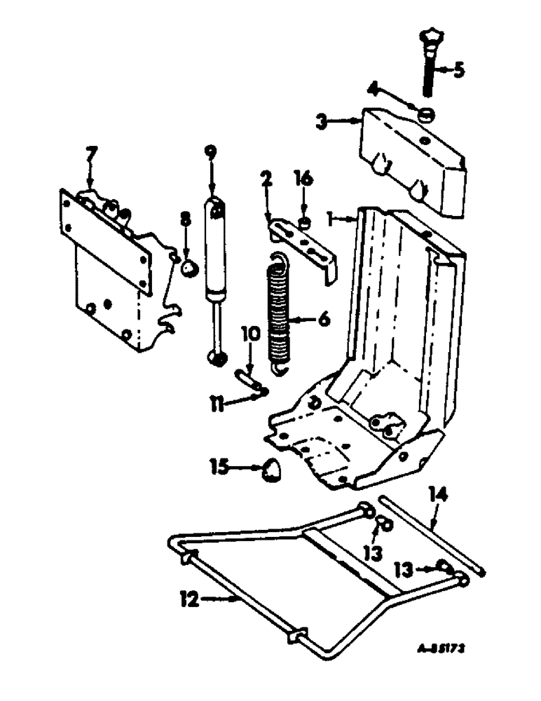
9
2
5
6
12
10
13
7
15
14
3
1
4
13
16
11
8
FIT
1:1
100%

Артикул

Название

Примечание

Количество

825201C91

SUSPENSION ASSY, operators seat composed of the following service parts

1шт.

1

825205C1

BASE

ASSY, seat suspension

1шт.

2

825206C1

BRACKET

suspension adjustment

1шт.

3

825207C1

COVER

SHIELD, seat suspension

1шт.

4

567833R91

THRUST BEARING

ASSY, thrust ball

1шт.

5

825209C1

ADJUSTMENT SCREW

ASSY, tension adjusting

1шт.

469668R1

WASHER

13/32 x 3/4 x 16 ga C-Z

1шт.

17064R1

LOCK PIN,1/8" x 5/8", Slotted

Pin, 1/8" x 5/8", Slotted

1шт.

6

825211C1

SPRING

seat suspension

2шт.

7

825212C1

CARRIER

CARRIAGE ASSY, suspension

1шт.

8

825213C1

ROLLER

suspension

2шт.

9

825214C1

DAMPER

ABSORBER, seat shock

1шт.

10

825215C1

PIN

shock absorber

2шт.

11

896045R1

SNAP RING,#37, Ext

4шт.

12

825216C91

ASSY, suspension, includes 2825217C1 bearing

1шт.

13

825217C1

FLANGED BEARING

flanged

2шт.

14

825218C1

SHAFT

pivot

1шт.

19464R1

Pin, 3/16" x 3/4", Slotted 3/16" x 3/4", Slotted

1шт.

15

825219C1

BUMPER

seat suspension

1шт.

160541

SCREW,Cross Pan Hd, 1/4" - 20 x 3/4"

1/4-20 x 3/4 znd pan-hd cross recess mach

1шт.

16

825210C1

COLLAR

bushing adjusting screw

1шт.

Выбрано товаров: 0