Запчасти Case IH 622 (J-07) - STEERING MECHANISM, BOLSTER Steering Mechanism

Схема запчастей Case IH 622 - (J-07) - STEERING MECHANISM, BOLSTER Steering Mechanism
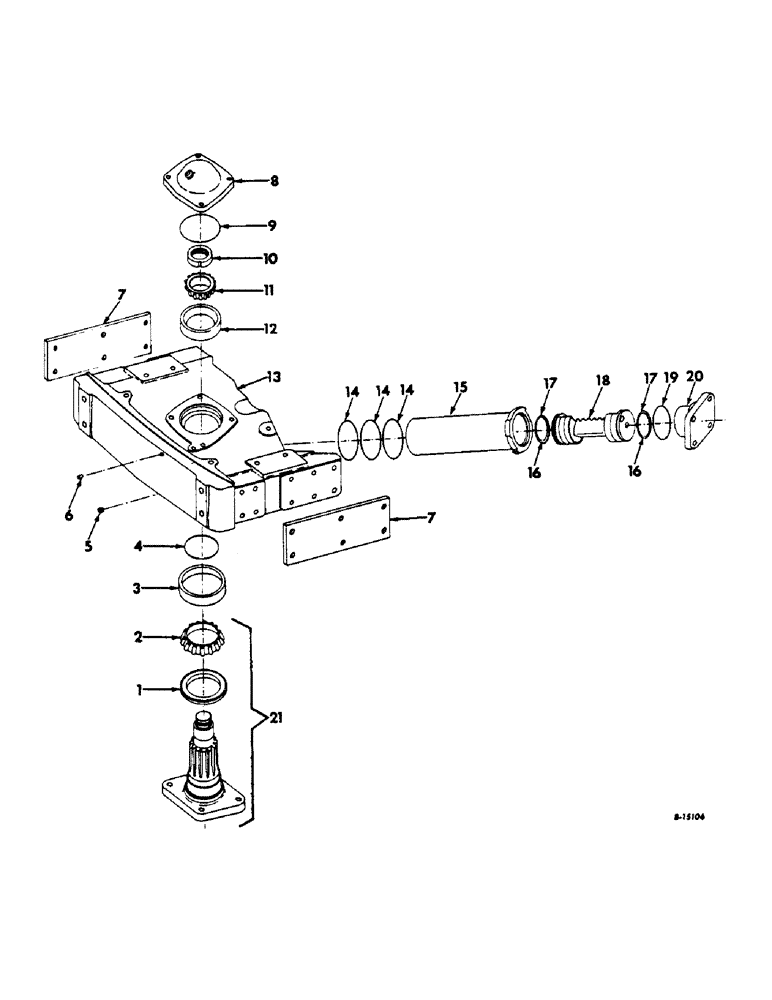
15
1
18
17
16
21
2
17
7
11
10
14
14
19
14
9
3
5
7
6
12
20
13
16
4
8
FIT
1:1
100%

Артикул

Название

Примечание

Количество

1

673674R91

SEAL

bolster shaft lower oil, replaces 369380R91

1шт.

2

ST2096

BEARING ASSY,73.03mm ID x 25.4mm W

ASSY, bolster shaft lower

1шт.

3

ST981

BEARING CONE,112.71mm OD x 19.05mm W

ASSY, bolster pivot shaft lower

1шт.

4

252734R1

O-RING,0.21" Thk x 2.725" ID, -335, Cl 5, 75 Duro

2-3/4 x 3-1/8 x 3/16

1шт.

5

219-53

LUBE NIPPLE,65 Degree Elbow, 3/16" NPTF

FITTING, 3/16 65 deg angle drive type lub

1шт.

6

384803R1

upper bolster

1шт.

7

672948R1

bolster

2шт.

413-1036

BOLT,Hex, 5/8" - 11 x 2-1/4", Gr 5

SCREW, 5/8-11 x 2-1/4 hex-hd cap

12шт.

103325

LOCK WASHER,5/8"

WASHER, LOCK, 5/8"

12шт.

8

378648R1

COVER

bolster pivot shaft

1шт.

179883

BOLT,Hex, 1/2" - 13 x 1 1/4", Gr 5

4шт.

9

259246R1

O-RING,0.139" Thk x 3.859" ID, -241, Cl 5, 75 Duro

3-7/8 x 4-1/8 x 1/8

1шт.

10

374248R1

NUT

bolster pivot shaft

1шт.

11

ST2086

BEARING ASSY,44.45mm ID x 29.9mm W

ASSY, bolster pivot shaft upper cone

1шт.

12

13207D

BEARING CUP,95.28mm OD x 22.35mm W

bolster pivot shaft upper cup

1шт.

13

397478R11

SPARE PART

BOLSTER ASSY, upper

1шт.

14

254688R1

O-RING,0.21" Thk x 3.85" ID, -344, Cl 5, 75 Duro

3-7/8 x 4-1/4 x 3/16

3шт.

15

367805R2

SLEEVE CYLINDER

steering

1шт.

16

380910R1

O-RING,0.103" Thk x 2.987" ID, -151, Cl 5, 75 Duro

3 x 3-3/16 x 3/32, rack seal

2шт.

17

378651R1

SEALING RING

RING, rack piston

2шт.

18

379364R1

PISTON

power steering

1шт.

19

384349R1

O-RING,0.139" Thk x 3.734" ID, -240, Cl 6, 90 Duro

3-3/4 x 4 x 1/8, cylinder sleeve adapter

1шт.

20

378652R1

HOUSING

COVER, housing end

1шт.

327202R1

BOLT

SCREW, 7/16-14 x 1-7/8 hex-hd cap

4шт.

183544

WASHER

15/32 x 7/8 x 1/8 hardened

4шт.

21

673673R11

SHAFT ASSY, bolster pivot upper, replaces 379363R91

1шт.

Выбрано товаров: 26