Запчасти Case IH 622 (L-02) - WHEELS AND WHEEL WEIGHTS, GUIDE WHEEL Wheels & Wheel Weights

Схема запчастей Case IH 622 - (L-02) - WHEELS AND WHEEL WEIGHTS, GUIDE WHEEL Wheels & Wheel Weights
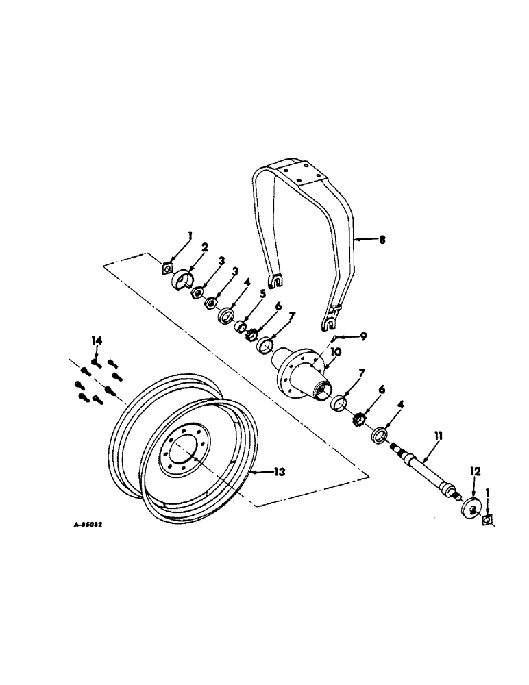
12
13
7
4
1
3
5
1
9
4
7
11
6
6
2
14
8
3
10
FIT
1:1
100%

Артикул

Название

Примечание

Количество

1

38916D

LOCK WASHER

LOCK, axle shaft

2шт.

2

351420R11

PROTECTOR

SHIELD ASSY, guide wheel hub long

1шт.

3

351418R1

BEARING LOCK NUT

brg adj

2шт.

4

672138R91

SEAL

guide wheel axle grease

2шт.

5

672130R1

SPACER

guide wheel brg

1шт.

6

567848R91

CONE

BEARING ASSY, guide wheel axle

2шт.

7

567847R1

BEARING, CUP,76.22mm OD x 17.46mm W

guide wheel axle

2шт.

8

672946R1

FORK

guide wheel

1шт.

20094R1

BOLT,Hex, 3/4" - 10 x 2 1/2", Gr 8

SCREW, 3/4-10 x 2-1/2 type 8 hex-hd cap

4шт.

131142

LOCK WASHER,3/4"

WASHER, LOCK, 3/4"

4шт.

9

219-8

LUBE NIPPLE,1/4" - 28 NPTF

NIPPLE, LUBE, , straight 1/4"-28 NPT x .54" lg

1шт.

10

672129R11

HUB

W/CUPS, guide wheel

1шт.

11

672131R1

AXLE

guide wheel

1шт.

425-1520

JAM NUT,Jam, 1 1/4"-12, G5

1-1/4-12 hex. jam

2шт.

179895

BOLT,Hex, 1/2" - 13 x 3 1/2", Gr 5

1/2 x 3-1/2 hex-hd cap

2шт.

102637

NUT,1/2"-13, G5

2шт.

103323

LOCK WASHER,1/2"

WASHER, LOCK, 1/2"

2шт.

12

351419R11

PROTECTOR

SHIELD ASSY, guide wheel hub short

1шт.

13

560467R91

RIM

guide for 11.25-24 tire

1шт.

13

672950R91

guide wheel, special, for 9.00-24 tire

1шт.

14

375110R1

BOLT,5/8" - 18 x 1 3/8"

guide wheel rim

8шт.

14

391004R1

BOLT,Hex, 5/8"

BOLT, guide wheel rim, special

8шт.

Выбрано товаров: 22