Запчасти Case IH 782 (8-216) - HYDRAULIC BASKET CONTROL, LIFT CYLINDER, DISTRIBUTOR AND CONNECTIONS (07) - HYDRAULICS

Схема запчастей Case IH 782 - (8-216) - HYDRAULIC BASKET CONTROL, LIFT CYLINDER, DISTRIBUTOR AND CONNECTIONS (07) - HYDRAULICS
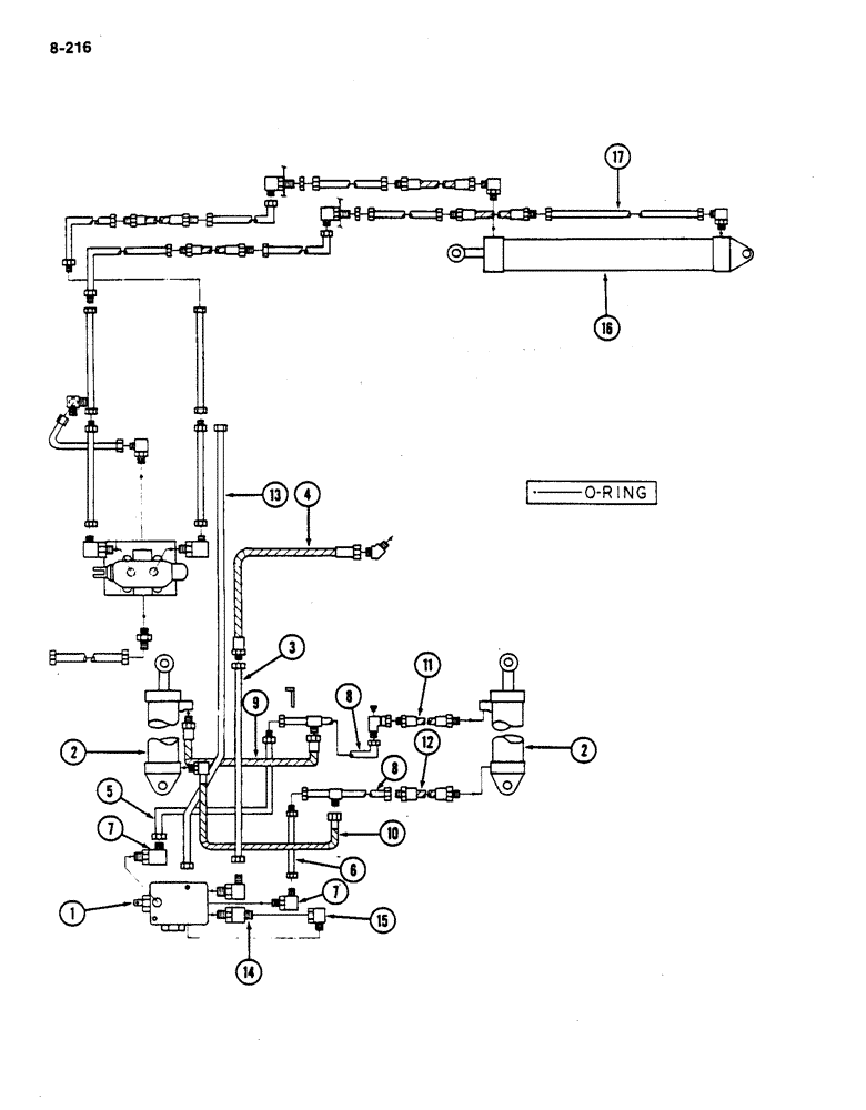
17
7
16
12
8
3
7
5
4
6
1
2
9
10
14
13
11
15
2
8
FIT
1:1
100%

Артикул

Название

Примечание

Количество

1

85082C91

VALVE

ASSEMBLY - basket control (Replaces 216123C92) (See Page 8-247)

1шт.

1

1263312C91

VALVE

ASSEMBLY - basket control

1шт.

1272084C91

KIT

- seal

1шт.

1272085C91

KIT

- pilot check

1шт.

79193C91

KIT

- spring centering

1шт.

1272087C91

ASSEMBLY

KIT - power beyond

1шт.

1272088C91

SEAL KIT

- relief valve seal

1шт.

1272905C1

PLATE

- orifice

1шт.

413-540

BOLT,Hex, 5/16" - 18 x 2-1/2", Gr 5

- hex, 5/16 NC x 2-1/2 inch

2шт.

80681

LOCK WASHER,5/16"

WASHER, LOCK, 5/16"

2шт.

120376

NUT,5/16"-18, G5

2шт.

20893R1

WASHER

- flat, 11/32 x 1 x 7/64 inch (9 x 25 x 3 mm)

2шт.

2

224660C91

CYLINDER

ASSEMBLY - hydraulic basket lift (See Page 8-221) Low drum P.I.N. 682 and after, high drum P.I.N. 2125 and after

2шт.

74303C91

SEAL KIT

- O-ring and seal

1шт.

2

113955C91

HYDRAULIC CYLINDER

CYLINDER ASSEMBLY - hydraulic basket lift (See Page 8-223) Low drum P.I.N. 507 thru 681, high drum P.I.N. 507 thru 2124

2шт.

404219R93

SEAL KIT

- O-ring and seal

1шт.

215279C1

PIN

- basket cylinder

2шт.

25419R1

PIN

- headed, 1 x 2-3/4 inch

2шт.

432-1620

COTTER PIN,1/4" x 1 1/4"

Pin, Split (Cotter), 1/4" x 1 1/4"

6шт.

3

216238C1

TUBE

- basket valve supply

1шт.

4

214985C1

HOSE

- basket valve supply

1шт.

5

215786C1

TUBE - basket lower

1шт.

6

215787C1

TUBE

- basket raise

1шт.

7

9410977

ELBOW,90 Degree, 3/4"-16, 37 Degree x 3/4"-16, O-Ring

- 90 degree adjustable straight thread hydraulic tube, 3/4-16 inch thread

2шт.

8

215776C1

HYD TUBE

TUBE - basket cylinder

2шт.

9

214989C1

HOSE

- basket front top

1шт.

10

214990C1

HOSE

- basket front lower

1шт.

11

214991C1

HOSE

- basket rear upper

1шт.

12

214992C1

HOSE

- basket rear lower

1шт.

13

216237C1

TUBE

- basket valve drain

1шт.

14

673443R1

UNION

- male reducing, 1-1/16-12 to 7/8-14 inch thread

1шт.

PO22778

SPACER,1/4" Pipe x 2"

2шт.

15

9410283

ELBOW,90 Degree, 1 1/16"-12, 37 Degree x 1 1/16"-12, 37 Degree Fem Sw

- 90 degree hydraulic tube swivel, 1-1/16-12 inch thread

1шт.

16

1272487C91

CYLINDER

ASSEMBLY - hydraulic basket distributor (Replaces 145499C93) (See Page 8-225)

1шт.

79975C2

SEAL KIT

KIT - O-ring and seal

1шт.

25419R1

PIN

- headed, 1 x 2-3/4 inch

1шт.

22973R1

PIN,1" x 4 1/2"

- headed, 1 x 4-1/2 inch

1шт.

20340R1

COTTER PIN,1/4" x 1 1/2"

Pin, Split (Cotter), 1/4" x 1 1/2"

2шт.

17

673582R11

TUBE,0.375" OD, 17, 1.2" Length

- cylinder return

1шт.

279026R91

HOSE CLAMP,#36, 1.81/2.75 Type F Worm

CLAMP - tube

1шт.

Выбрано товаров: 40